GM Service Manual Online
For 1990-2009 cars only

SERV. MANUAL UPDATE - SEC. 8A ELECT. SYS/ELECT. DIAG. REV.

SUBJECT: ELECTRICAL SYSTEMS/SERVICE MANUAL UPDATE SECTION 8A ELECTRICAL DIAGNOSTIC REVISIONS

VEHICLES AFFECTED: 1992 "C AND H" MODELS

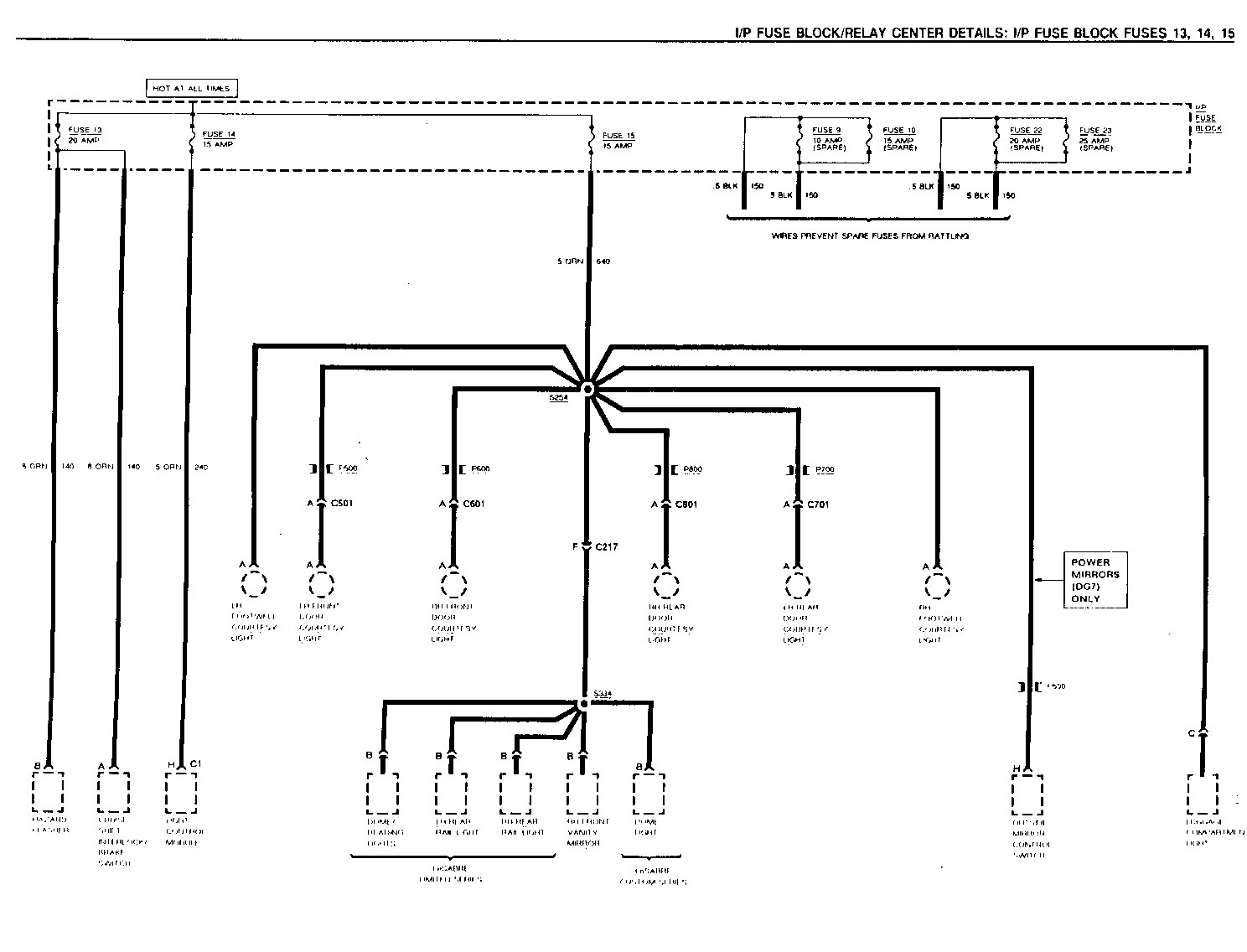
This bulletin provides LATE PRODUCTION AND DESIGN INFORMATION ranging from wire gauge and colour changes to changing connector pinout identification and wiring routing changes. The following information reflects current changes and revisions to the Electrical Systems/Service Manual Diagnostic Procedures:

1992 Buick LeSabre (2 pages of art, pages 2 and 3) 1992 Buick Park Avenue/Park Avenue Ultra (6 pages of art, pages 4 thru 9) 1992 Pontiac Bonneville SE (3 pages of art, pages 10 thru 12) 1992 Pontiac Bonneville SSE/SSEI (16 pages of art, pages 13 thru 28) 1992 Oldsmobile Eighty-Eight (5 pages of art, pages 29 thru 33) 1992 Oldsmobile Ninety-Eight (6 pages of art, pages 34 thru 39)

Please update your Service Manuals accordingly.


Object Number: 74613  Size: FS


Object Number: 75030  Size: FS


Object Number: 74527  Size: FS


Object Number: 74359  Size: FS


Object Number: 75029  Size: FS


Object Number: 74381  Size: FS


Object Number: 74345  Size: FS


Object Number: 74358  Size: FS


Object Number: 74526  Size: FS


Object Number: 74525  Size: FS


Object Number: 74612  Size: FS


Object Number: 74524  Size: FS


Object Number: 74523  Size: FS


Object Number: 74611  Size: FS


Object Number: 74610  Size: FS


Object Number: 74728  Size: FS


Object Number: 74609  Size: FS


Object Number: 74727  Size: FS


Object Number: 74726  Size: FS


Object Number: 74725  Size: FS


Object Number: 74724  Size: FS


Object Number: 74608  Size: FS


Object Number: 74522  Size: FS


Object Number: 74723  Size: FS


Object Number: 74607  Size: FS


Object Number: 74722  Size: FS


Object Number: 85750  Size: MF


Object Number: 94296  Size: MF


Object Number: 93804  Size: MF


Object Number: 93803  Size: MF


Object Number: 93802  Size: MF


Object Number: 74606  Size: FS


Object Number: 74605  Size: FS


Object Number: 74721  Size: FS


Object Number: 74604  Size: FS


Object Number: 74357  Size: FS


Object Number: 74603  Size: FS


Object Number: 74602  Size: FS


Object Number: 74521  Size: FS


Object Number: 74601  Size: FS


Object Number: 74720  Size: FS


Object Number: 94552  Size: MF


Object Number: 86284  Size: MF


Object Number: 93801  Size: MF


Object Number: 94295  Size: MF


Object Number: 93800  Size: MF

General Motors bulletins are intended for use by professional technicians, not a "do-it-yourselfer". They are written to inform those technicians of conditions that may occur on some vehicles, or to provide information that could assist in the proper service of a vehicle. Properly trained technicians have the equipment, tools, safety instructions and know-how to do a job properly and safely. If a condition is described, do not assume that the bulletin applies to your vehicle, or that your vehicle will have that condition. See a General Motors dealer servicing your brand of General Motors vehicle for information on whether your vehicle may benefit from the information.