GM Service Manual Online
For 1990-2009 cars only
Makes
🢒
Oldsmobile
🢒
1999
🢒
Shelby Series 1
🢒 Fuel System
Fuel System
Fuel System
Engine Controls Components
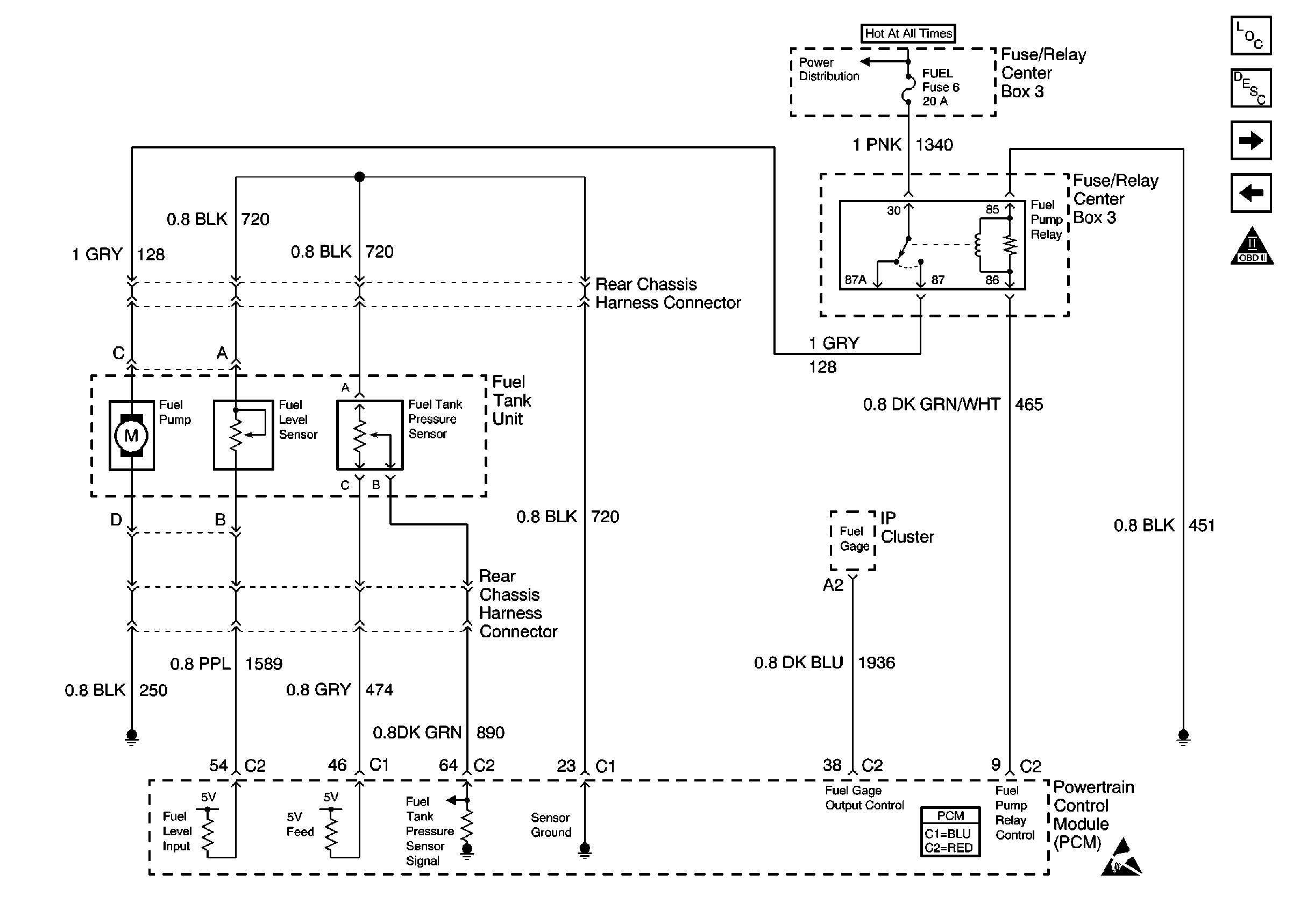
Fuel Supply Component Description
Information Sensors
Ignition Control Module
OBD II Symbol Description Notice
Powertrain Control Module Connector End Views
Handling ESD Sensitive Parts Notice