GM Service Manual Online
For 1990-2009 cars only
Makes
🢒
Oldsmobile
🢒
1999
🢒
Shelby Series 1
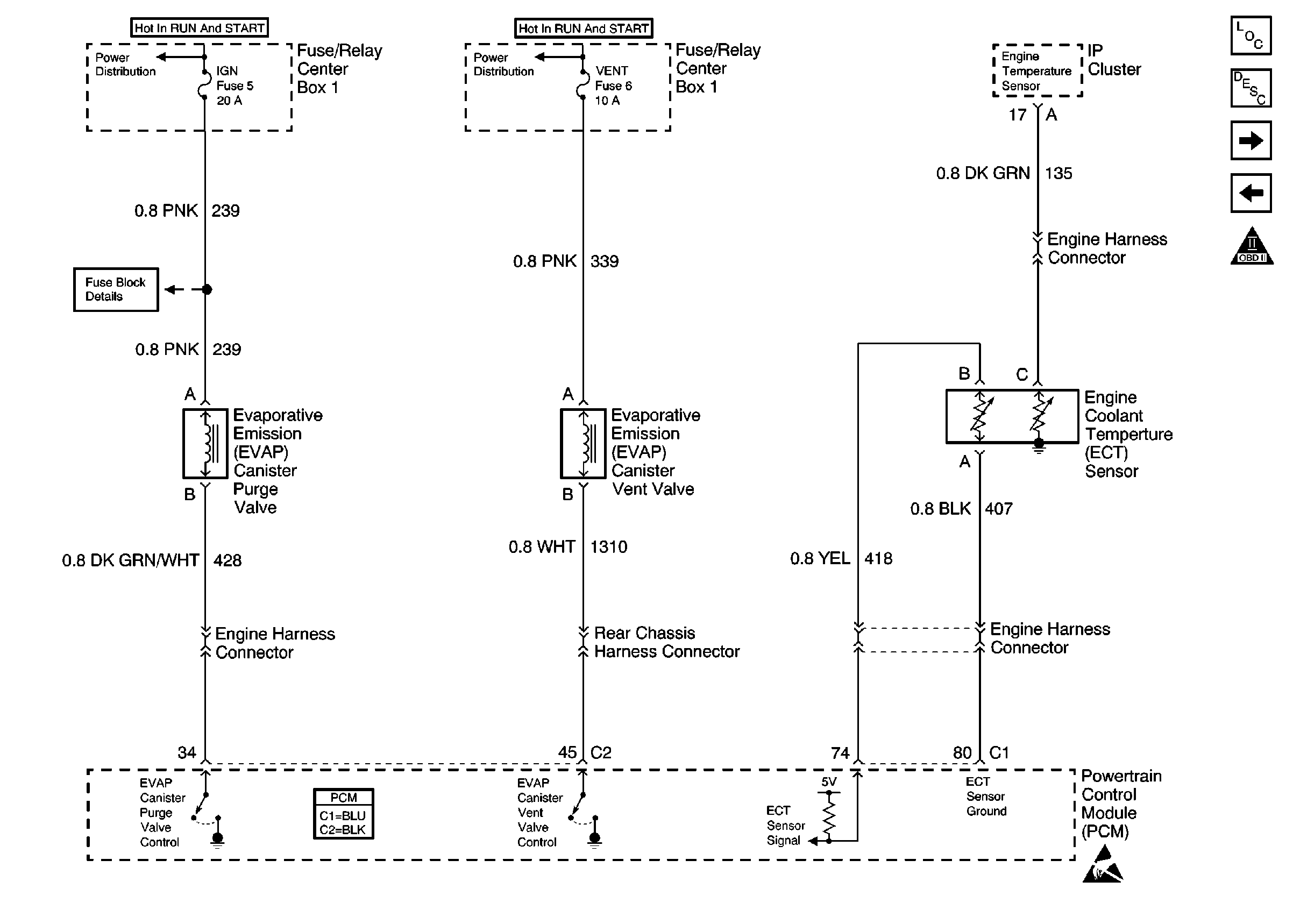
🢒 EVAP and ECT
EVAP and ECT
EVAP and ECT
Engine Controls Components
Evaporative Emission Control System Operation Description
A/C System
Tach, Clutch Switch, VSS Output and VSS Signal
OBD II Symbol Description Notice
Powertrain Control Module Connector End Views
Handling ESD Sensitive Parts Notice