GM Service Manual Online
For 1990-2009 cars only

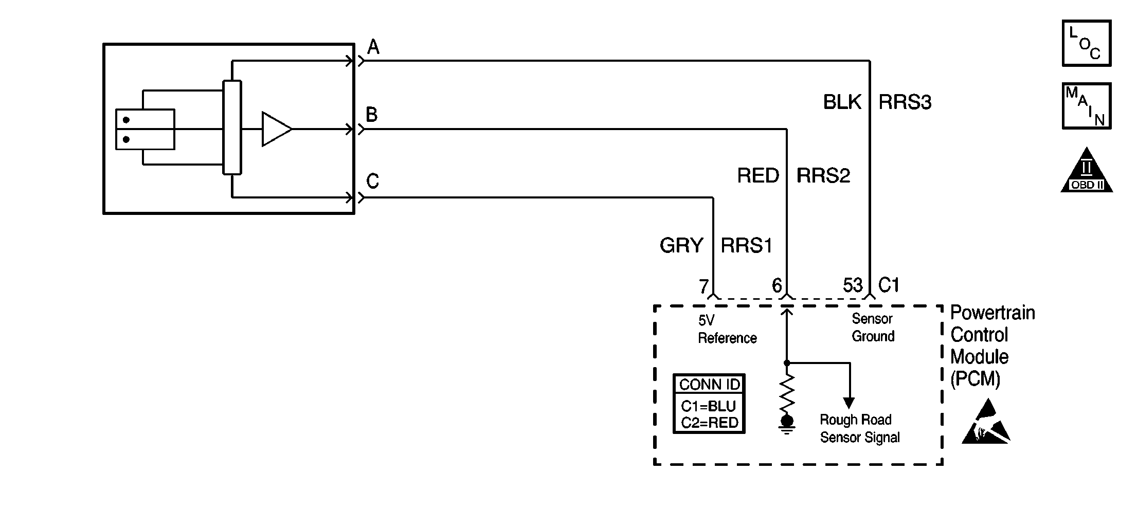
Object Number: 626148  Size: SF
Engine Controls Components
Rough Road, Generator and IAC
OBD II Symbol Description Notice
Powertrain Control Module Connector End Views
Handling ESD Sensitive Parts Notice

Circuit Description

The rough road (G) sensor is a vertical low G-acceleration sensor. By sensing vertical acceleration caused by bumps or potholes in the road, the powertrain control module (PCM) can determine if the change in crankshaft speed are due to engine misfire or driveline induced. If the rough road sensor detects a rough road condition , the PCM misfire detection diagnostic will be disabled. The rough road sensor at rest output is +1G (2.5 volts). During a rough road condition the voltage output can vary between -1G (0.5 volts) to +3G (4.5 volts).

Conditions for Running the DTC

    • The engine is running.
    • No vehicle speed

Conditions for Setting the DTC

The rough road sensor signal is less than 0.1 volts for a total of 3 seconds.

Action Taken When the DTC Sets

    • The powertrain control module (PCM) stores the DTC information into memory when the diagnostic runs and fails.
    • The malfunction indicator lamp (MIL) will not illuminate.
    • The PCM records the operating conditions at the time the diagnostic fails. The PCM stores this information in the Failure Records.

Conditions for Clearing the DTC

    • A last test failed, or current DTC, clears when the diagnostic runs and does not fail.
    • A history DTC will clear after 40 consecutive warm-up cycles, if no failures are reported by this or any other non-emission related diagnostic.
    • Use a scan tool in order to clear the DTC.

Diagnostic Aids

Inspect for the following conditions:

    • A poor electrical connection at the PCM -- Inspect the harness connectors for backed out terminals, improper mating, broken locks, improperly formed or damaged terminals, and poor terminal to wire connection.
    • A damaged harness -- Inspect the wiring harness for damage. If the harness appears to be OK, observe the rough road display on the scan tool while moving connectors and wiring harness related to the sensor. A change in the display will indicate the location of the fault.

If the Rough Road sensor ground circuit is open, this will cause the sensor output voltage to go high, from 4.1 to 4.2 volts, but the voltage is not high enough to set DTC P1393. DTC P1393 will set for this open sensor ground circuit after several minutes of driving.

Reviewing the Failure Records vehicle kilometers (miles) since the diagnostic test last failed may help determine how often the condition that caused the DTC to be set occurs. This may assist in diagnosing the condition.

Test Description

The number below refers to the step number on the diagnostic table.

  1. This step determines if the fault is present.

Step

Action

Values

Yes

No

1

Did you perform the Powertrain On-Board Diagnostic (OBD) System Check?

--

Go to Step 2

Go to Powertrain On Board Diagnostic (OBD) System Check

2

  1. Install the scan tool
  2. Idle the engine.
  3. Monitor the Diagnostic Trouble Code (DTC) information.

Did DTC P1635 fail this ignition?

--

Go to DTC P1635 5 Volt Reference 1 Circuit

Go to Step 3

3

  1. Turn the ignition ON, leaving the engine OFF.
  2. Observe the rough road value displayed on the scan tool.

Is the rough road value near the specified value?

0 V

Go to Step 5

Go to Step 4

4

  1. Turn the ignition ON, leaving the engine OFF.
  2. Review and record the scan tool Failure Records data.
  3. Operate the vehicle within the Failure Records conditions as noted.
  4. Using a scan tool, monitor Specific DTC Info for DTC P1392.

Does the scan tool indicate DTC P1392 failed?

--

Go to Step 5

Go to Diagnostic Aids

5

  1. Disconnect the rough road sensor electrical connector.
  2. Jumper the 5 volt reference circuit and the rough road signal circuits together at the rough road sensor harness connector.
  3. Observe the rough road value displayed on the scan tool.

Is the rough road sensor value near the specified value?

4.95 V

Go to Step 11

Go to Step 6

6

  1. Connect a test lamp between B+ and the rough road sensor signal circuit at the rough road harness connector.
  2. Observe the rough road value displayed on the scan tool.

Is the rough road sensor value near the specified value?

4.95 V

Go to Step 7

Go to Step 9

7

  1. Turn the ignition OFF.
  2. Disconnect the PCM C1 connector and check the 5 volt reference circuit for an open or short to ground.

Was a problem found?

--

Go to Step 13

Go to Step 8

8

  1. Inspect the 5 volt reference circuit for a poor connection at the PCM C1 connector.
  2. Repair if necessary. Refer to Connector Repairs in Wiring Systems.

Was a problem found?

--

Go to Step 13

Go to Step 12

9

  1. Turn the ignition OFF.
  2. Disconnect the PCM C1 connector and check the rough road sensor signal circuit for an open, a short to ground, or a short to the sensor ground circuit.

Was a problem found?

--

Go to Step 13

Go to Step 10

10

  1. Inspect the rough road sensor signal circuit for a poor connection at the PCM.
  2. Repair if necessary. Refer to Connector Repairs in Wiring Systems.

Was a problem found

--

Go to Step 13

Go to Step 12

11

Replace the rough road sensor.

Is the action complete?

--

Go to Step 13

--

12

Important: The replacement PCM must be programmed.

Replace the PCM. Refer to Powertrain Control Module Replacement/Programming .

Is the action complete?

--

Go to Step 13

--

13

  1. Select the DTC option and the Clear DTC Information option using the scan tool.
  2. Idle the engine at the normal operating temperature.
  3. Select the DTC option and the Specific DTC option, then enter the DTC number using the scan tool.
  4. Operate the vehicle within the Conditions for Running the DTC as specified in the supporting text, if applicable.

Does the scan tool indicate that this test ran and passed?

--

Go to Step 14

Go to Step 2

14

Select the Capture Info option and the Review Info option using the scan tool.

Does the scan tool display any DTCs that you have not diagnosed?

--

Go to the applicable DTC table

System OK