GM Service Manual Online
For 1990-2009 cars only

Refer to

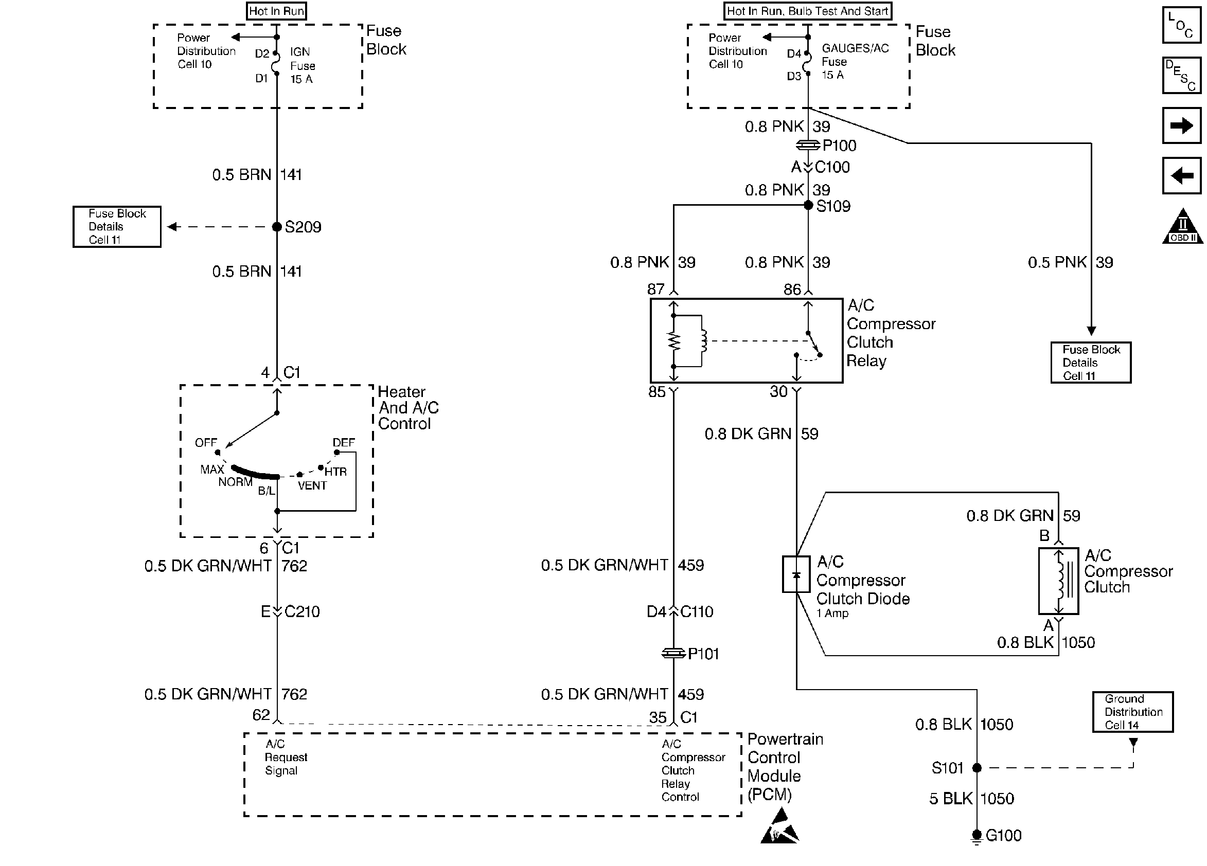
A/C Controls


Object Number: 31416  Size: FS
Engine Controls Components
Engine Cooling Fans
TCC, Brake Switch
OBD II Symbol Description Notice
Handling ESD Sensitive Parts Notice
.

Circuit Description

Output Driver Modules (ODMs) are used by the PCM to turn on many of the current-driven devices that are needed to control various engine and Transaxle functions. Each ODM is capable of controlling up to 7 separate outputs by applying ground to the device which the PCM is commanding ON. Unlike the Quad Driver Modules (QDMs) used in prior model years, ODMs have the capability of diagnosing each output circuit individually. DTC P1654 set indicates an improper voltage level has been detected on ODM B output 4, which controls the A/C compressor control relay.

Conditions for Setting the DTC

    • Ignition is ON.
    • An improper voltage level has been detected on ODM B output 4 (the A/C relay driver circuit).
    • Above conditions for at least 30 seconds.

Action Taken When the DTC Sets

    • The PCM will not illuminate the malfunction indicator lamp (MIL).
    • The PCM will store conditions which were present when the DTC set as Failure Records data only. This information will not be stored as Freeze Frame data.

Conditions for Clearing the MIL/DTC

    • A History DTC will clear after 40 consecutive warm-up cycles have occurred without a malfunction.
    • The DTC can be cleared by using the scan tool Clear Info function.

Diagnostic Aids

Check for the following conditions:

    • Poor connection at PCM. Inspect harness connectors for backed out terminals, improper mating, broken locks, improperly formed or damaged terminals, and poor terminal to wire connection.
    • Damaged harness. Inspect the wiring harness for damage. If the harness appears to be OK, disconnect the PCM, turn the ignition ON and observe a voltmeter connected to the A/C relay driver circuit at the PCM harness connector while moving connectors and wiring harnesses related to the A/C relay. A change in voltage will indicate the location of the fault.

Reviewing the Fail Records vehicle mileage since the diagnostic test last failed may help determine how often the condition that caused the DTC to be set occurs. This may assist in diagnosing the condition.

Test Description

Number(s) below refer to the step number(s) on the Diagnostic Table.

  1. Normally, ignition feed voltage should be present on the output driver circuit with the PCM disconnected and the ignition turned ON.

  2. Checks for a shorted component or a short to B+ on the output driver circuit. Either condition would result in a measured current of over 1.5 amps. Also checks for a component that is going open while being operated, resulting in a measured current of 0 amps.

  3. Checks for a faulty A/C compressor control relay.

  4. This vehicle is equipped with a PCM which utilizes an Electrically Erasable Programmable Read Only Memory (EEPROM). When the PCM is being replaced, the new PCM must be programmed.

DTC P1654 -- A/C Relay Control Circuit

Step

Action

Value(s)

Yes

No

1

Was the Powertrain On-Board Diagnostic (OBD) System Check performed?

--

Go to Step 2

Go to the Powertrain On Board Diagnostic (OBD) System Check

2

  1. Turn OFF the ignition switch.
  2. Disconnect the PCM.
  3. Turn ON the ignition switch.
  4. Using a J 39200 Digital Multimeter, measure voltage between the A/C compressor control relay output driver circuit at the PCM harness connector and ground.

Is voltage near the specified value?

B+

Go to Step 3

Go to Step 6

3

  1. Set J 39200 digital multimeter to measure 10 amp range.
  2. Measure current between the A/C compressor control relay output driver circuit and ground.
  3. Monitor the current reading on the digital multimeter for at least 2 minutes.

Does the current reading remain between the specified values?

0.05-1.5 Amps

Go to Step 11

Go to Step 4

4

  1. Turn OFF the ignition switch.
  2. Disconnect the A/C compressor control relay (leave the PCM disconnected).
  3. Turn ON the ignition switch.
  4. Using the digital multimeter, measure voltage between the A/C compressor control relay output driver circuit and ground.

Is voltage at the specified value?

0V

Go to Step 10

Go to Step 5

5

Locate and repair short to voltage in the A/C compressor control relay output driver circuit. Refer to Wiring Repair in Electrical Diagnosis.

Is action complete?

--

Go to Step 16

--

6

  1. Turn OFF the ignition switch.
  2. Check the ignition feed fuse for the A/C compressor control relay.

Is the fuse blown?

--

Go to Step 7

Go to Step 8

7

  1. Locate and repair short to ground in ignition feed circuit for the A/C compressor control relay. Refer to Fuse Block Details.
  2. Replace the fuse.

Is action complete?

--

Go to Step 16

--

8

  1. Disconnect the A/C compressor control relay.
  2. Turn ON the ignition switch.
  3. Measure voltage between the ignition feed circuit for the A/C compressor control relay and ground.

Is voltage near the specified value?

B+

Go to Step 9

Go to Step 13

9

  1. Check the A/C compressor control relay output driver circuit for an open or a short to ground.
  2. If a problem is found, repair the A/C compressor control relay output driver circuit. Refer to Wiring Repair in Electrical Diagnosis.

Was a problem found?

--

Go to Step 16

Go to Step 10

10

  1. Check for the following conditions:
  2. • The A/C compressor control relay output driver circuit for a poor connection at the PCM.
    • The A/C compressor control relay output driver circuit for a poor connection at the A/C compressor control relay.
    • The A/C compressor control relay ignition feed circuit for a poor connection at the A/C compressor control relay.
  3. If a problem is found, replace faulty terminal(s) as necessary. Refer to Wiring Repair in Electrical Diagnosis.

Was a problem found?

--

Go to Step 16

Go to Step 14

11

  1. Turn OFF the ignition switch.
  2. Reconnect the PCM.
  3. Disconnect the A/C compressor control relay.
  4. Turn ON the ignition switch.
  5. Connect a test light between the A/C compressor control relay output driver circuit and the ignition feed circuit at the A/C compressor control relay harness connector.
  6. Using the scan tool outputs test function, cycle the A/C compressor control relay output ON and OFF.

Does the test light flash ON and OFF?

--

Refer to DTC P1654 Diagnostic Aids

Go to Step 12

12

  1. Check the A/C compressor control relay output driver circuit for a poor connection at the PCM.
  2. If a problem is found, replace faulty terminal. Refer to Wiring Repair in Electrical Diagnosis.

Was a problem found?

--

Go to Step 16

Go to Step 15

13

Locate and repair open in ignition feed circuit to the A/C compressor control relay. Refer to Wiring Repair in Electrical Diagnosis.

Is action complete?

--

Go to Step 16

--

14

Replace the A/C compressor control relay.

Is action complete?

--

Go to Step 16

--

15

Replace the PCM.

Important:: The replacement PCM must be programmed. Refer to Powertrain Control Module Replacement/Programming .

Is action complete?

--

Go to Step 16

--

16

  1. Review and record scan tool Fail Records data.
  2. Clear DTCs.
  3. Operate the vehicle within Fail Records conditions as noted.
  4. Using a scan tool, monitor Specific DTC info for DTC P1654 until the DTC P1654 test runs.

Note test result; does scan tool indicate DTC P1654 failed this ign?

--

Go to Step 2

System OK