GM Service Manual Online
For 1990-2009 cars only
Makes
🢒
Oldsmobile
🢒
1997
🢒
Silhouette
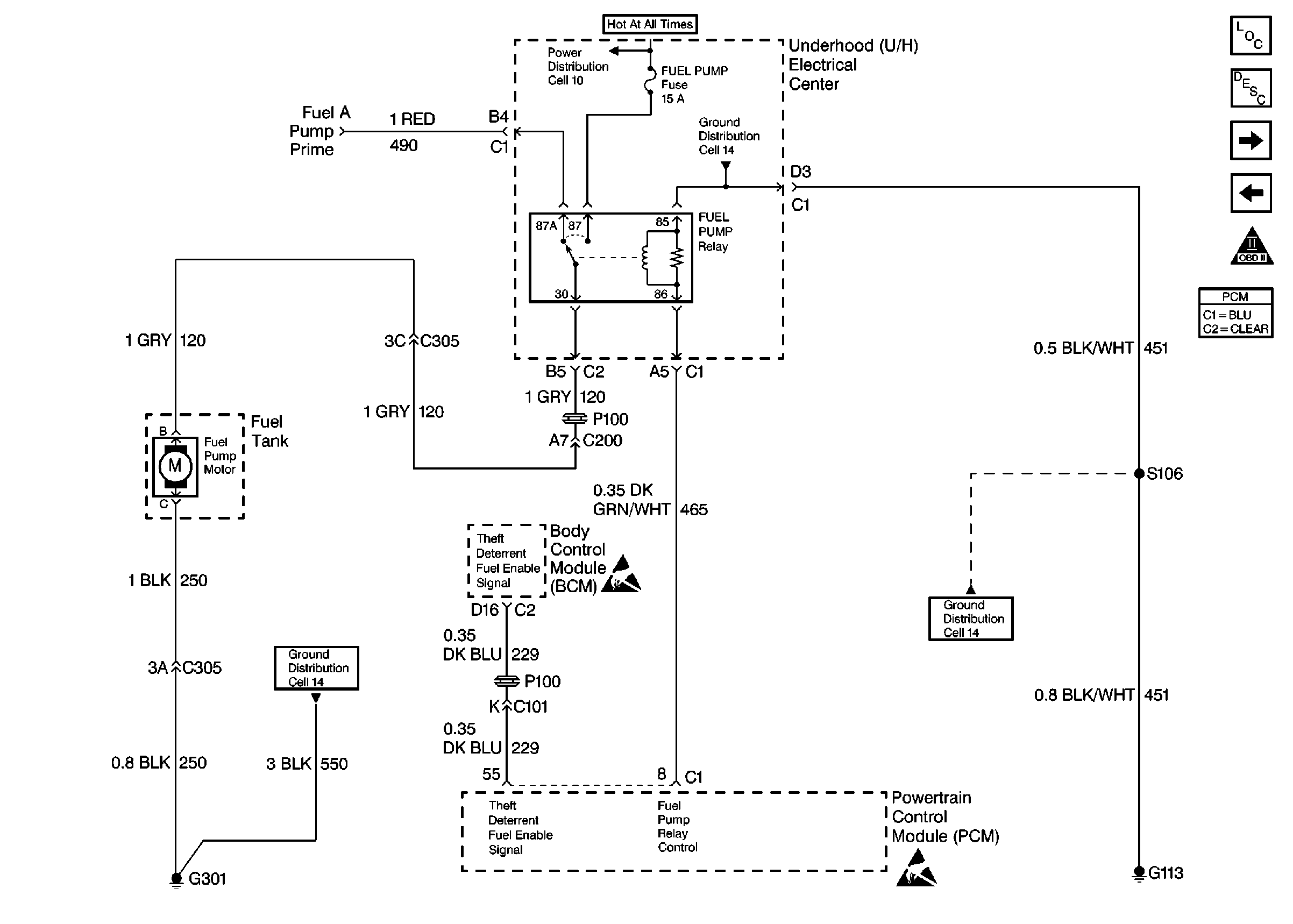
🢒 Fuel Control
Fuel Control
Fuel Control
Handling ESD Sensitive Parts Notice
Handling ESD Sensitive Parts Notice
Fuel Injectors
Ignition System, Knock Sensor
Information Sensors
Engine Controls Components
OBD II Symbol Description Notice