GM Service Manual Online
For 1990-2009 cars only
Makes
🢒
Oldsmobile
🢒
1997
🢒
Silhouette
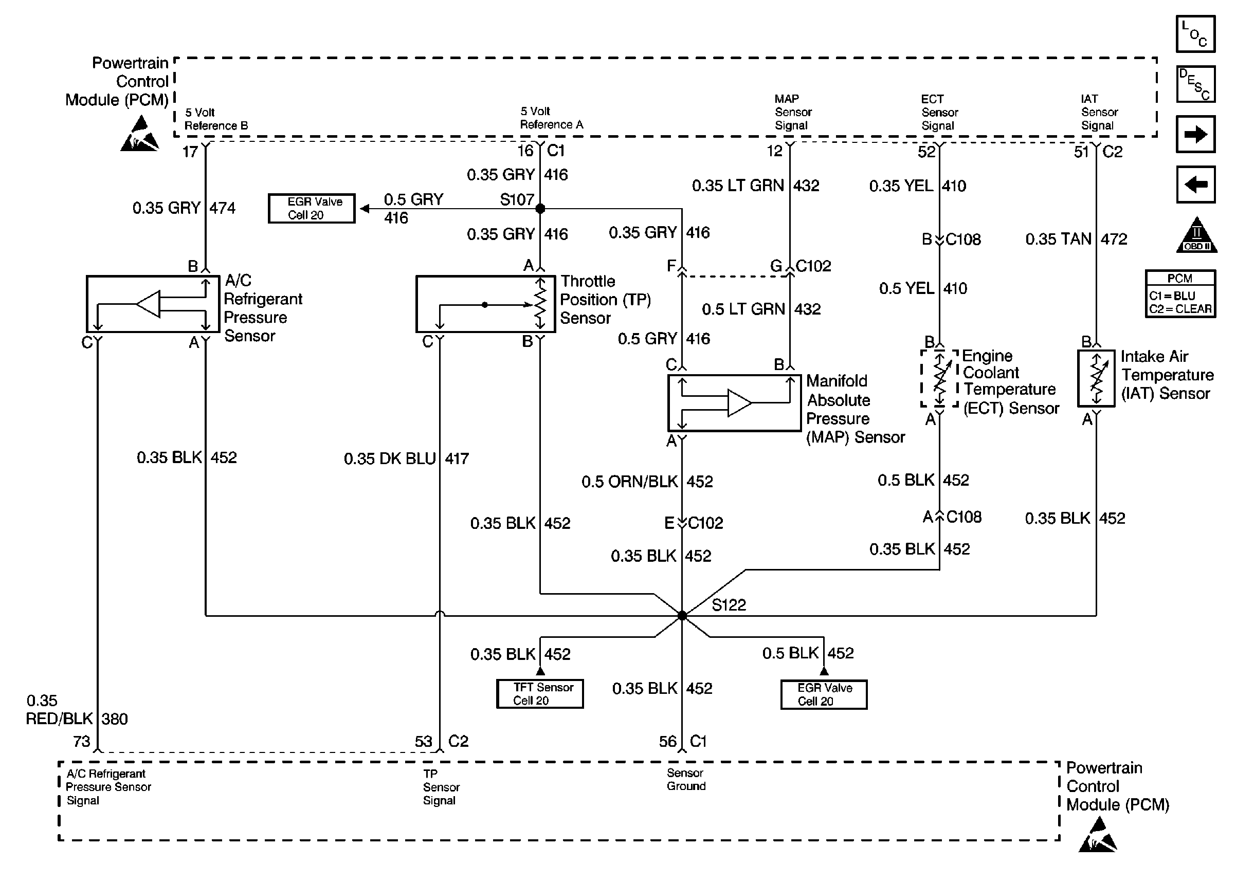
🢒 Engine Data Sensors-A/C Refrig Press, TP, MAP, ECT, IAT
Engine Data Sensors-A/C Refrig Press, TP, MAP, ECT, IAT
Engine Data Sensors-A/C Refrig Press, TP, MAP, ECT, IAT
Handling ESD Sensitive Parts Notice
Handling ESD Sensitive Parts Notice
Fuel Injectors
Engine Data Sensors-MAF, EVAP Sw, EVAP Valve, EGR
Information Sensors
Engine Controls Components
OBD II Symbol Description Notice