GM Service Manual Online
For 1990-2009 cars only
Makes
🢒
Oldsmobile
🢒
1997
🢒
Silhouette
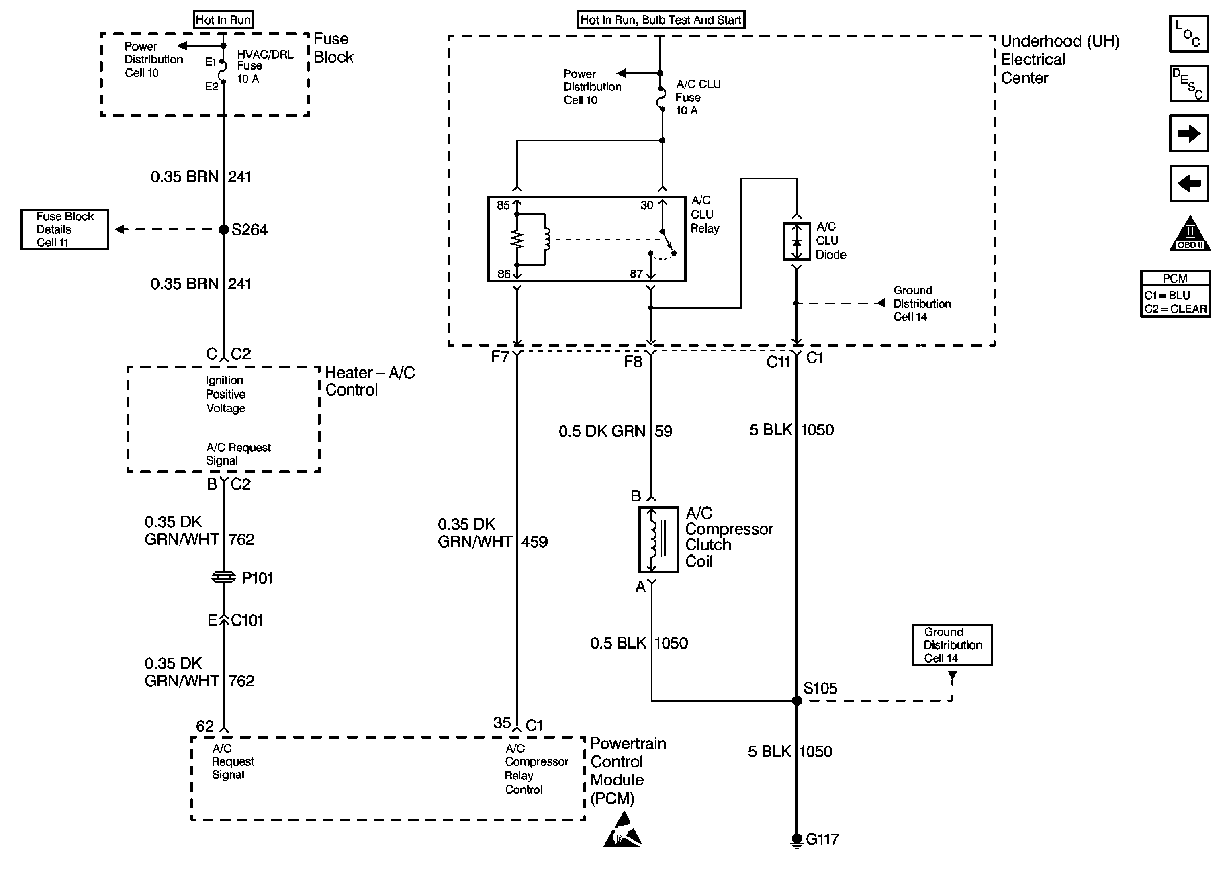
🢒 A/C Compressor Controls
A/C Compressor Controls
A/C Compressor Controls
Handling ESD Sensitive Parts Notice
Indicator Lamps
Coolant Fans
Information Sensors
Engine Controls Components
OBD II Symbol Description Notice