GM Service Manual Online
For 1990-2009 cars only
Makes
🢒
Oldsmobile
🢒
2002
🢒
Silhouette
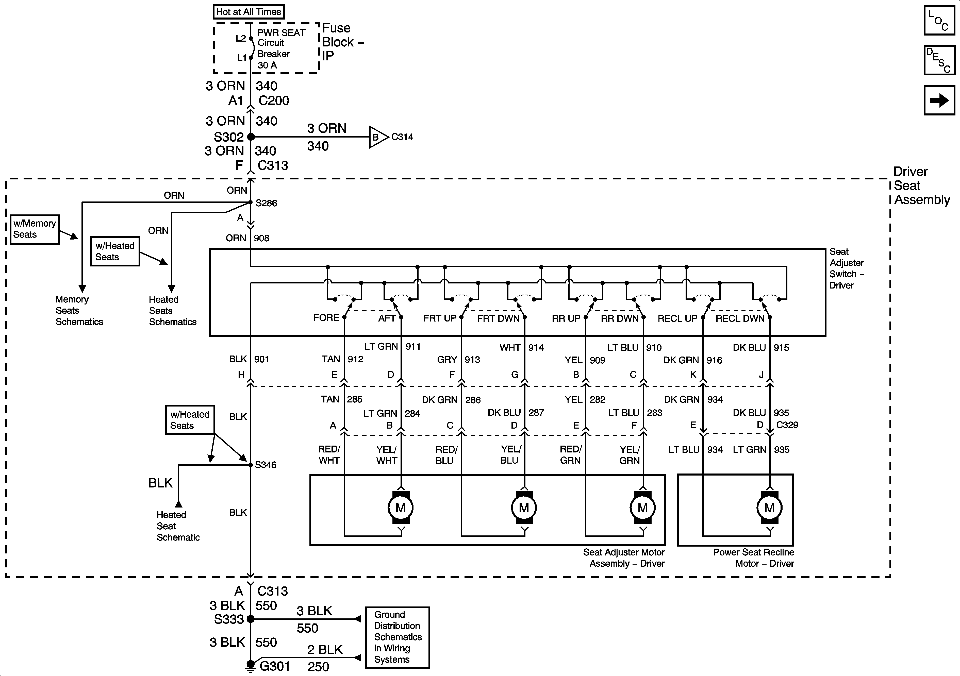
🢒 Driver Side Power Seat, Heated Seat Module and Switches
Driver Side Power Seat, Heated Seat Module and Switches
Driver Side Power Seat, Ground, and Switches
Master Electrical Component List
Power Seats System Description and Operation
Passenger Side Power Seat, Heated Seat Module and Switches
Passenger Side Power Seat, Heated Seat Module and Switches
Power, Ground and Memory Seat Module
Heated Seats
Heated Seats
G210, G301