GM Service Manual Online
For 1990-2009 cars only
Makes
🢒
Oldsmobile
🢒
2003
🢒
Silhouette
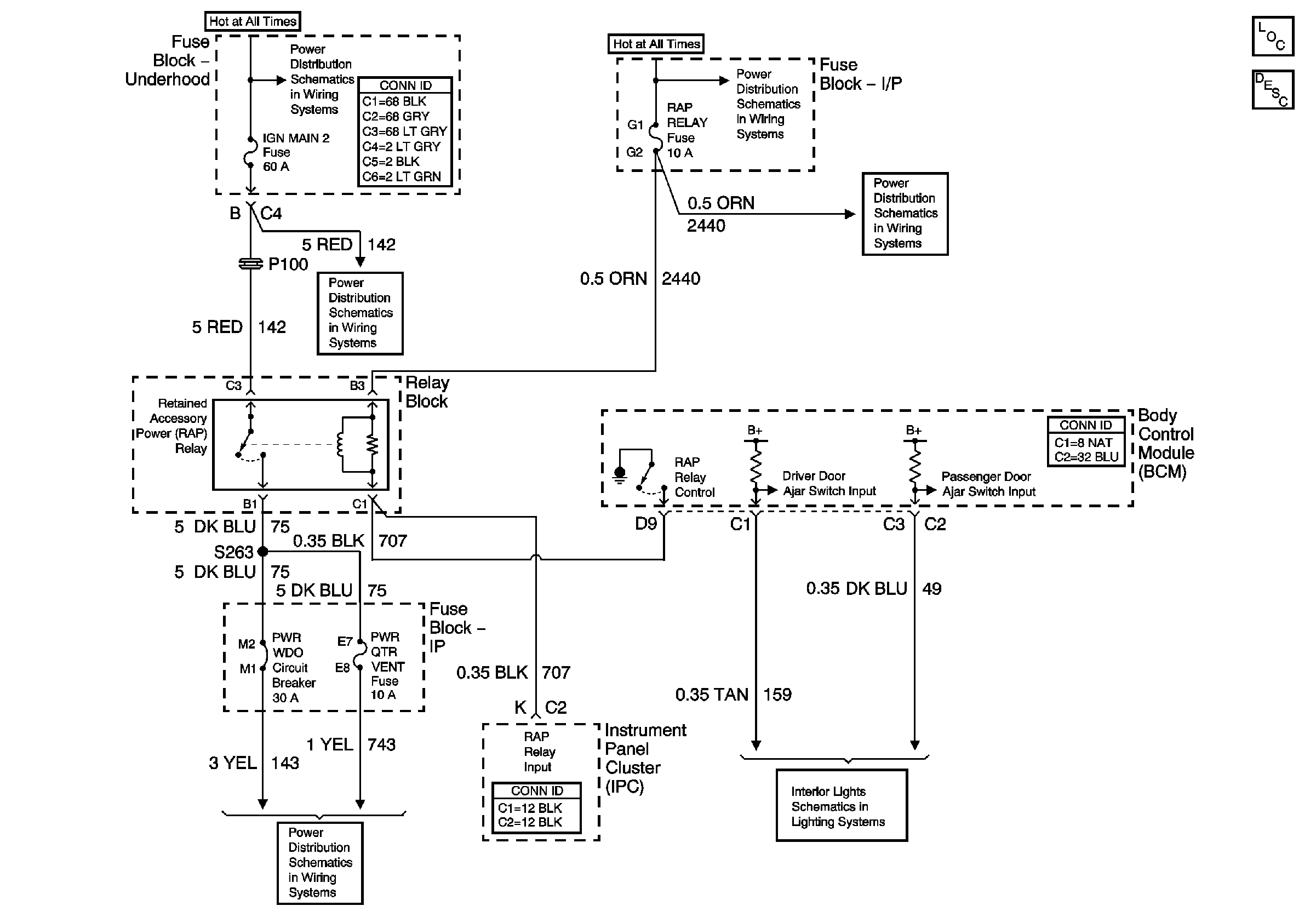
🢒 Retained Accessory Power (RAP)
Retained Accessory Power (RAP)
Master Electrical Component List
Retained Accessory Power (RAP) Description and Operation
IGN Main 2, BCM PRGRM, RR WPR/WSHR, MALL/CLUSTER and FRT/WPR/WSHR Fuses
BATT Main 1 and Fuse Block - I/P Fuses
IGN Main 2, BCM PRGRM, RR WPR/WSHR, MALL/CLUSTER and FRT/WPR/WSHR Fuses
BATT Main 1 and Fuse Block - I/P Fuses
RAP Relay, Fuse Block - Underhood, and Fuse Block - I/P Fuses
Door Locks, Sliding Door Jamb Switches and Liftgate Door Lock