| Figure 1: |
Power, Ground, MIL, DLC
|
| Figure 2: |
Ignition System, Knock Sensor
|
| Figure 3: |
Fuel Control
|
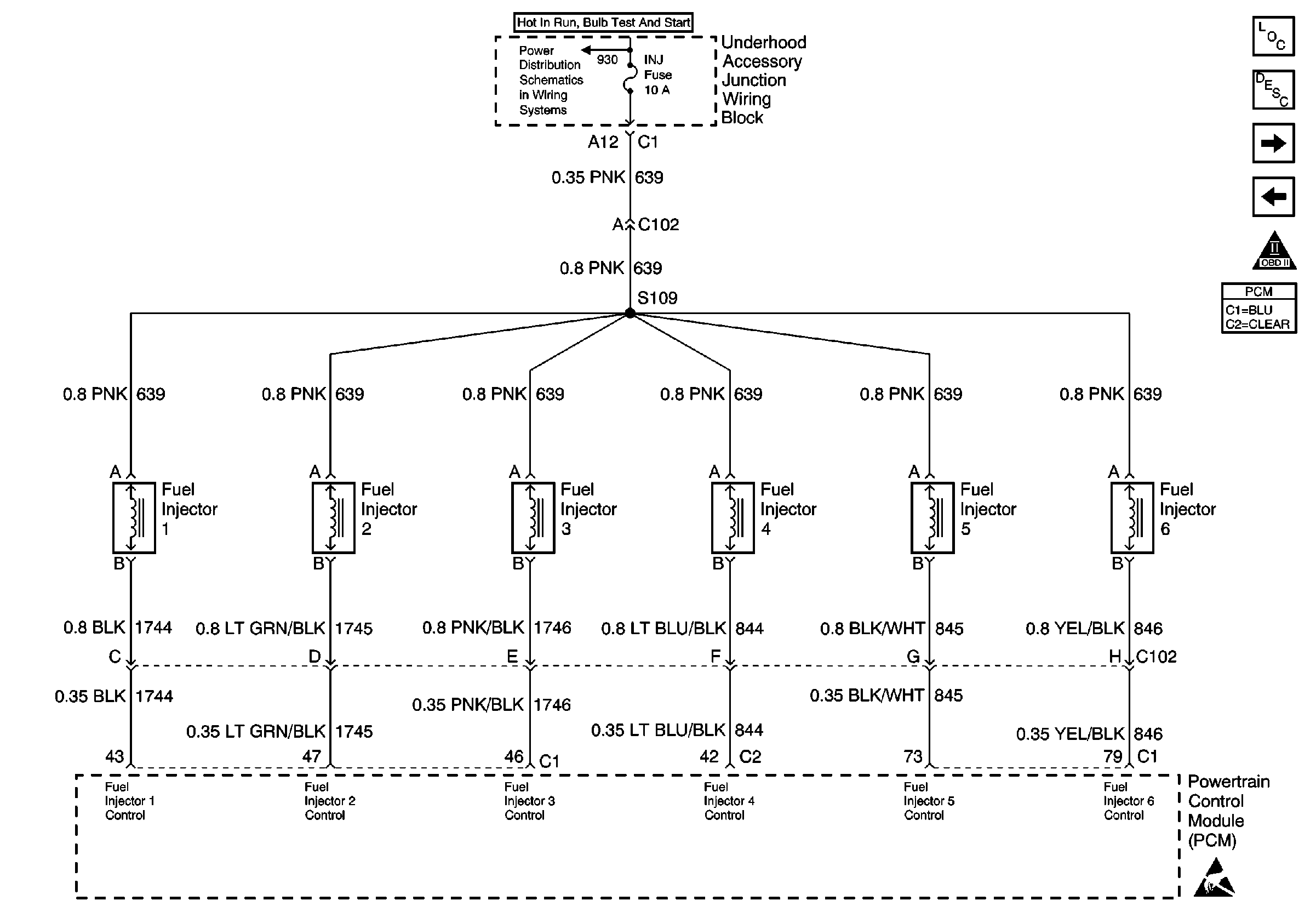
| Figure 4: |
Fuel Injectors
|
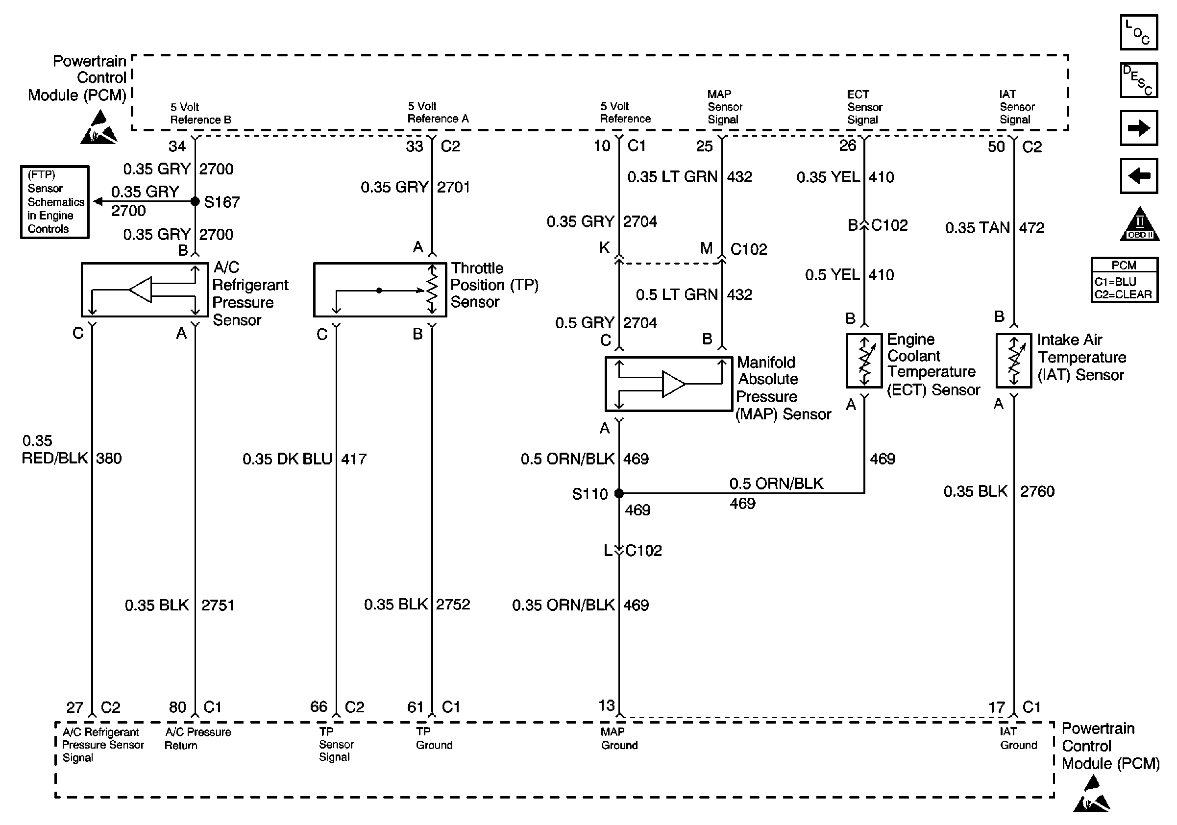
| Figure 5: |
Engine Data Sensors, A/C Refrig Press, TP, MAP, ECT, IAT
|
| Figure 6: |
Engine Data Sensors, MAF, EVAP Switch, EVAP Valve, EGR
|
| Figure 7: |
Engine Data Sensors, HO2S1, HO2S2
|
| Figure 8: |
IAC Valve, EBTCM, Engine Oil Level Sensor
|
| Figure 9: |
A/C Compressor Controls
|
| Figure 10: |
Coolant Fans
|
| Figure 11: |
VSS
|
| Figure 12: |
Automatic Transaxle, (1 of 2)
|
| Figure 13: |
Automatic Transaxle, (2 of 2)
|
| Figure 14: |
Transaxle Range Switch
|