GM Service Manual Online
For 1990-2009 cars only
Makes
🢒
Oldsmobile
🢒
2000
🢒
Silhouette Ext.
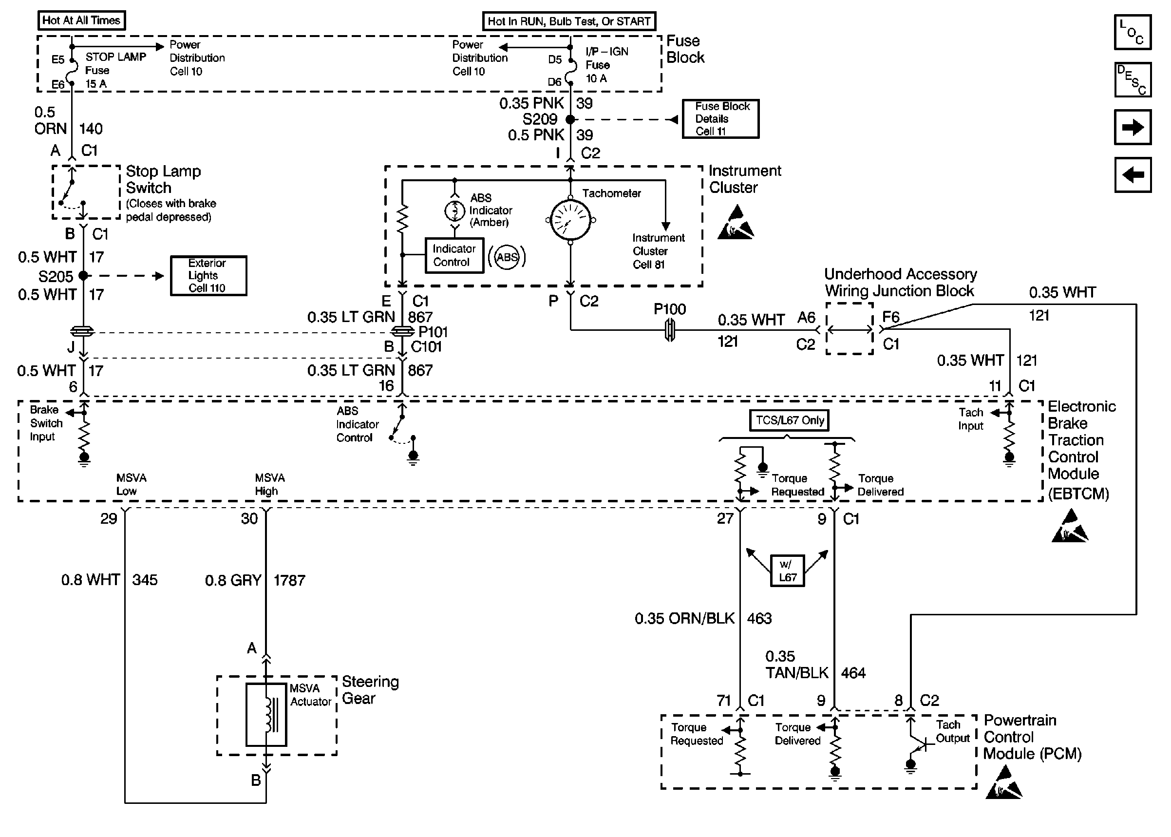
🢒 Cell 44: Instrument Cluster Indicators, MSVA and Stop Lamp Switch
Cell 44: Instrument Cluster Indicators, MSVA and Stop Lamp Switch
Cell 44: Instrument Cluster Indicators, MSVA and Stop Lamp Switch
Cell 10
Cell 110: Hazard Lamp/Turn Signal Lamp Flasher, Center High Mounted Stoplamp (CHMSL)
Cell 11: DRL, CANISTER VENT, PWR DROP, TURN, SIR, IP-IGN, CRUISE and ECM Fuses
Handling ESD Sensitive Parts Notice
ABS Components
ABS Description
Cell 44: Driver Information Display and Trip Calculator
Cell 44: Power, Ground, Serial Data and EBTCM
Handling ESD Sensitive Parts Notice
Handling ESD Sensitive Parts Notice