GM Service Manual Online
For 1990-2009 cars only
Makes
🢒
Oldsmobile
🢒
2002
🢒
Silhouette Ext.
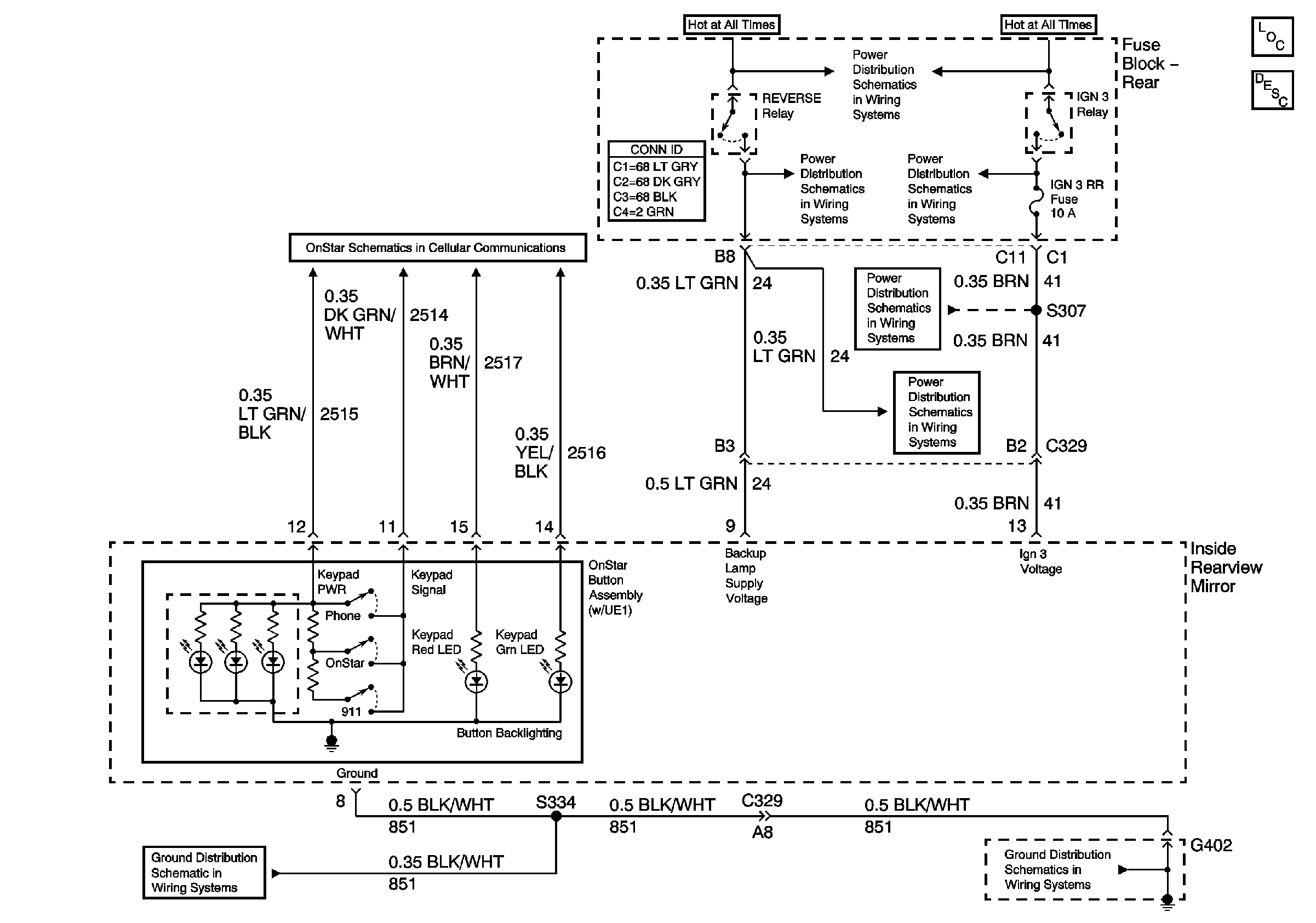
🢒 Inside Rear View Mirror Schematic
Inside Rear View Mirror Schematic
Master Electrical Component List
Keypad Controls
IGN SW, PRK/REV Fuses and the PARK and REVERSE Relays (Fuse Block -Rear)
Battery Voltage to the Rear Fuse Block
Battery Voltage to the Rear Fuse Block
IGN 3 and ABS Fuses (Fuse Block - Rear)
G402
G402