GM Service Manual Online
For 1990-2009 cars only
Makes
🢒
Oldsmobile
🢒
2002
🢒
Silhouette Ext.
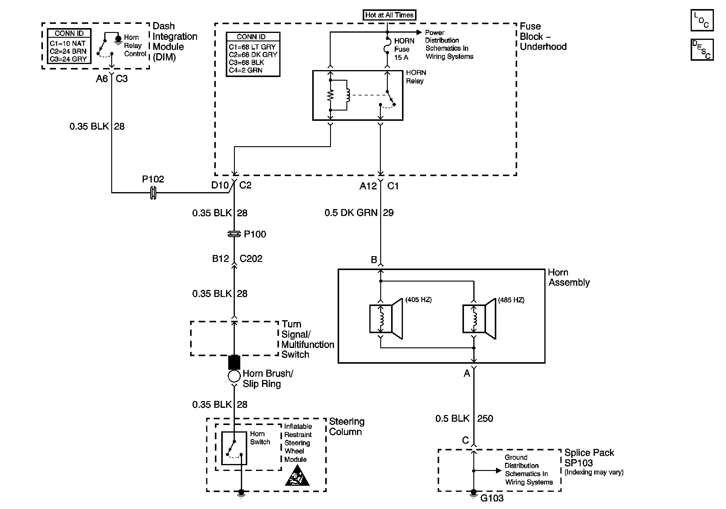
🢒 Horn Schematic
Horn Schematic
Master Electrical Component List
Battery Feed to the Fuse Block - Underhood
G103