GM Service Manual Online
For 1990-2009 cars only
Makes
🢒
Oldsmobile
🢒
2002
🢒
Silhouette Ext.
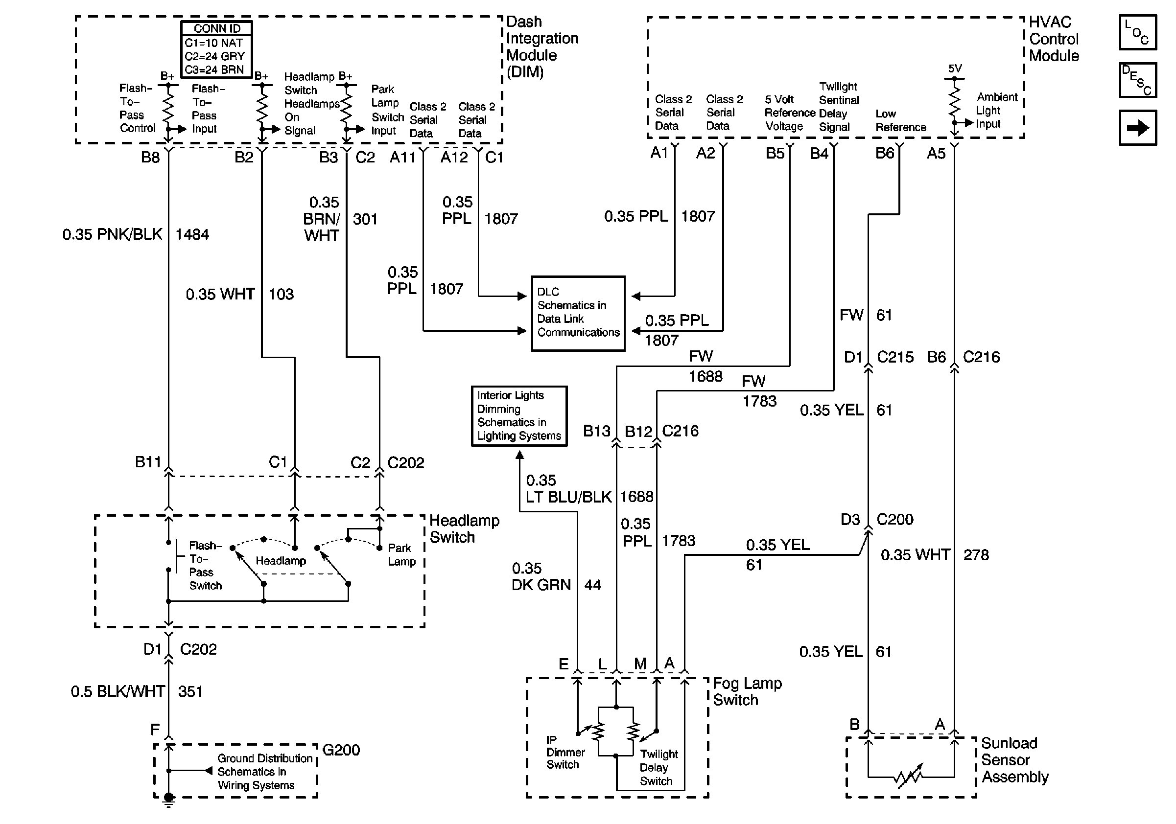
🢒 Headlamp, Foglamp, and Ambient Light Sensor Inputs (w/C67)
Headlamp, Foglamp, and Ambient Light Sensor Inputs (w/C67)
Headlamp, Foglamp, and Ambient Light Sensor Inputs (w/C67)
Master Electrical Component List
Headlamp, Foglamp, and Ambient Light Sensor Inputs (w/CJ2)
Class 2 Serial Data
Dimming Controls
G200