GM Service Manual Online
For 1990-2009 cars only
Makes
🢒
Oldsmobile
🢒
2002
🢒
Silhouette Ext.
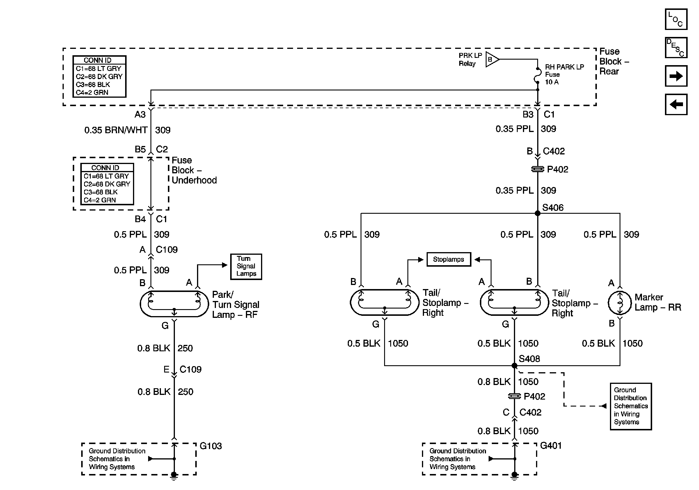
🢒 Right Park and Side Marker Lamps
Right Park and Side Marker Lamps
Right Park and Side Marker Lamps
Master Electrical Component List
PARK LP Relay and License Lamps
PARK LP Relay and License Lamps
Turn Signal Lamps and Indicators
Left Park and Side Marker Lamps
G401 (2 of 2)
Stoplamps
G401 (2 of 2)
G103