GM Service Manual Online
For 1990-2009 cars only
Makes
🢒
Oldsmobile
🢒
2004
🢒
Silhouette Ext.
🢒
Transmission/Transaxle
🢒
Shift Lock Control
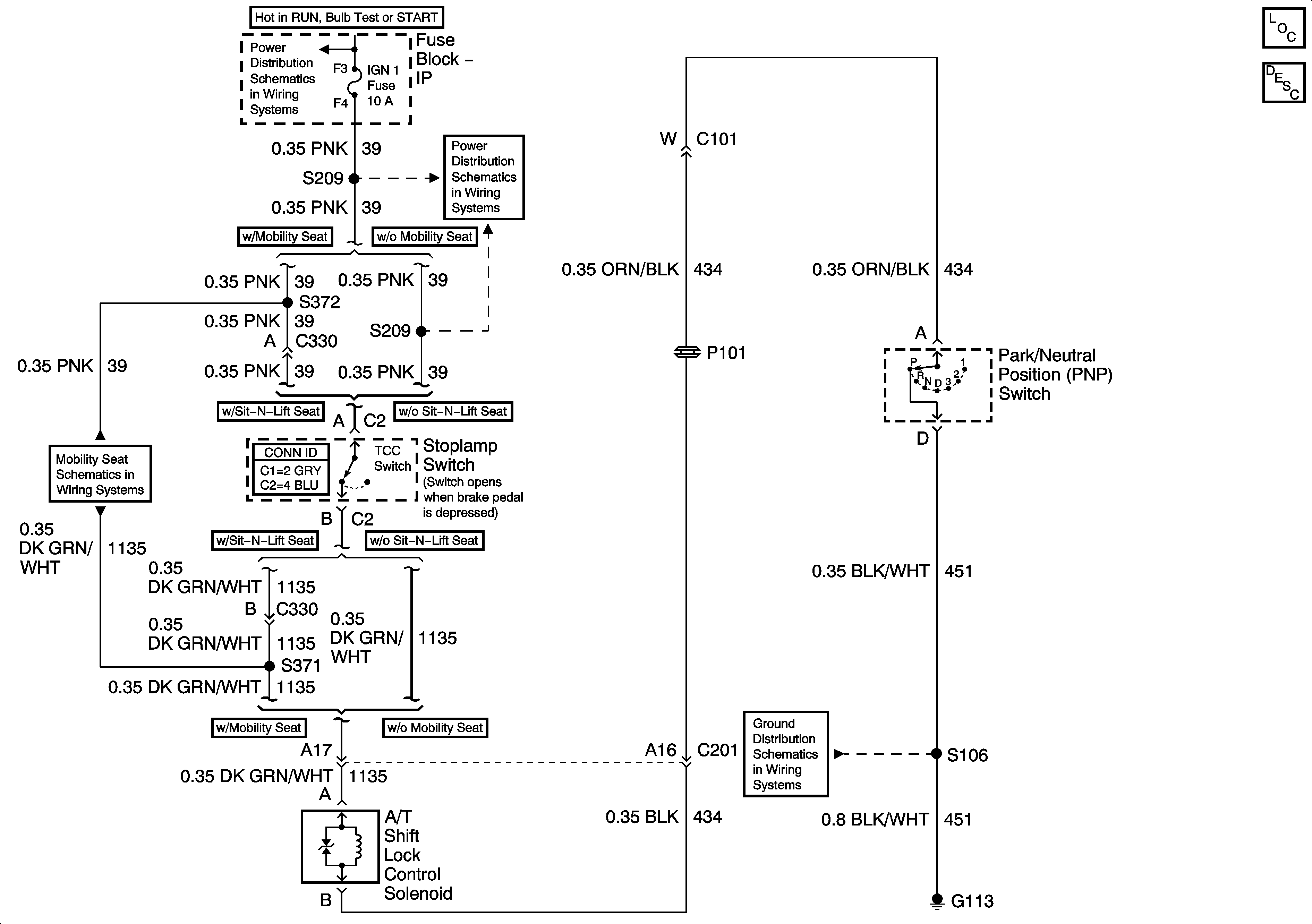
🢒 Shift Lock Control Schematics
Master Electrical Component List
Automatic Transmission Shift Lock Control Description and Operation
IGN Main 1, SDM, T/SIG, CRUISE and PCM PASS KEY/CLUSTER Fuses
IGN Main 1, SDM, T/SIG, CRUISE and PCM PASS KEY/CLUSTER Fuses
G101, G111, and G113