GM Service Manual Online
For 1990-2009 cars only

    Object Number: 1217077  Size: SH

    Important: Replace the turbine shaft bushing if specifications are not met.

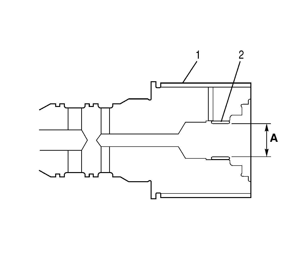
  1. Inspect the bushing (2) inside the end of the turbine shaft (1) for damage.
  2. Measure the inside diameter of the turbine shaft bushing at dimension A.
  3. Specification
    The maximum turbine shaft bushing ID is 20.117 mm (0.7920 in).