GM Service Manual Online
For 1990-2009 cars only

CAMPAIGN:POWER STEERING PUMP HOSE ASSEMBLY

Models/Years: Certain 1986 and 1987 Toronado and Trofeo Models

Condition

General Motors has determined that a defect which relates to motor vehicle safety exists in some 1986 and 1987 Oldsmobile Toronado and Trofeo models. These vehicles may have insufficient clearance between the power steering pump pressure hose assembly and the transaxle governor/speed sensor connector. This condition could cause abrasion of the power steering pump pressure hose assembly and result in a fluid leak. The location of the leak, near the exhaust manifold, combined with the high pressure of the fluid, could result in an underhood fire without prior warning.

Vehicles Involved

Involved are certain 1986 and 1987 Toronado and Trofeo model vehicles assembled at the Hamtramck Plant from the start of 1986 model year production through the end of 1987 model year production.

Dealer Action

To prevent the possibility of this condition occurring on vehicles involved, dealers are to replace the power steering pump pressure hose assembly, per the Service Procedure section of this bulletin.

Dealers are to perform this campaign on all involved vehicles at no charge to owners, regardless of mileage, age of vehicles, or ownership from this time forward.

Whenever a vehicle subject to this campaign is taken into your new or used car inventory, or it is in your dealership for service, you are to ensure the campaign correction has been made before selling or releasing the vehicle.

Dealers are to contact owners of vehicles recently sold from your new vehicle inventory and arrange for the campaign correction to be performed.

Service Procedure

1. Open hood, cover right front fender, and disconnect negative battery cable.

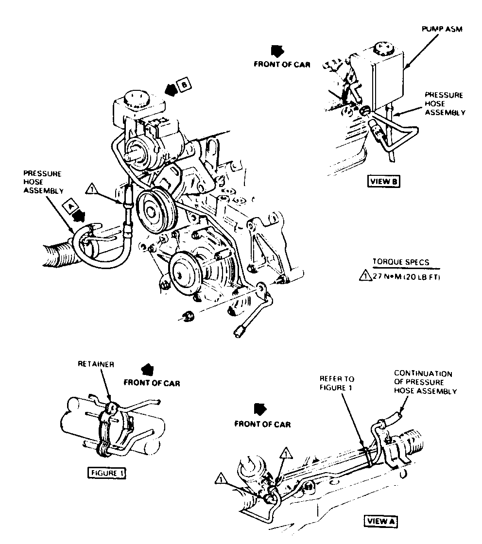
2. Raise vehicle on hoist, remove heat shield and pipe retainer, disconnect power steering pump pressure hose assembly at gear. See illustration.

3. Lower vehicle, remove belt from power steering pump pulley and disconnect power steeering pump pressure hose assembly at pump.

Notice: On some vehicles, it may be necessary to disconnect the return hose at the pump, remove the pump and pressure hose assembly from the vehicle, drain fluid from the pump, and mount the pump upside down in a vise (with the hose assembly up to prevent spring and flow control valve from falling out if union fitting on pump loosens). Spin off the pressure hose assembly.

The torque on the union at the pump should be checked for 75 N.m (55 lbs.ft.) if this method is used. To torque the union, the power steering pump pulley must first be backed off about 19 mm 93/4 inch) with tool J 25034-B to allow socket access to the union hex. Reposition the pulley using tool J 25033-B.

4. Reverse Steps (2) and (3) to install new power steering pressure hose assembly, Part Number 26013680. See illustration for torques and routing information. Connect negative battery cable.

5. Fill and bleed power steering system, following procedure outlined below.

A. Raise the front of vehicle until the front wheels are off the ground.

B. Make sure power steering reservoir is filled with power steering fluid to the proper level and maintain level during Steps (C) and (D).

C. With engine turned off (not running), slowly turn the steering wheel from lock to lock.

D. Have an observer watch the fluid in the reservoir as the steering wheel is being turned. Continue turning steering sheel until air bubbles are no longer seen rising from the fluid.

6. Check system for leaks and proper operation.

7. Install a Campaign Identification Label.

8. Remove cover and close hood.

Campaign Identification Label

Each label provides space to print the campaign number and the five (5) digit dealer code of the dealer performing the campaign. Insert this information with a typewriter or ballpoint pen. When installing label, clean and dry the surface of the radiator support tie bar and apply the campaign label where it is readily visible.

Parts Information

To ensure parts are obtained as soon as possible, order them from GM Service Parts Operations (GMSPO) on a CIO order, with NO special instruction code, but order on an Advise Code (2). Use the following part numbers:

Description Part Number Quantity per Vehicle ----------- ----------- --------------------- Power Steering Pressure 26013680 1 Hose Assembly (GMSPO Name: Hose, P.S. Gear Inlet)

Warranty Claim Information

PC Part No. Tot Pts TC Lab OP L Hrs St Sublet -- -------- ------- -- ------ ----- -- ------ Replace power steering pump pressure hose assembly

96 V4690 .8* -- ---

* .1 hour for clerical administration may be added to the above operation.

Parts Allowance: Current dealer price, plus 30% handling allowance.

An allowance for power steering fluid may be applied for in the normal manner; list two (2) "parts" on the "TOT-PTS" column.

Dear Oldsmobile Owner:

This notice is sent to you in accordance with the requirements of the National Traffic and Motor Vehicle Safety Act.

Reason for this Recall

General Motors has determined that a defect which relates to motor vehicle safety exists in some 1986 and 1987 Oldsmobile Toronado and Trofeo models. These vehicles may have insufficient clearance between the power steering pump pressure hose assembly and the transaxle governor speed sensor connector. This condition could cause abrasion of the power steering pump pressure hose assembly and result in a fluid leak. The location of the leak, near the exhaust manifold, combined with the high pressure of the fluid, could result in an underhood fire without prior warning.

What We Will Do

To prevent the possibility of this condition occurring on your vehicle, your Oldsmobile dealer will replace the Power Steering Pump Pressure Hose Assembly. This service will be completed at no charge to you.

What You Should Do

Please contact your Oldsmobile dealer as soon as possible to arrange a service date.

If you notice a power steering fluid leak on your vehicle, contact your Oldsmobile dealer immediately. Please be advised that the loss of fluid would also result in the loss of power steering assist.

Instructions have been sent to your Oldsmobile dealer. It is estimated that parts will be available to your dealer July 5, 1988. The labor time to replace the hose is approximately fifty (50) minutes. Please allow additional time for your dealer to process your vehicle.

Your Oldsmobile dealer is best equipped to obtain parts and provide service to promptly correct your vehicle. However, if you take your vehicle to your dealer on the agreed service date, and they do not remedy this condition then or within five days, we suggest you contact the nearest Oldsmobile Zone Office, either in person or by telephone. The Zone Office will assist you and the dealer in getting your vehicle corrected. The location and telephone number of your nearest Zone Office may be obtained by telephoning Oldsmobile Customer Assistance at (517) 377-5546 or by writing to Oldsmobile Customer Assistance, 920 Townsend Street, Lansing, Michigan 48921-7061.

After contacting your dealer and the Zone Office, if you are still not satisfied that we have done our best to remedy this condition without charge within a reasonable time, you may write the Administrator, National Highway Traffic Safety Administration, 400 Seventh St. SW, Washington, D.,C. 20590 or call 800-424-9393 (Washington, D.C. residents call 366-0123).

Please give the enclosed owner reply card to your dealer so they can quickly identify your vehicle and the condition which needs correcting. If you no longer have this vehicle, please let us know by filling in the card and mailing it back to us. The postage has been paid for you.

We are sorry to cause you this inconvenience; however, we have taken this action for your safety and continued satisfaction with our products.


Object Number: 87235  Size: FS


Object Number: 88647  Size: SF

General Motors bulletins are intended for use by professional technicians, not a "do-it-yourselfer". They are written to inform those technicians of conditions that may occur on some vehicles, or to provide information that could assist in the proper service of a vehicle. Properly trained technicians have the equipment, tools, safety instructions and know-how to do a job properly and safely. If a condition is described, do not assume that the bulletin applies to your vehicle, or that your vehicle will have that condition. See a General Motors dealer servicing your brand of General Motors vehicle for information on whether your vehicle may benefit from the information.