GM Service Manual Online
For 1990-2009 cars only

PWR. STEERING PUMP NOISE OR INCREASED STEERING EFFORT

SUBJECT: POWER STEERING PUMP NOISE OR INCREASED STEERING EFFORT (NEW PUMP P/N AND DIAGNOSIS

VEHICLES AFFECTED: 1986 OLDSMOBILE C AND E CAR 1986 BUICK C AND E CAR 1987-90 PONTIAC H CAR 1987-90 OLDSMOBILE C, E AND H CAR 1987-90 BUICK C, E AND H CAR 1987-90 CADILLAC DEVILLE AND FLEETWOOD

This bulletin is being revised to add the Cadillac bulletin to the end of this text and add the 1989 and 1990 model years.

Some customers may comment about the level of power steering system noise, increased steering effort during long-duration turns and/or aggressive driving maneuvers or both conditions.

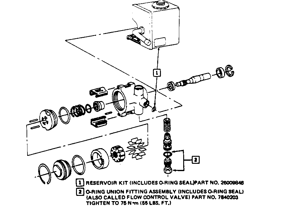
In cases where customers have comments about power steering system noise, even after bleeding the power steering system (see New Bleed procedure below), the power steering noise condition can be corrected by installing a new reservoir, P/N 26012167. This new reservoir has increased baffling and is approximately 6mm taller, and will prevent fluid aeration due to sloshing.

The steering effort condition can be corrected by installing a new flow control valve, P/N 7841851 Refer to figure 1.

On a customer's first report of power steering noise, the steering system should be bled, using the following NEW procedure:

1. With the engine off and front wheels off of the ground and turned all the way to the left, add power steering fluid to the "Full Cold" mark on the fluid level indicator.

2. Bleed the system by turning the wheels from side to side without hitting stops. It may require turning the wheel several times. Keep the fluid level at the "Full Cold" mark. Fluid with air in it has a tan appearance. This air must be eliminated before normal steering action can be obtained.

3. Start the engine. with the engine idling, recheck the fluid level. If necessary, add fluid to bring the level to the "Full Cold" mark.

4. Return the wheels to the centre position. Lower front wheels to ground. Continue running the engine for two or three minutes.

5. Road test the car to be sure the steering functions normally and is free from noise. Inspect for fluid leakage at connection points along the power steering system.

6. Recheck the fluid level. Make sure the fluid level is at the "Hot" mark after the system has stabilized at its operating temperature.

NOTICE: When adding fluid or making a complete fluid change, always use GM Part No. #992646, or equivalent, power steering fluid Failure to use the proper fluid will cause hose and seal damage and fluid leaks.

* CADILLAC *

POWER STEERING SYSTEM NOISE

1987-1990 DEVILLES AND FLEETWOODS

Some 1987-1990 Devilles and Fleetwoods with base suspension may exhibit a condition of increased power steering system noise. This condition may be caused by the power steering pump. To repair this condition a new power steering pump, P/N 26012285, is available for service. The new pump has a reduced flow rate which reduces noise caused by the pump.

1987 and 1990 Devilles and Fleetwoods with touring ride and handling suspension (RPO FE2) must still be serviced with power steering pump P/N 26006703. These vehicles have a close ratio, higher effort steering gear that, when used with the new pump, could result in high steering efforts during certain maneuvers.

Refer to service bulletin 87-3-111, Group b, Section 3 of the appropriate service information manual for power steering noise diagnosis. Refer to Section 3B3 of the appropriate Service Information Manual for power steering pump service procedures. Refer to Service Bulletin 87-3-188, Group 3B, for revised power steering system bleed procedure.

For vehicles repaired under warranty use labour Operation E9050. Refer to appropriate year labor time guide for applicable time.


Object Number: 87365  Size: LF

General Motors bulletins are intended for use by professional technicians, not a "do-it-yourselfer". They are written to inform those technicians of conditions that may occur on some vehicles, or to provide information that could assist in the proper service of a vehicle. Properly trained technicians have the equipment, tools, safety instructions and know-how to do a job properly and safely. If a condition is described, do not assume that the bulletin applies to your vehicle, or that your vehicle will have that condition. See a General Motors dealer servicing your brand of General Motors vehicle for information on whether your vehicle may benefit from the information.