GM Service Manual Online
For 1990-2009 cars only
Makes
🢒
Opel
🢒
2007
🢒
Antara
🢒
Diagnostic Navigation
🢒
Vehicle Diagnostic Information
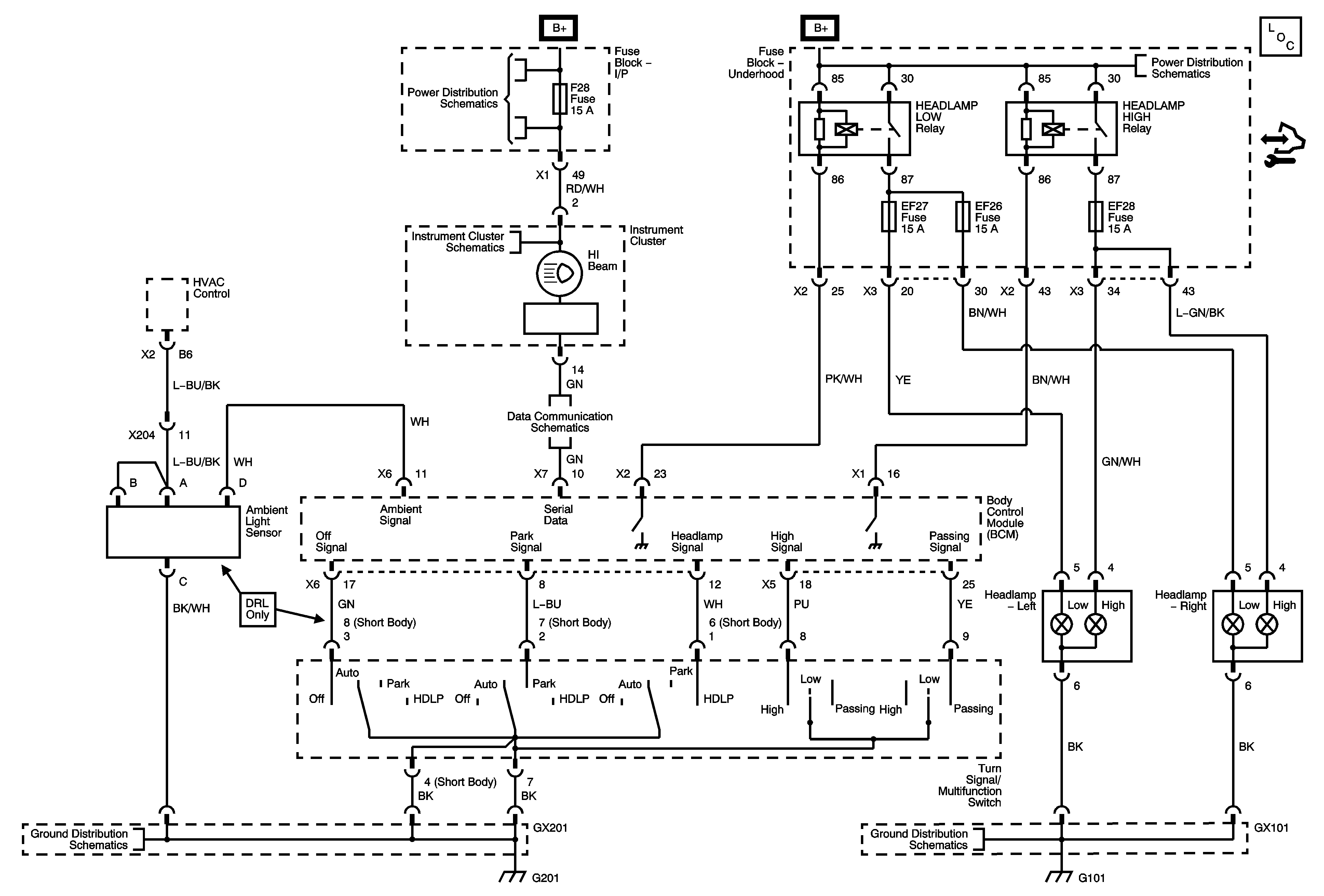
🢒 Headlights Schematics
Master Electrical Component List
Control Module References
F3, 5, 28, 32, 34 Fuses, Front Washer Pump Relay
EF26, 27, 28, 29 Fuses, Head Lamps, Fog Lamp Relays
Power, Ground, Gages
Data Link Connector (DLC)
Ground Distribution G201
Ground Distribution G101, G103, G105