GM Service Manual Online
For 1990-2009 cars only
Makes
🢒
Opel
🢒
2007
🢒
Antara
🢒
Diagnostic Navigation
🢒
Vehicle Diagnostic Information
🢒 SIR Schematics
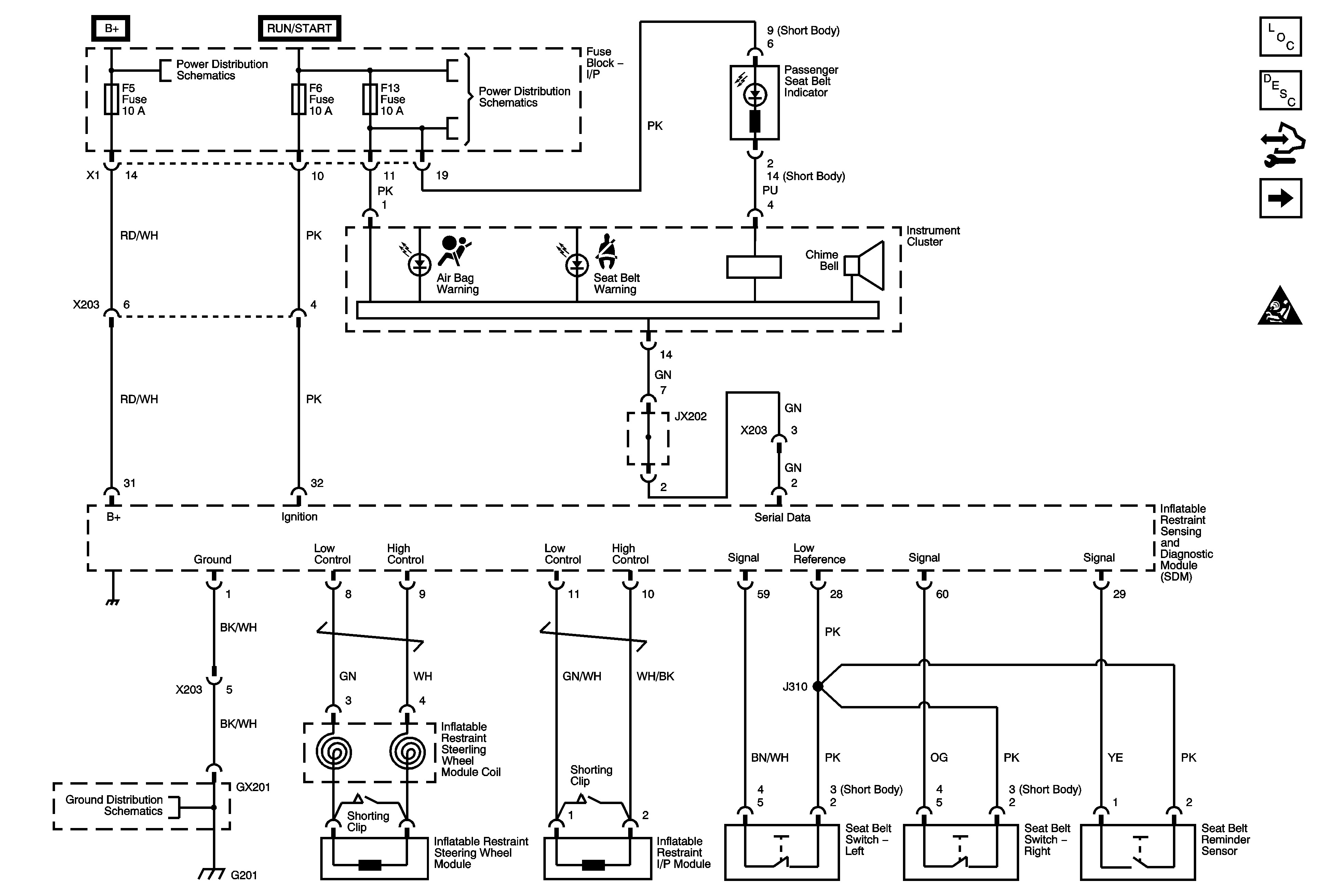
Figure
1:
SDM Power, Ground, Indicators, Seatbelt Switches, Inflator Modules
Master Electrical Component List
SIR System Description and Operation
Control Module References
Seatbelt Pretensioners, Inflator Modules, Sensors
SIR Schematic Icons
F3, 5, 28, 32, 34 Fuses, Front Washer Pump Relay
EF7, F6, 8, 9, 13, 17, 20, 25, 27, 29 Fuses, Run/Crank, Outside Rearview Mirror, Liftgate Glass Relays
Ground Distribution G201
Figure
2:
Seatbelt Pretensioners, Inflator Modules, Sensors
Master Electrical Component List
SIR System Description and Operation
Control Module References
SDM Power, Ground, Indicators, Seatbelt Switches, Inflator Modules
SIR Schematic Icons