GM Service Manual Online
For 1990-2009 cars only

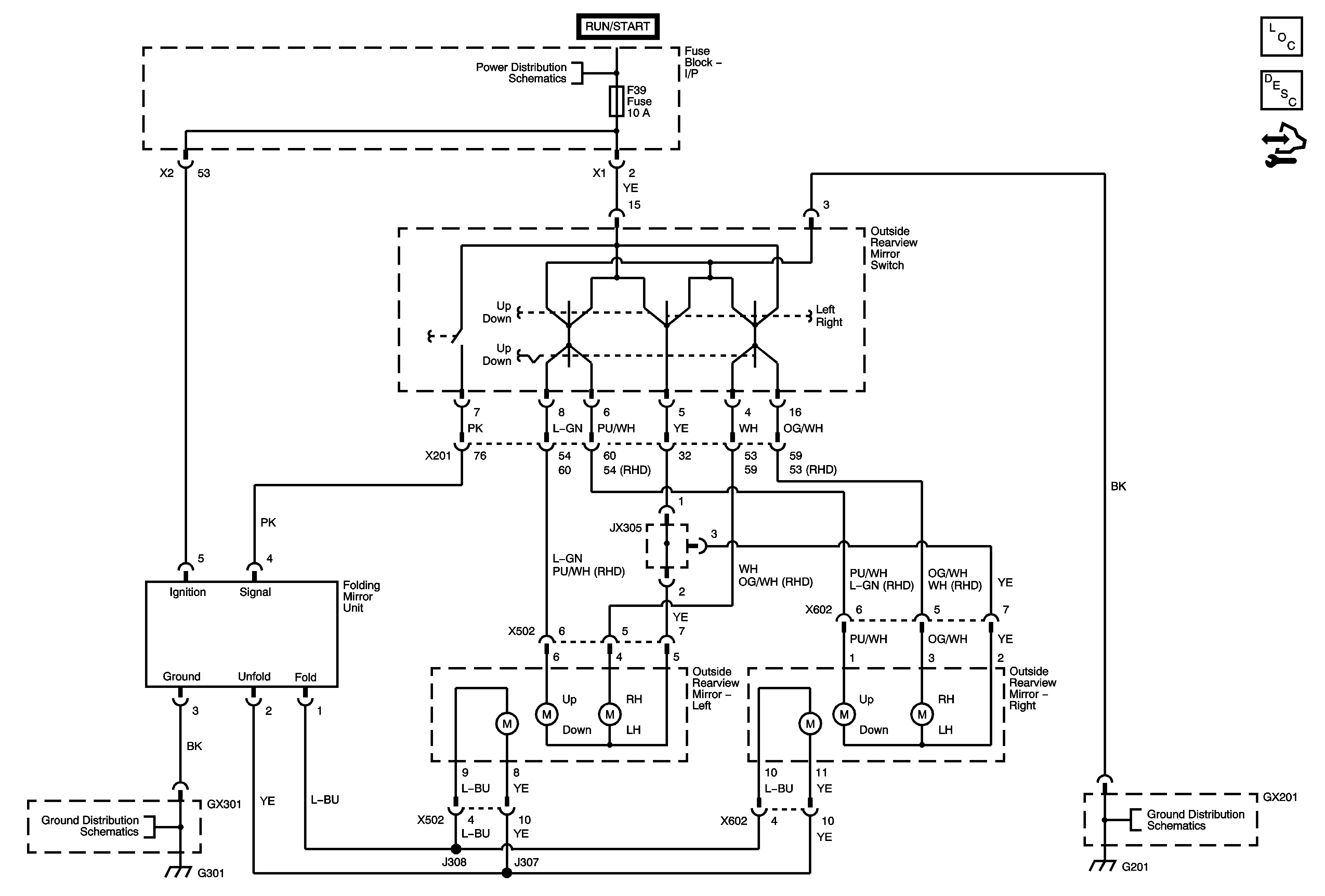
Outside Rearview Mirror Schematics Long Body


Object Number: 1822849  Size: FS
Master Electrical Component List
Control Module References
EF3, F1, 2, 10, 15, 18, 30, 33, 39 Fuses, Run, ACC/RAP Relays
Ground Distribution G301
Ground Distribution G201

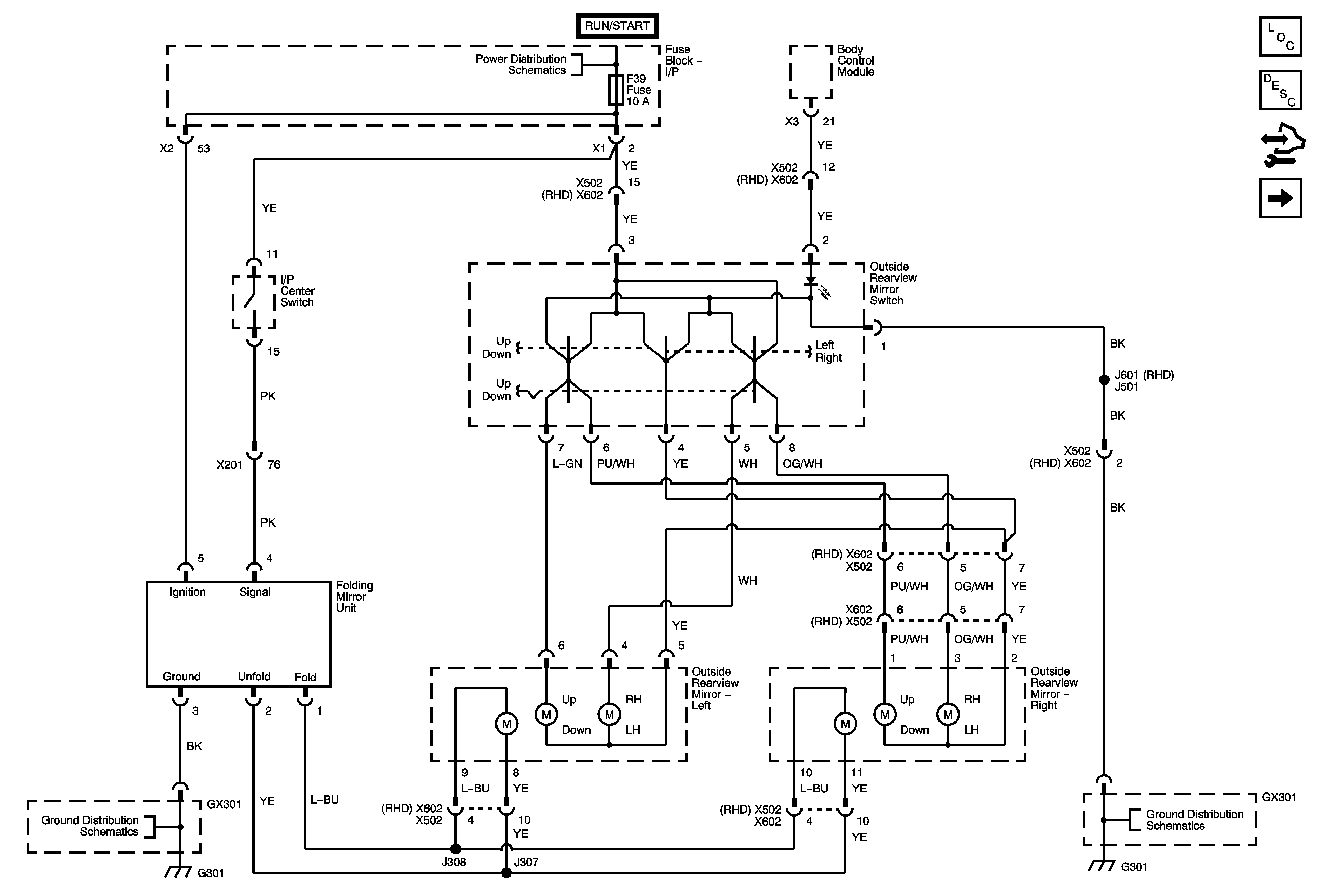
Outside Rearview Mirror Schematics Short Body

Figure 1:

1 of 2


Object Number: 1856762  Size: FS
Master Electrical Component List
Control Module References
Outside Rearview Mirror Schematics (2 of 2)
EF3, F1, 2, 10, 15, 18, 30, 33, 39 Fuses, Run, ACC/RAP Relays
Ground Distribution G301
Ground Distribution G301
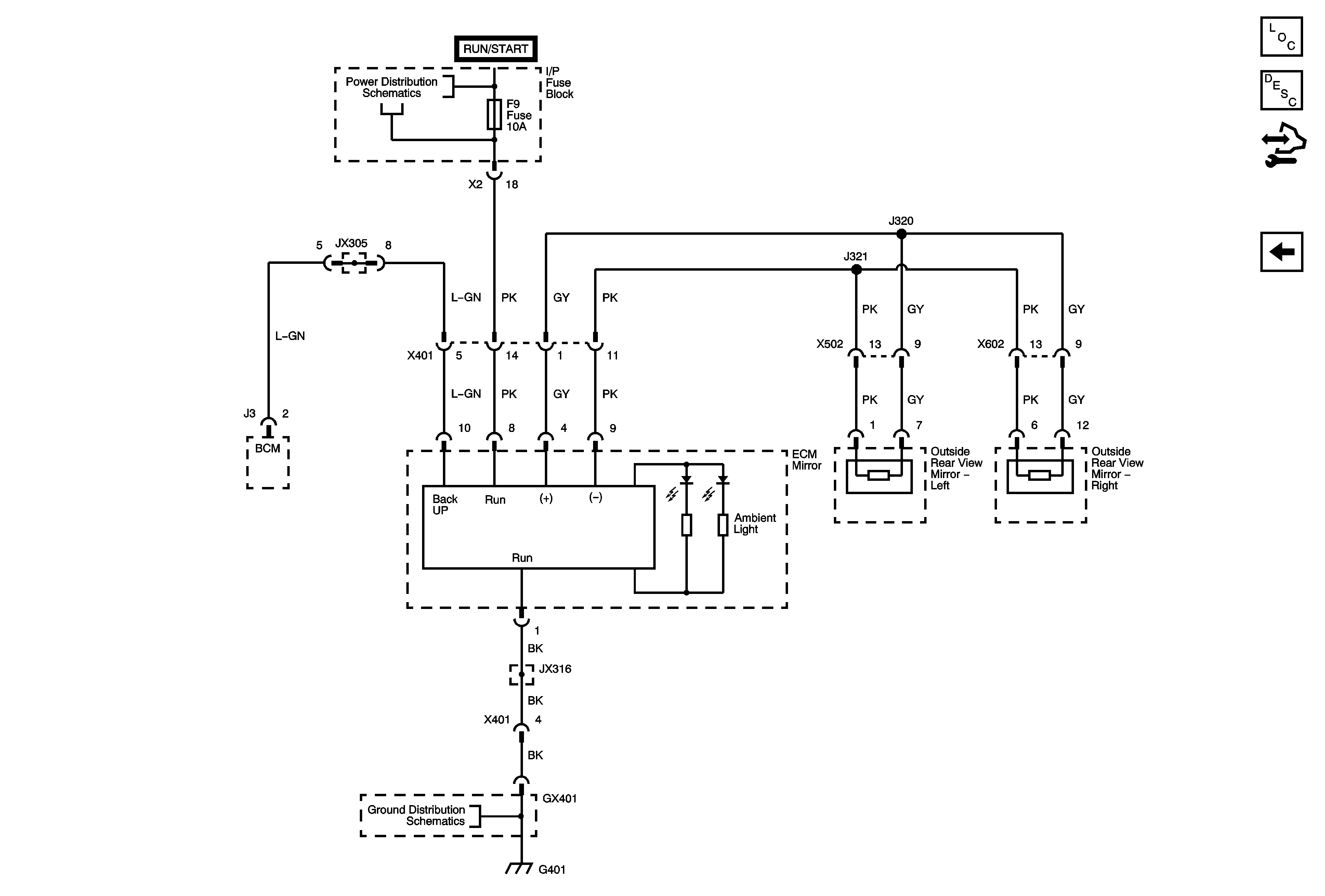
Figure 2:

2 of 2


Object Number: 1856763  Size: FS
Master Electrical Component List
Control Module References
Outside Rearview Mirror Schematics (1 of 2)
EF7, F6, 8, 9, 13, 17, 20, 25, 27, 29 Fuses, Run/Crank, Outside Rearview Mirror, Liftgate Glass Relays
Ground Distribution G401