GM Service Manual Online
For 1990-2009 cars only
Makes
🢒
Opel
🢒
2007
🢒
Antara
🢒
Driver Information and Entertainment
🢒
Displays and Gages
🢒 Driver Information System Schematics
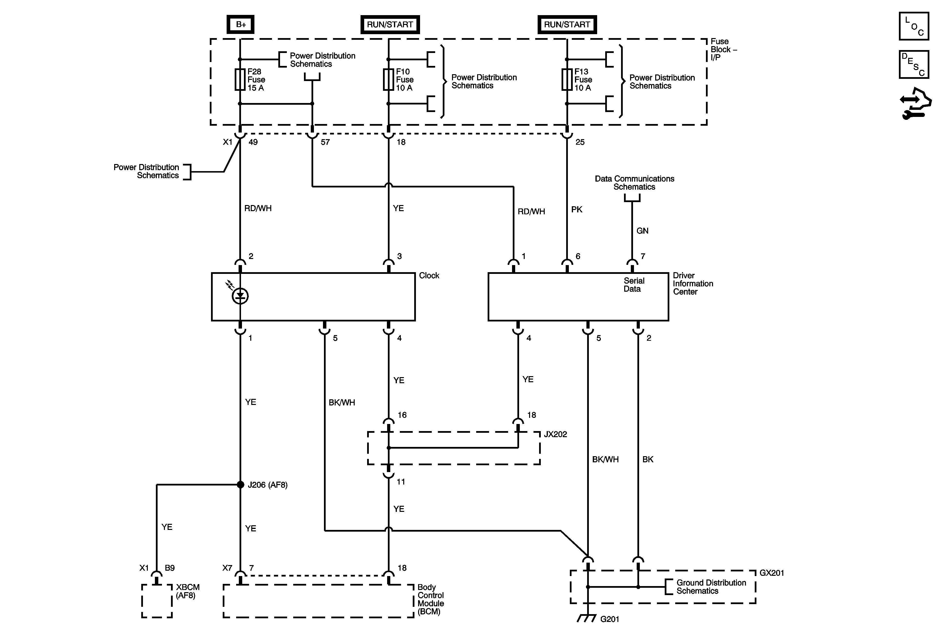
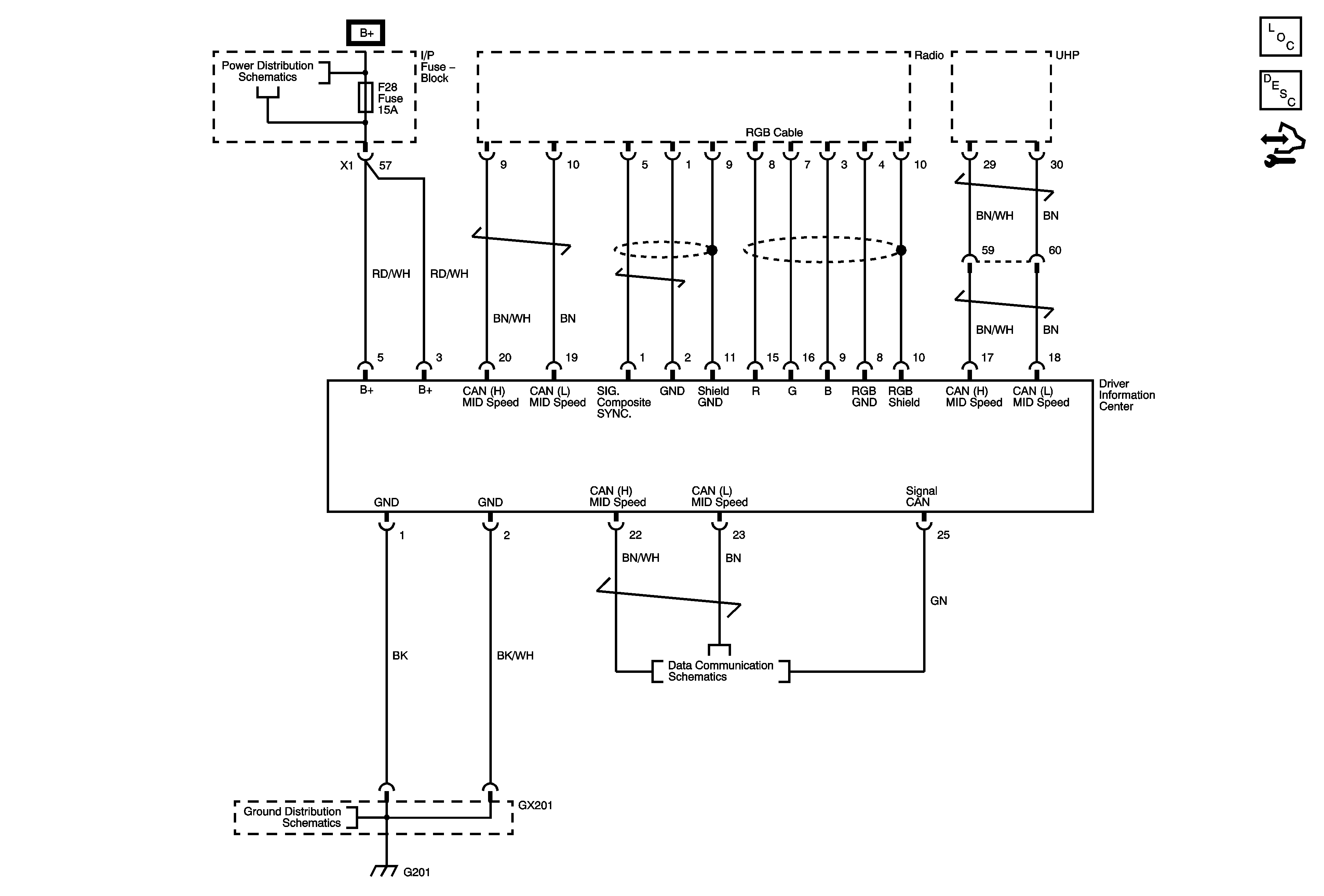
Driver Information System Schematics C100/Long Body
Master Electrical Component List
Instrument Cluster Description and Operation
Control Module References
F3, 5, 28, 32, 34 Fuses, Front Washer Pump Relay
EF3, F1, 2, 10, 15, 18, 30, 33, 39 Fuses, Run, ACC/RAP Relays
EF7, F6, 8, 9, 13, 17, 20, 25, 27, 29 Fuses, Run/Crank, Outside Rearview Mirror, Liftgate Glass Relays
F3, 5, 28, 32, 34 Fuses, Front Washer Pump Relay
Data Link Connector (DLC)
Ground Distribution G201
Driver Information System Schematics C105/Short Body
Master Electrical Component List
Instrument Cluster Description and Operation
Control Module References
F3, 5, 28, 32, 34 Fuses, Front Washer Pump Relay
Data Link Connector (DLC)
Ground Distribution G201