GM Service Manual Online
For 1990-2009 cars only
Makes
🢒
Opel
🢒
2007
🢒
Antara
🢒
Driver Information and Entertainment
🢒
Secondary and Configurable Customer Controls
🢒 Steering Wheel Secondary/Configurable Control Schematics
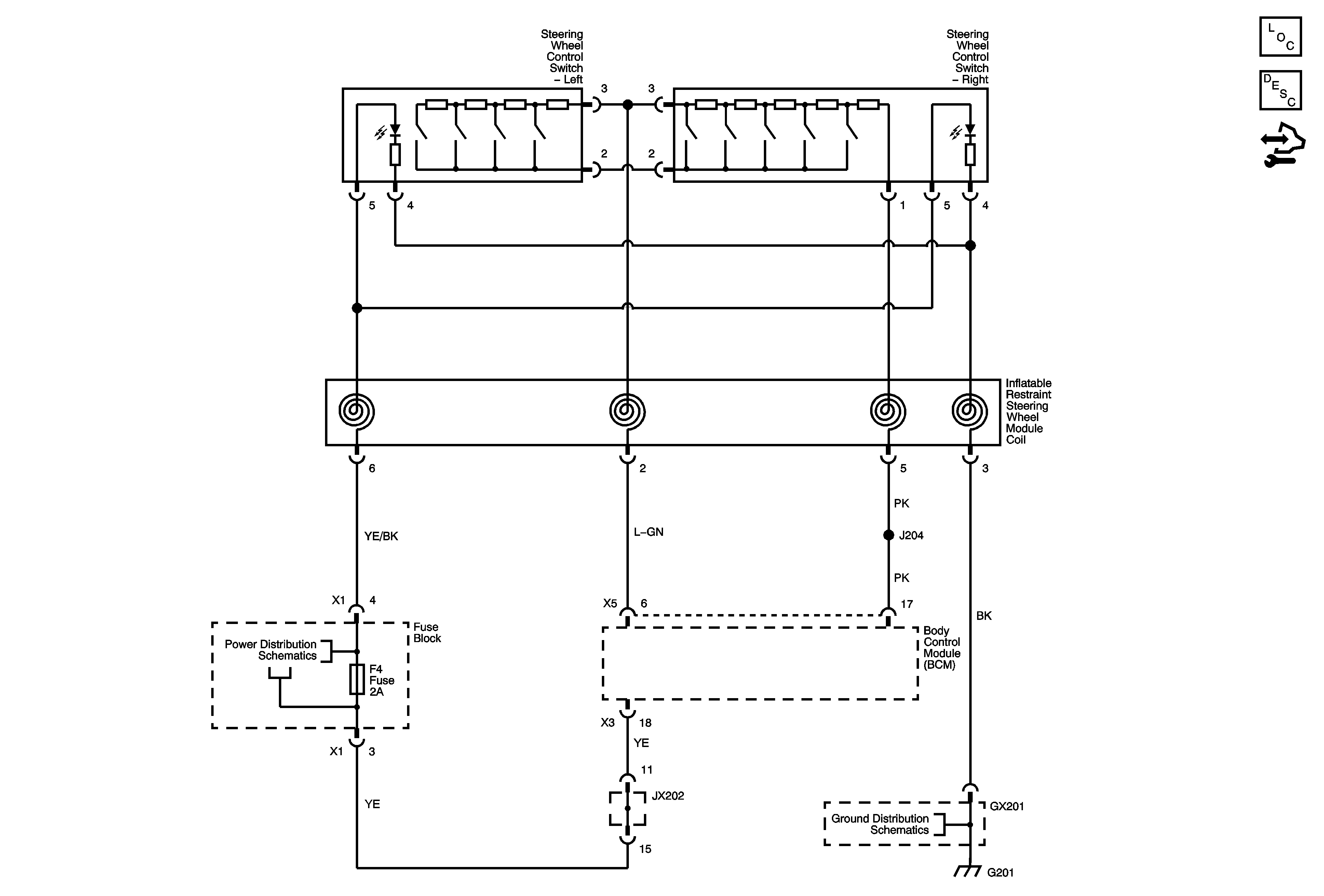
Steering Wheel Secondary/Configurable Control Schematics C100/Long Body
Master Electrical Component List
Control Module References
SIR Schematic Icons
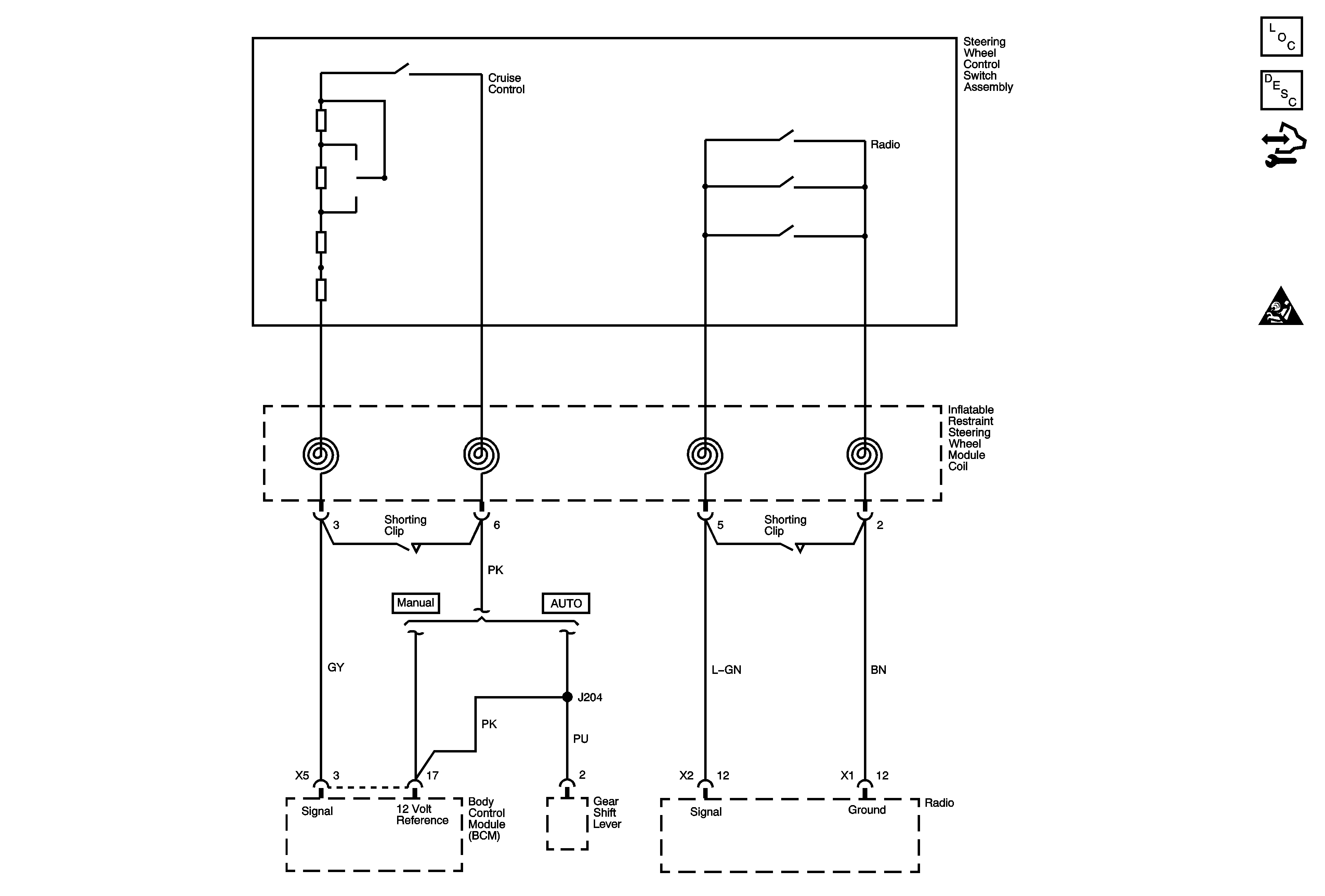
Steering Wheel Secondary/Configurable Control Schematics C105/Short Body
Master Electrical Component List
Control Module References
EF30, EF31, F4, F21, F22, F23 Fuses (Short Body)
Ground Distribution G201