GM Service Manual Online
For 1990-2009 cars only
Makes
🢒
Opel
🢒
2007
🢒
Antara
🢒
Brakes
🢒
Park Brake
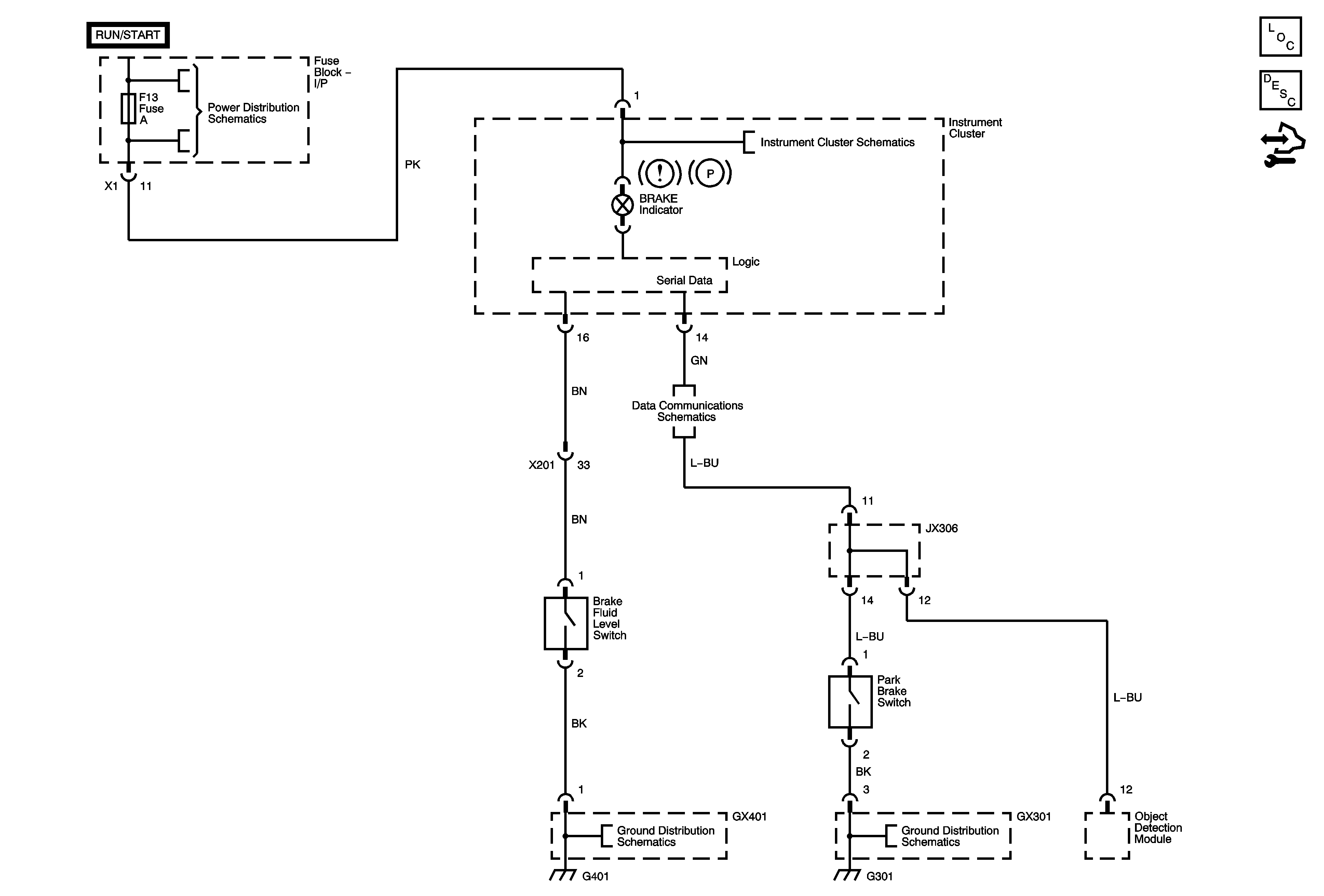
🢒 Park Brake System Schematics
Master Electrical Component List
Hydraulic Brake System Description and Operation
Control Module References
EF7, F6, 8, 9, 13, 17, 20, 25, 27, 29 Fuses, Run/Crank, Outside Rearview Mirror, Liftgate Glass Relays
Data Link Connector (DLC)
Ground Distribution G401
Ground Distribution G301