GM Service Manual Online
For 1990-2009 cars only
Makes
🢒
Opel
🢒
2007
🢒
Antara
🢒
Steering
🢒
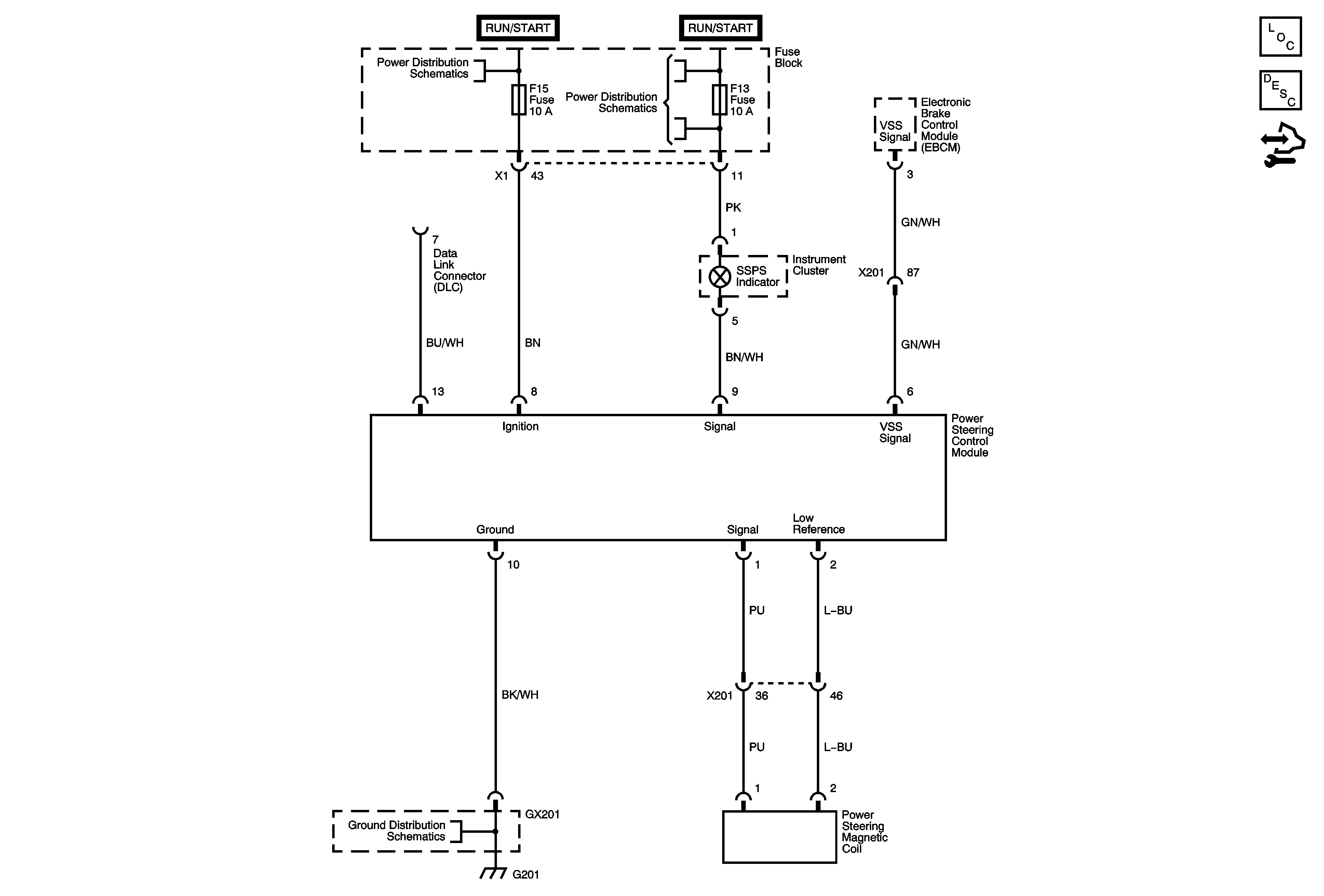
Variable Effort Steering
🢒 Steering Assist Schematics
Master Electrical Component List
Control Module References
EF3, F1, 2, 10, 15, 18, 30, 33, 39 Fuses, Run, ACC/RAP Relays
EF7, F6, 8, 9, 13, 17, 20, 25, 27, 29 Fuses, Run/Crank, Outside Rearview Mirror, Liftgate Glass Relays
Ground Distribution G201