GM Service Manual Online
For 1990-2009 cars only
Makes
🢒
Opel
🢒
2007
🢒
Antara
🢒
Seats
🢒
Power Seats
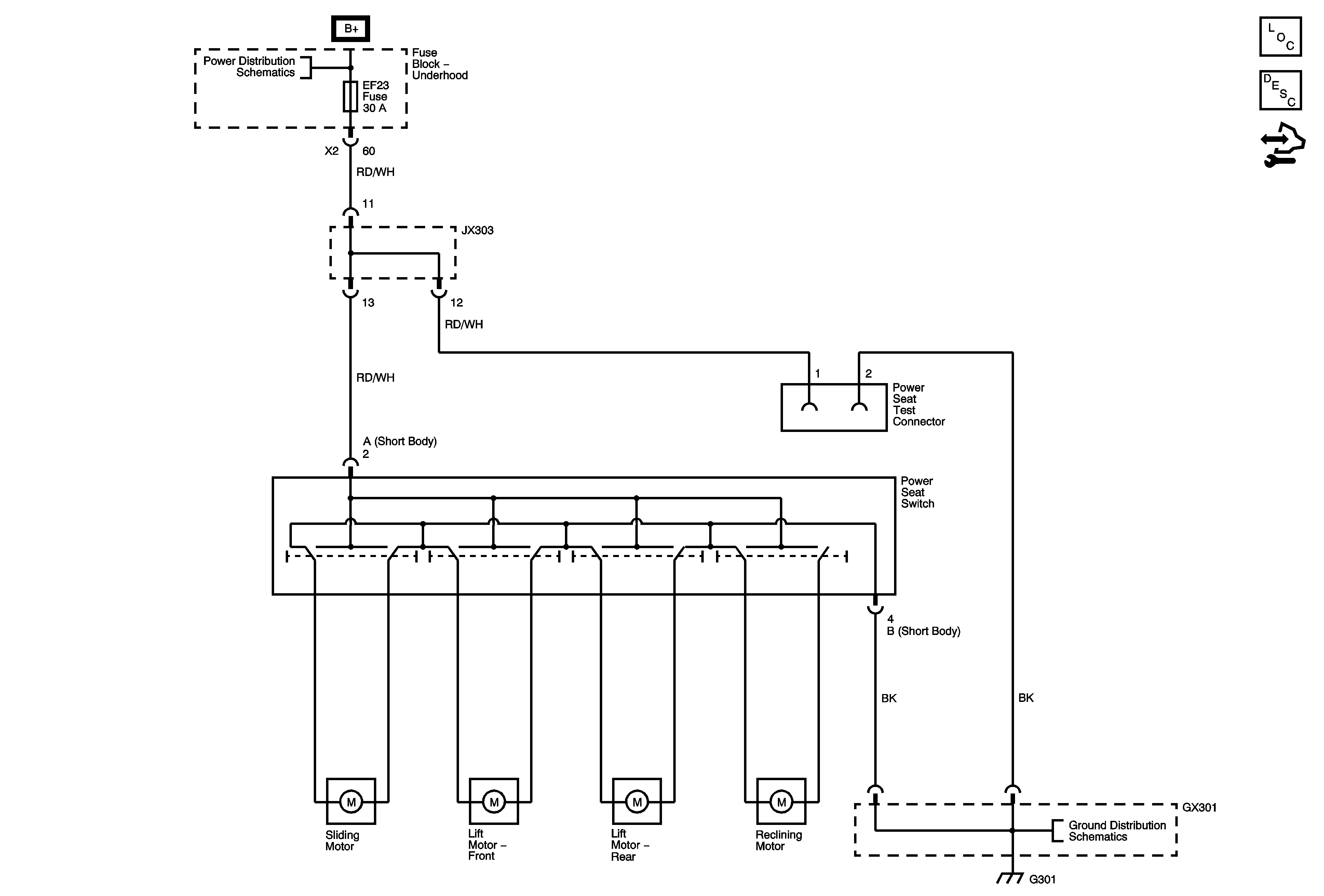
🢒 Driver Seat Schematics
Master Electrical Component List
Power Seats System Description and Operation
Control Module References
EF1, 4, 6, 17, 18, 19, 20, 23 Fuses
Ground Distribution G301