GM Service Manual Online
For 1990-2009 cars only
Makes
🢒
Opel
🢒
2007
🢒
Antara
🢒
Seats
🢒
Seat Heating and Cooling
🢒 Heated/Cooled Seat Schematics
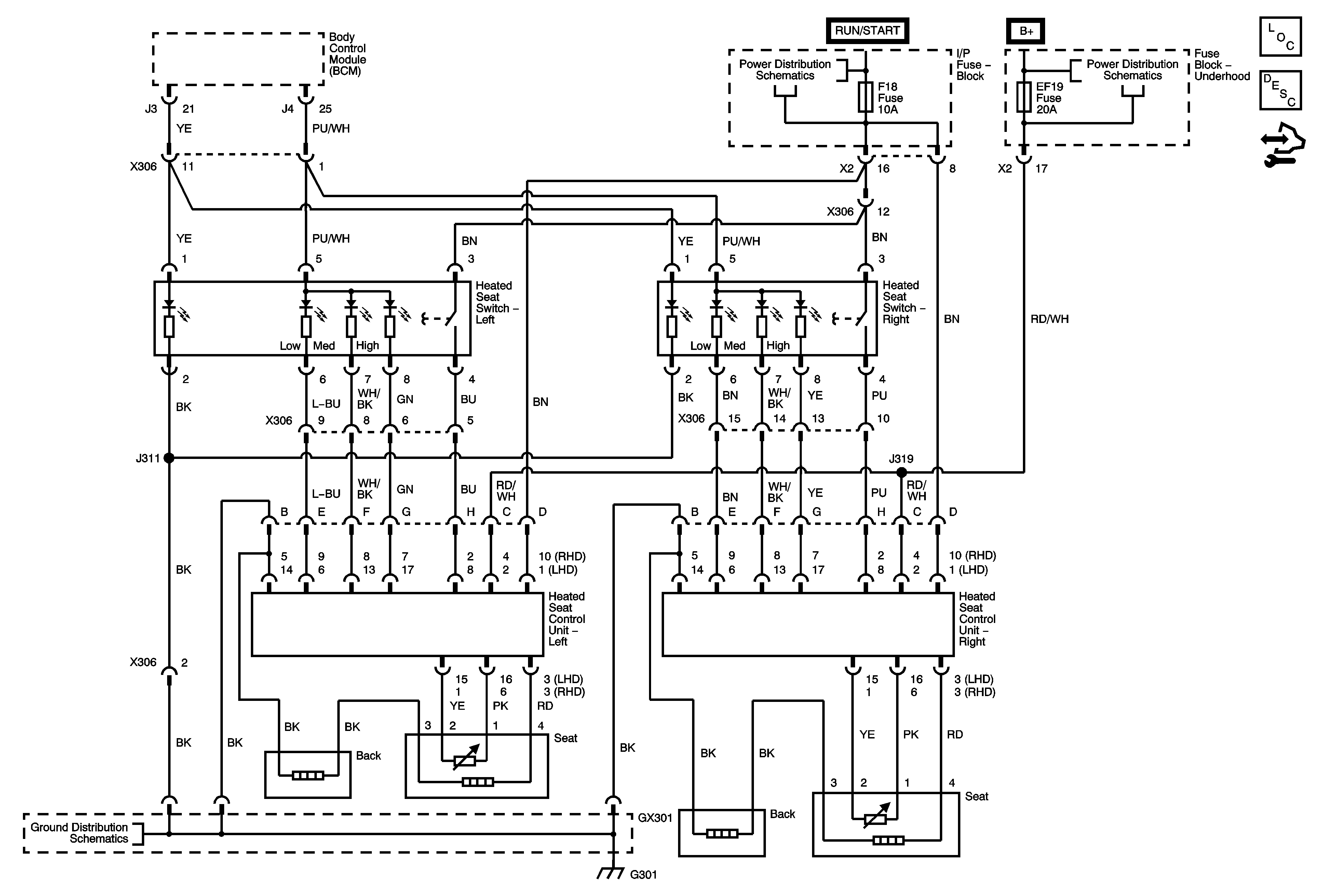
Heated/Cooled Seat Schematics C100/Long Body
Master Electrical Component List
Control Module References
EF3, F1, 2, 10, 15, 18, 30, 33, 39 Fuses, Run, ACC/RAP Relays
Ground Distribution G301
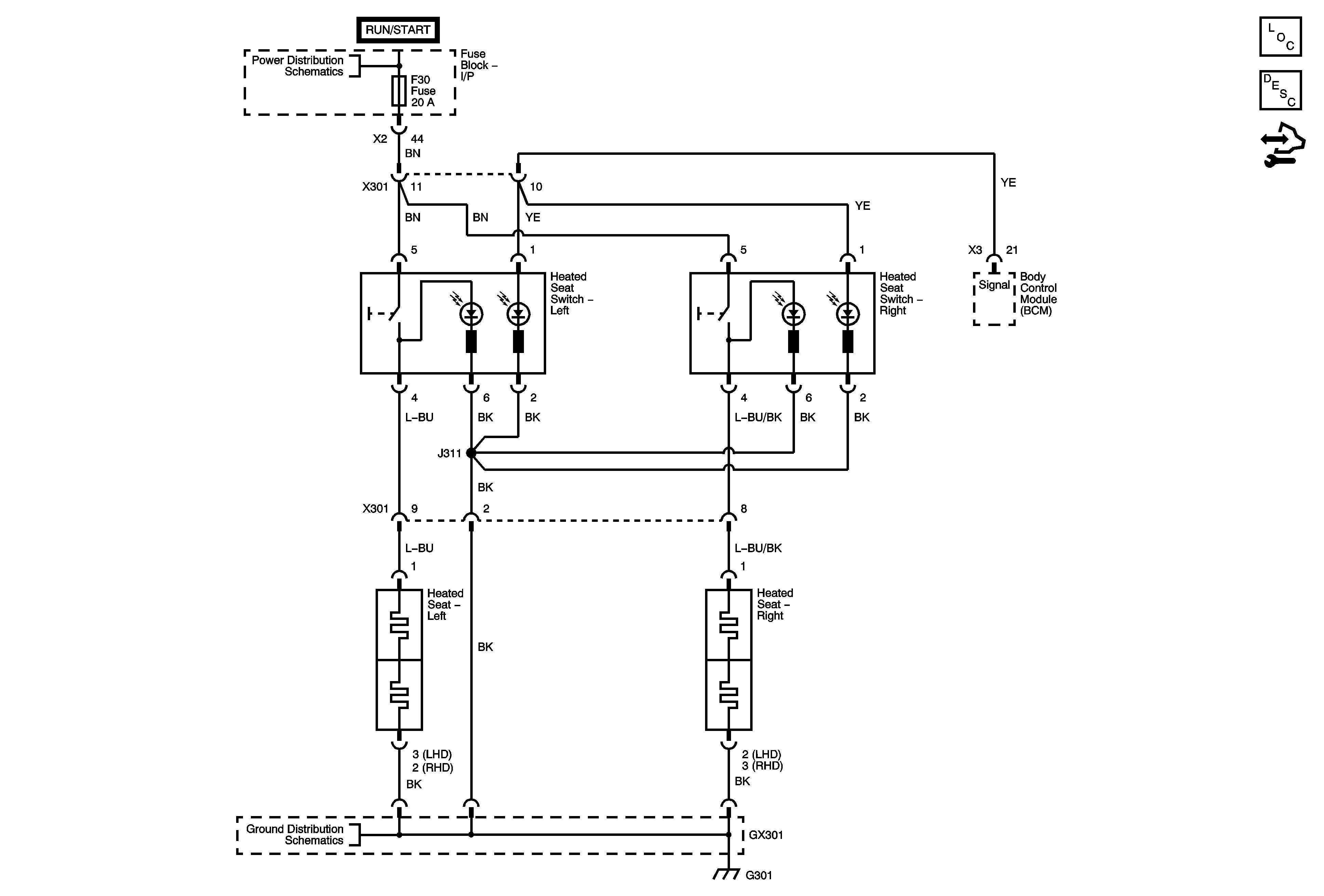
Heated/Cooled Seat Schematics C105/Short Body
Master Electrical Component List
Control Module References
EF3, F1, 2, 10, 15, 18, 30, 33, 39 Fuses, Run, ACC/RAP Relays
EF1, 4, 6, 17, 18, 19, 20, 23 Fuses
Ground Distribution G301