GM Service Manual Online
For 1990-2009 cars only
Makes
🢒
Opel
🢒
2007
🢒
Antara
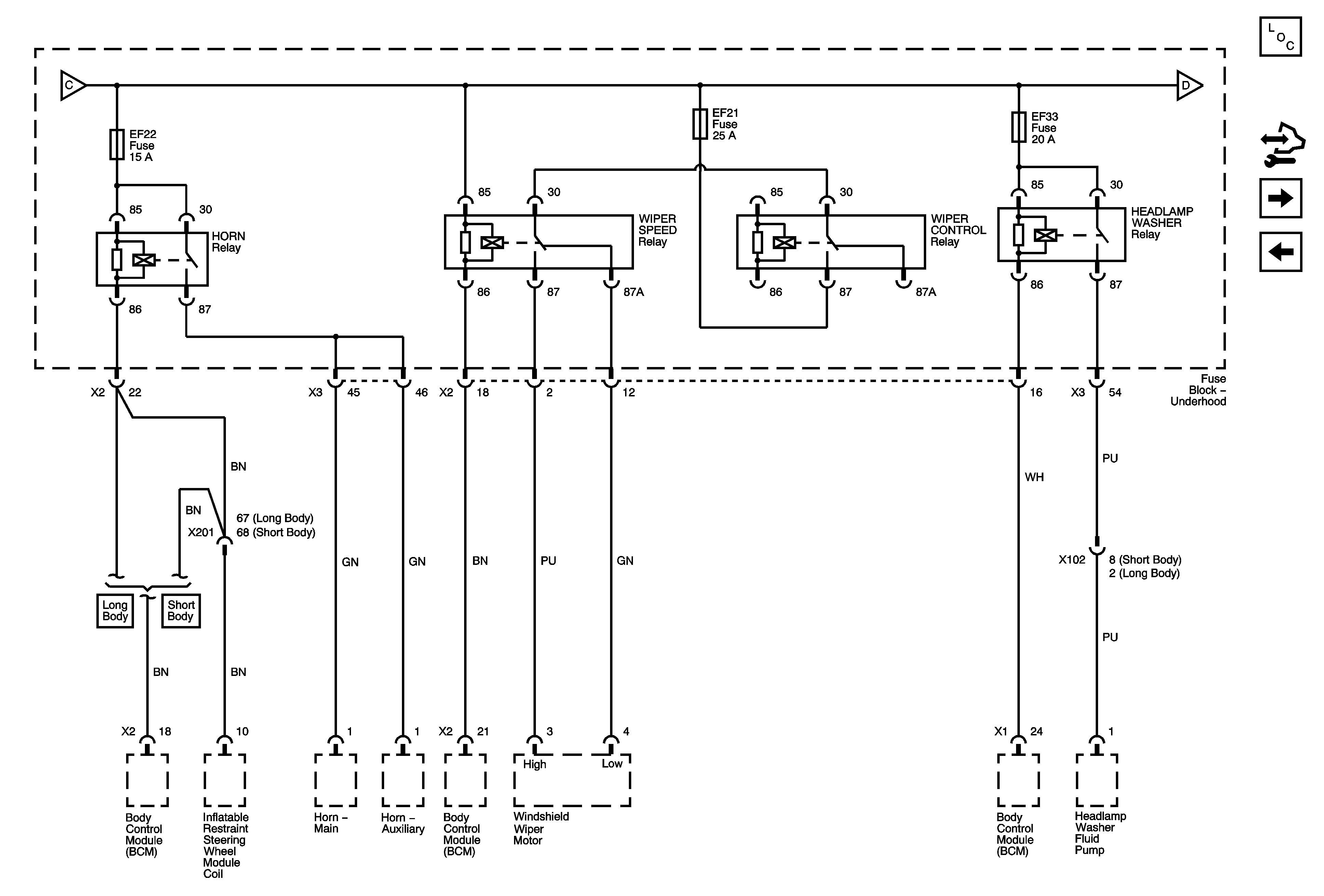
🢒 EF22, 33, 34 Fuses, Horn, Wipers, Head Lamp Washer Relays
EF22, 33, 34 Fuses, Horn, Wipers, Head Lamp Washer Relays
EF22, 33, 34 Fuses, Horn, Headlamp Washer, Wipers Relays
Master Electrical Component List
Control Module References
EF25, 30 Fuses, Defog Relay, Ignition Switch
EF26, 27, 28, 29 Fuses, Head Lamps, Fog Lamp Relays