GM Service Manual Online
For 1990-2009 cars only
Makes
🢒
Opel
🢒
2007
🢒
Antara
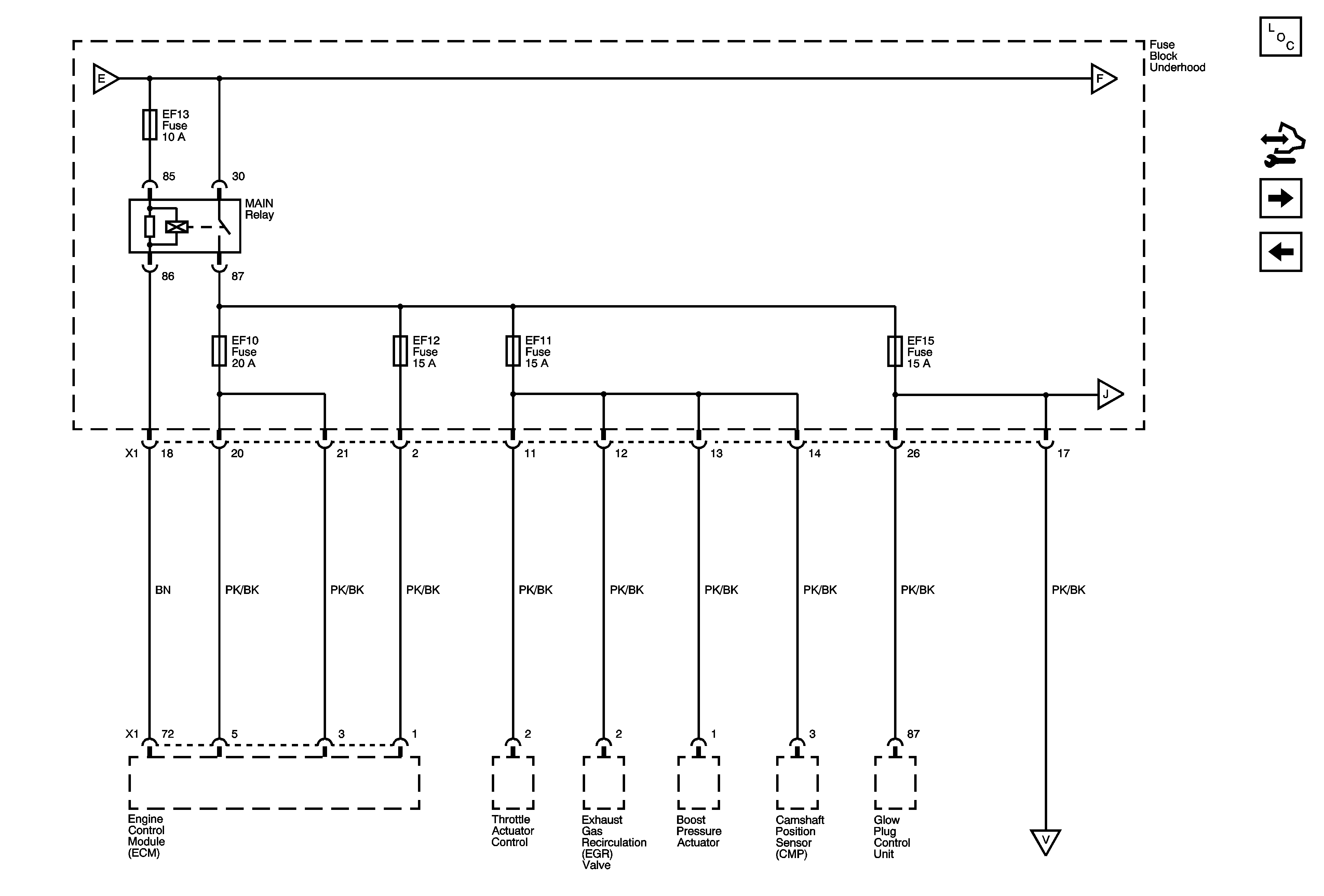
🢒 EF10, 11, 12, 13, 15 Fuses, Main Relay (2.0L)
EF10, 11, 12, 13, 15 Fuses, Main Relay (2.0L)
EF10, 11, 12, 13, 15 Fuses, Main Relay (2.0L)
Master Electrical Component List
Control Module References
EF10, 11, 12, 13, 15 Fuses, Main Relay (2.4L)
EF25, 30 Fuses, Defog Relay, Ignition Switch