GM Service Manual Online
For 1990-2009 cars only
Makes
🢒
Opel
🢒
2007
🢒
Antara
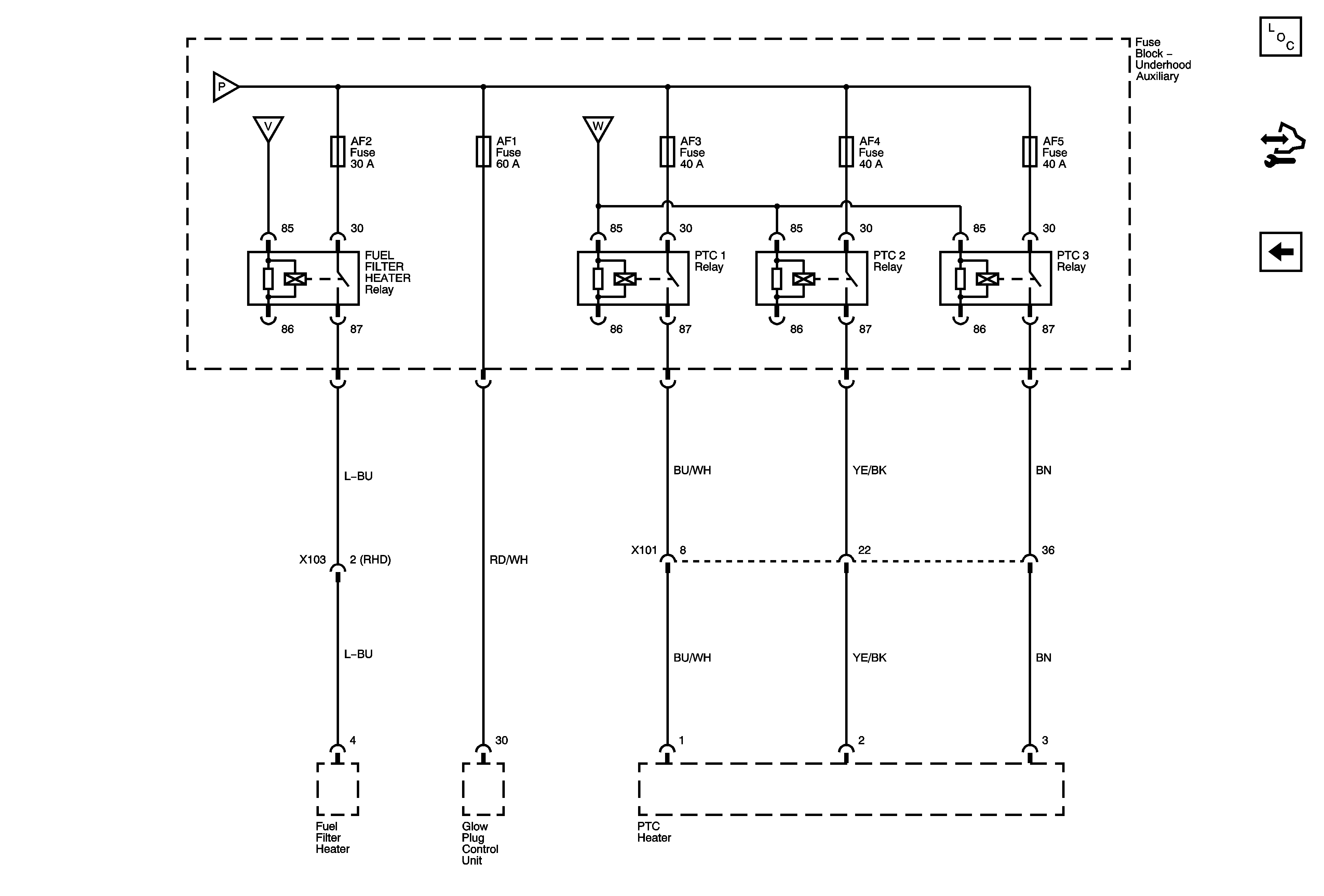
🢒 AF1, 2, 3, 4, 5 Fuses, Fuel Filter Heater, PTC1, PTC2, PTC3 Relays
AF1, 2, 3, 4, 5 Fuses, Fuel Filter Heater, PTC1, PTC2, PTC3 Relays
AF1, 2, 3, 4, 5 Fuses, Fuel Filter Heater, PTC1, PTC2, PTC3 Relays
Master Electrical Component List
Control Module References
EF3, F1, 2, 10, 15, 18, 30, 33, 39 Fuses, Run, ACC/RAP Relays