GM Service Manual Online
For 1990-2009 cars only
Makes
🢒
Opel
🢒
2007
🢒
Antara
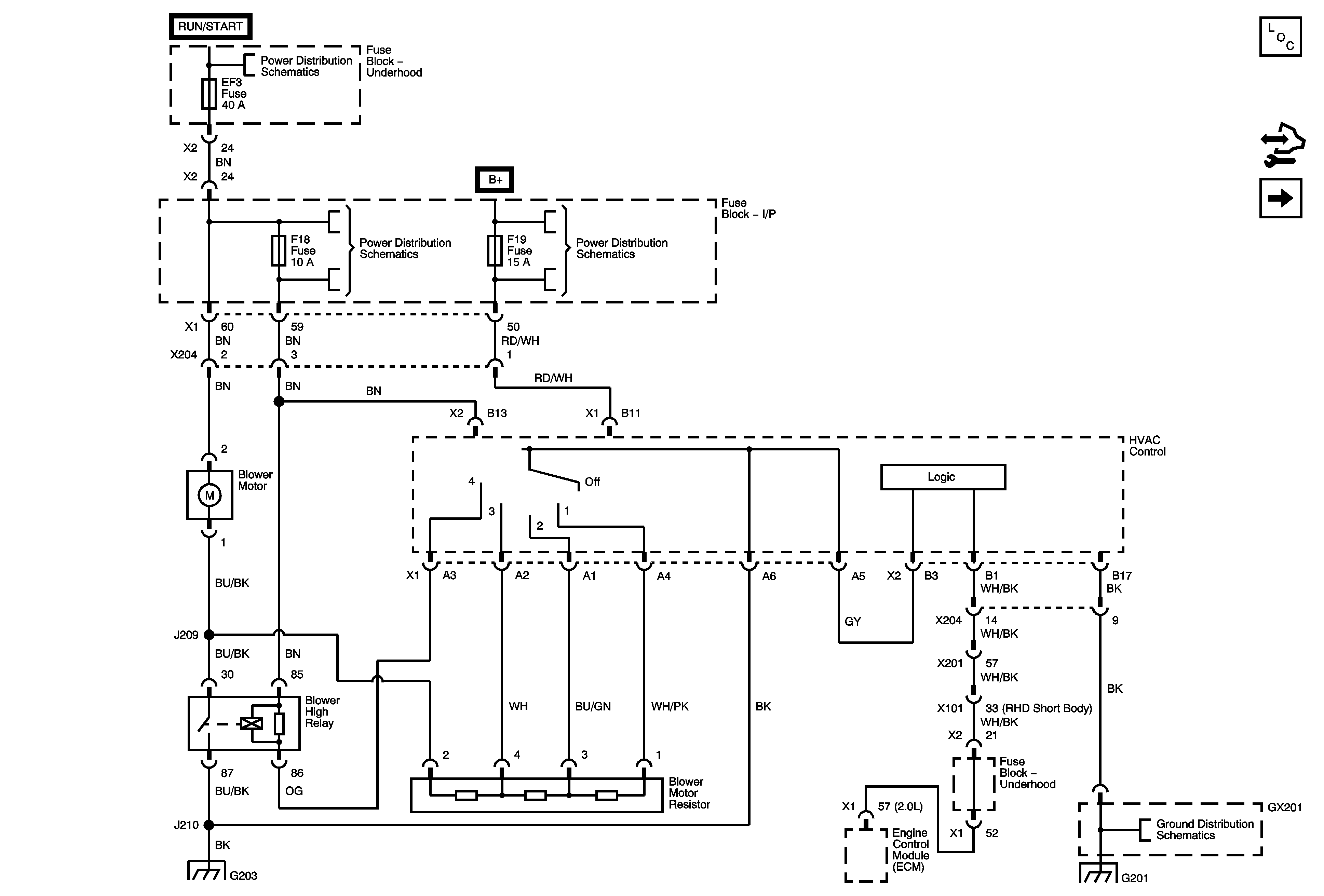
🢒 Blower Controls
Blower Controls
Blower Controls
Master Electrical Component List
Control Module References
Mode and Temperature Controls
EF3, F1, 2, 10, 15, 18, 30, 33, 39 Fuses, Run, ACC/RAP Relays
EF3, F1, 2, 10, 15, 18, 30, 33, 39 Fuses, Run, ACC/RAP Relays
EF2, F11, 12, 14, 16, 19, 24, 26, 31, 35 Fuses
Ground Distribution G102, G202, G203, G204
Ground Distribution G201
Ground Distribution G201