GM Service Manual Online
For 1990-2009 cars only
Makes
🢒
Opel
🢒
2007
🢒
Antara
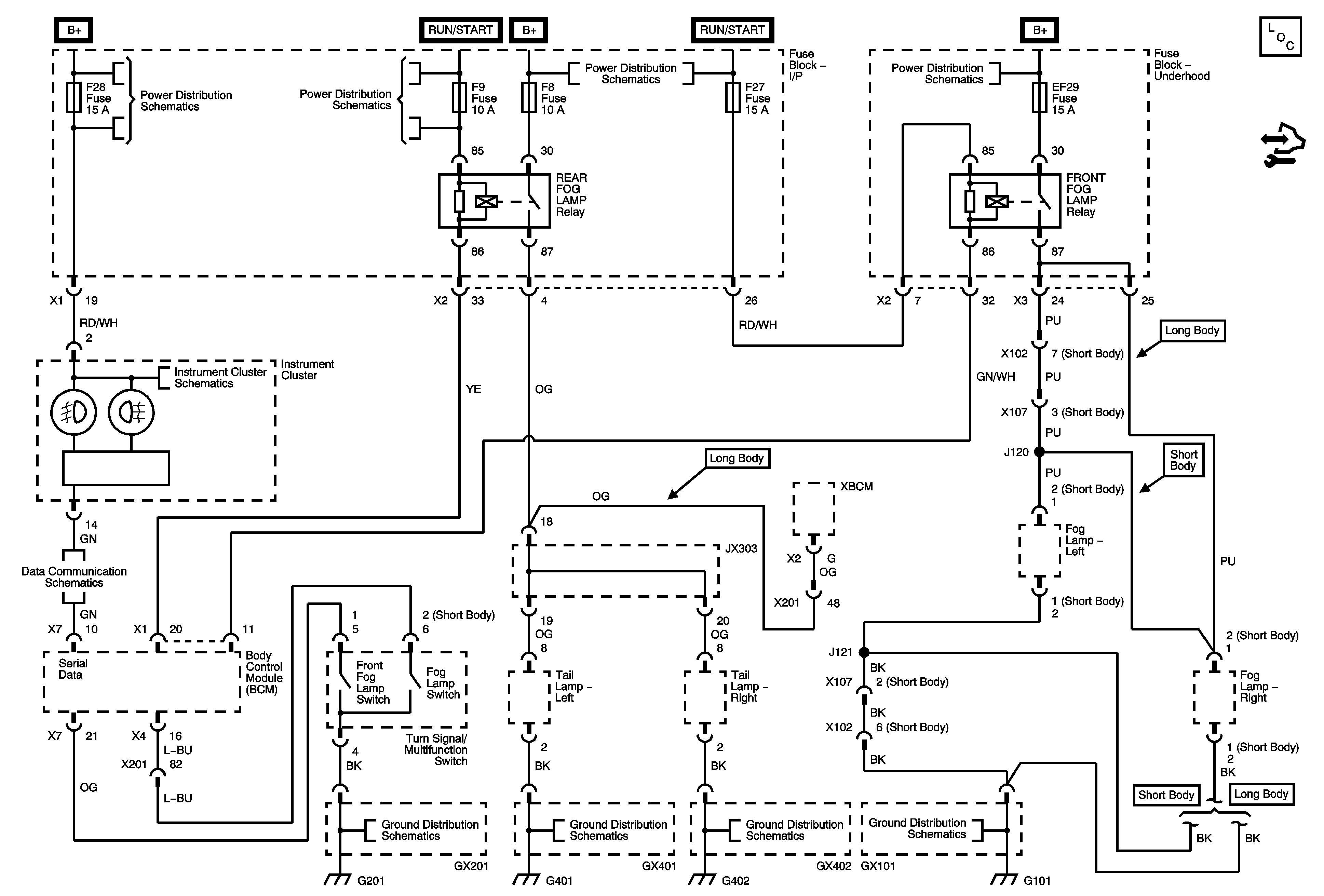
🢒 Fog Lamp Schematics
Fog Lamp Schematics
Master Electrical Component List
Control Module References
F3, 5, 28, 32, 34 Fuses, Front Washer Pump Relay
EF7, F6, 8, 9, 13, 17, 20, 25, 27, 29 Fuses, Run/Crank, Outside Rearview Mirror, Liftgate Glass Relays
EF7, F6, 8, 9, 13, 17, 20, 25, 27, 29 Fuses, Run/Crank, Outside Rearview Mirror, Liftgate Glass Relays
EF26, 27, 28, 29 Fuses, Head Lamps, Fog Lamp Relays
Power, Ground, Gages
Data Link Connector (DLC)
Ground Distribution G201
Ground Distribution G401
Ground Distribution G402
Ground Distribution G101, G103, G105