GM Service Manual Online
For 1990-2009 cars only
Makes
🢒
Opel
🢒
2007
🢒
Antara
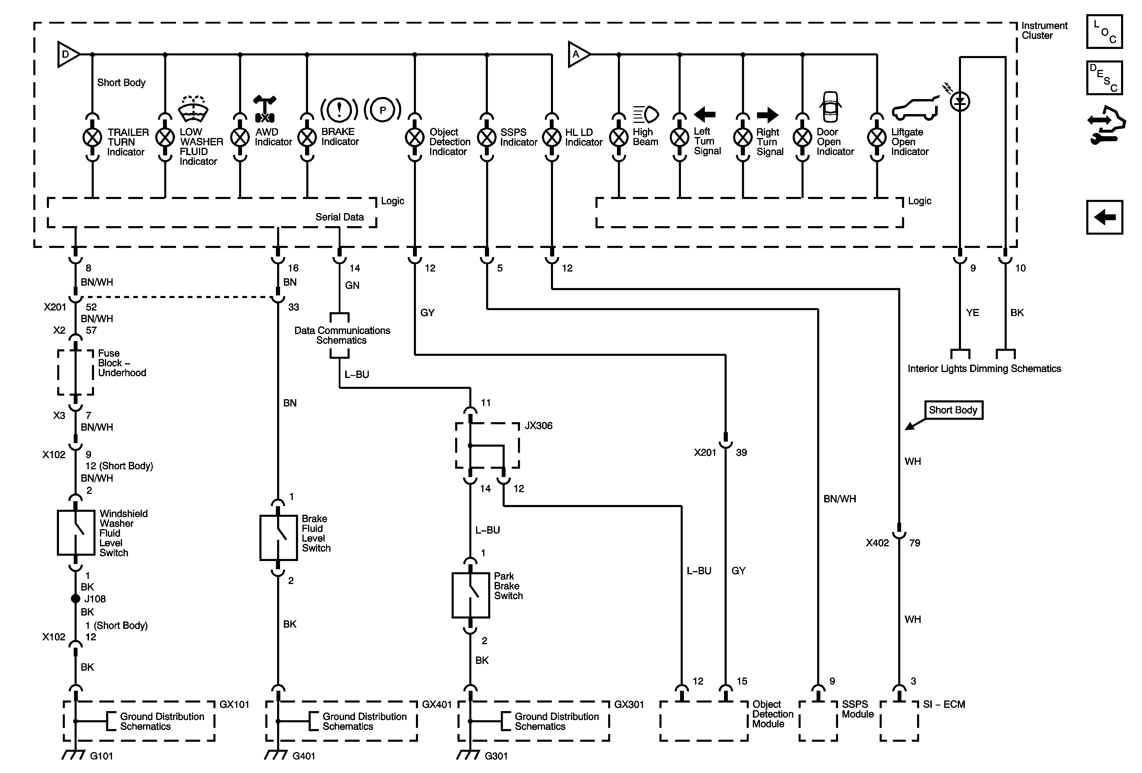
🢒 Indicators, Data Communication
Indicators, Data Communication
Indicators, Data Communication
Master Electrical Component List
Instrument Cluster Description and Operation
Control Module References
Indicators
Ground Distribution G101, G103, G105
Ground Distribution G401
Ground Distribution G301