GM Service Manual Online
For 1990-2009 cars only
Makes
🢒
Opel
🢒
2007
🢒
Antara
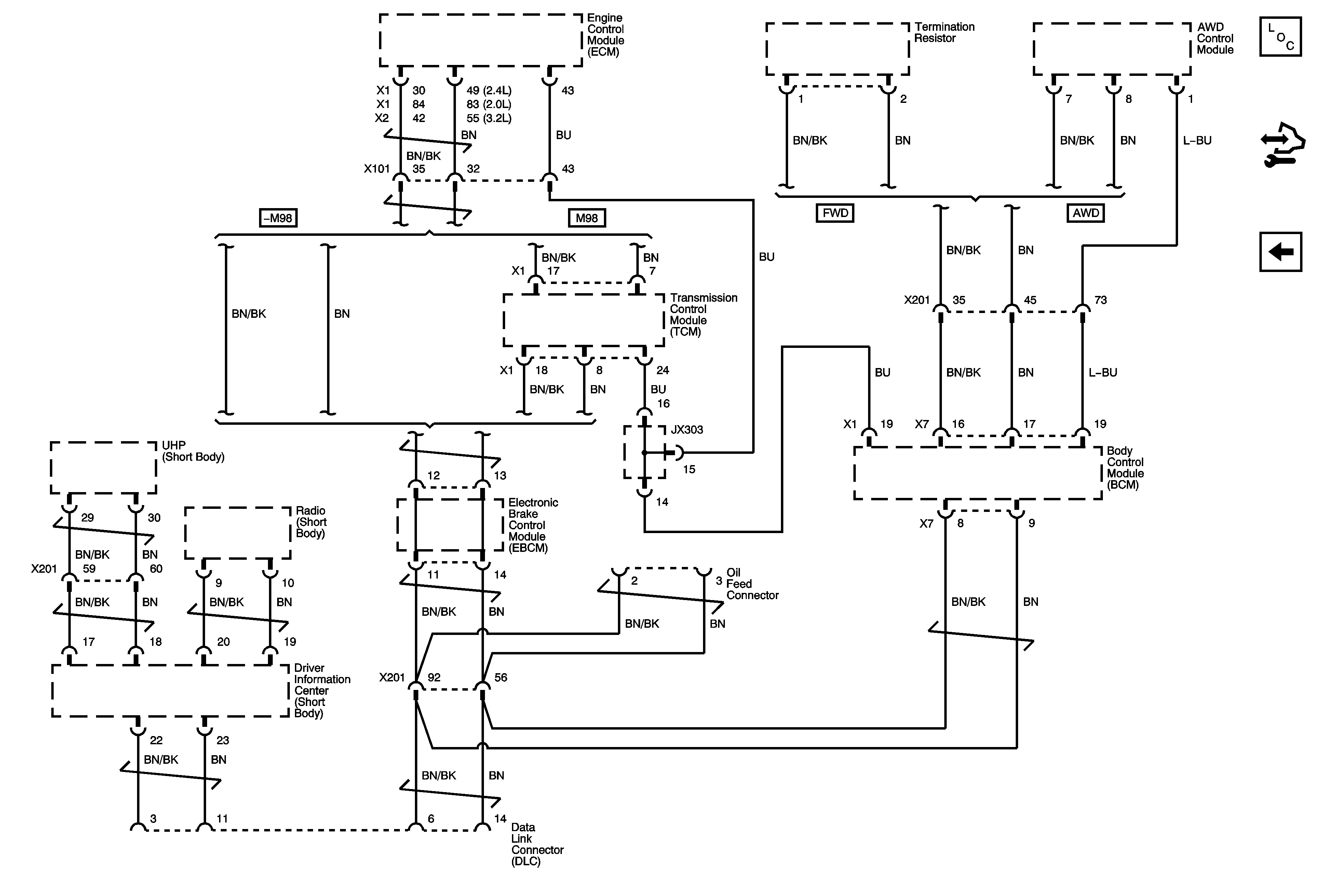
🢒 LHD High Speed LAN
LHD High Speed LAN
LHD High Speed LAN
Master Electrical Component List
Control Module References
RHD High Speed LAN