GM Service Manual Online
For 1990-2009 cars only
Makes
🢒
Opel
🢒
2007
🢒
Antara
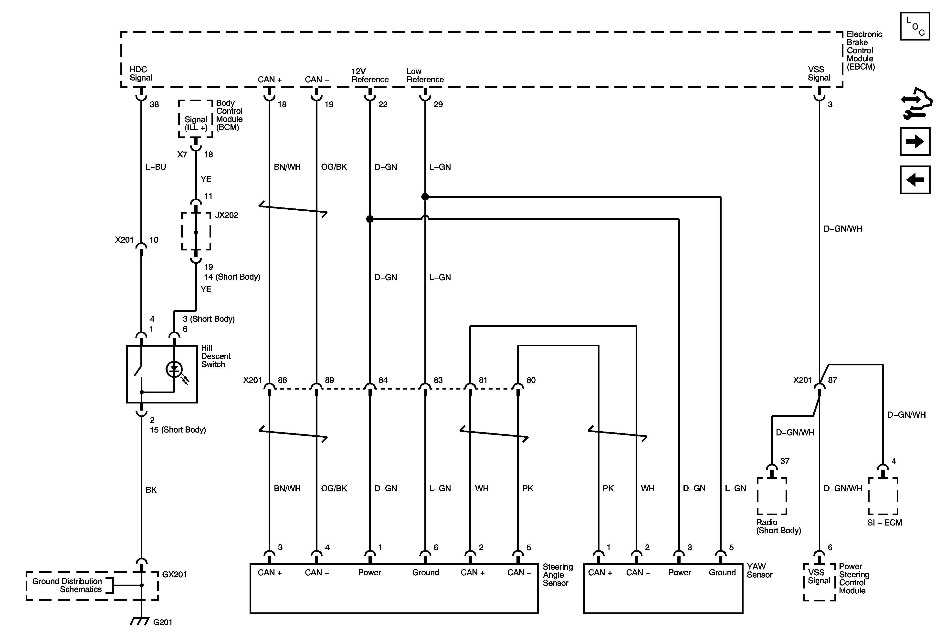
🢒 Hill Descent, SSPS, Steering Angle and Yaw Sensors
Hill Descent, SSPS, Steering Angle and Yaw Sensors
Hill Descent, SSPS, Steering Angle and Yaw Sensors
Master Electrical Component List
Control Module References
Wheel Speed Sensors
Power, Ground, ESP and Oil Feed Connector
Ground Distribution G201