GM Service Manual Online
For 1990-2009 cars only
Makes
🢒
Opel
🢒
2007
🢒
Antara
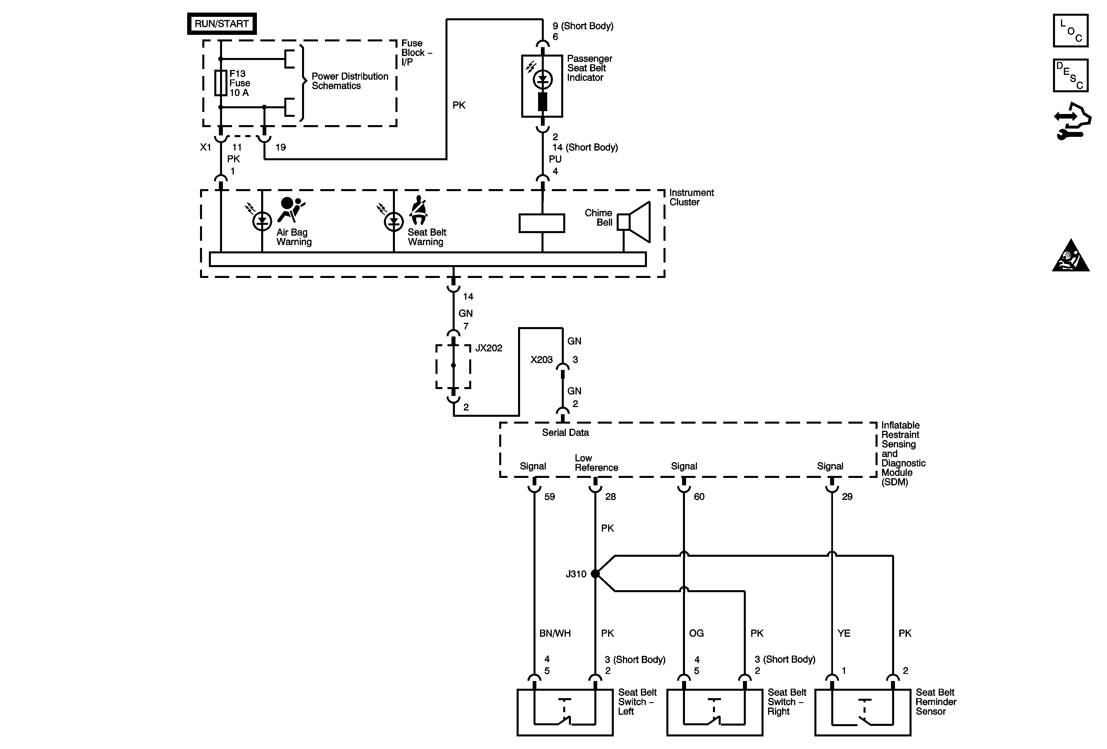
🢒 Seat Belts Schematics
Seat Belts Schematics
Master Electrical Component List
Seat Belt System Description and Operation
Control Module References
SIR Schematic Icons
EF7, F6, 8, 9, 13, 17, 20, 25, 27, 29 Fuses, Run/Crank, Outside Rearview Mirror, Liftgate Glass Relays