GM Service Manual Online
For 1990-2009 cars only
Makes
🢒
Opel
🢒
2008
🢒
Antara
🢒
Diagnostic Navigation
🢒
Vehicle Diagnostic Information
🢒 Antilock Brake System Schematics
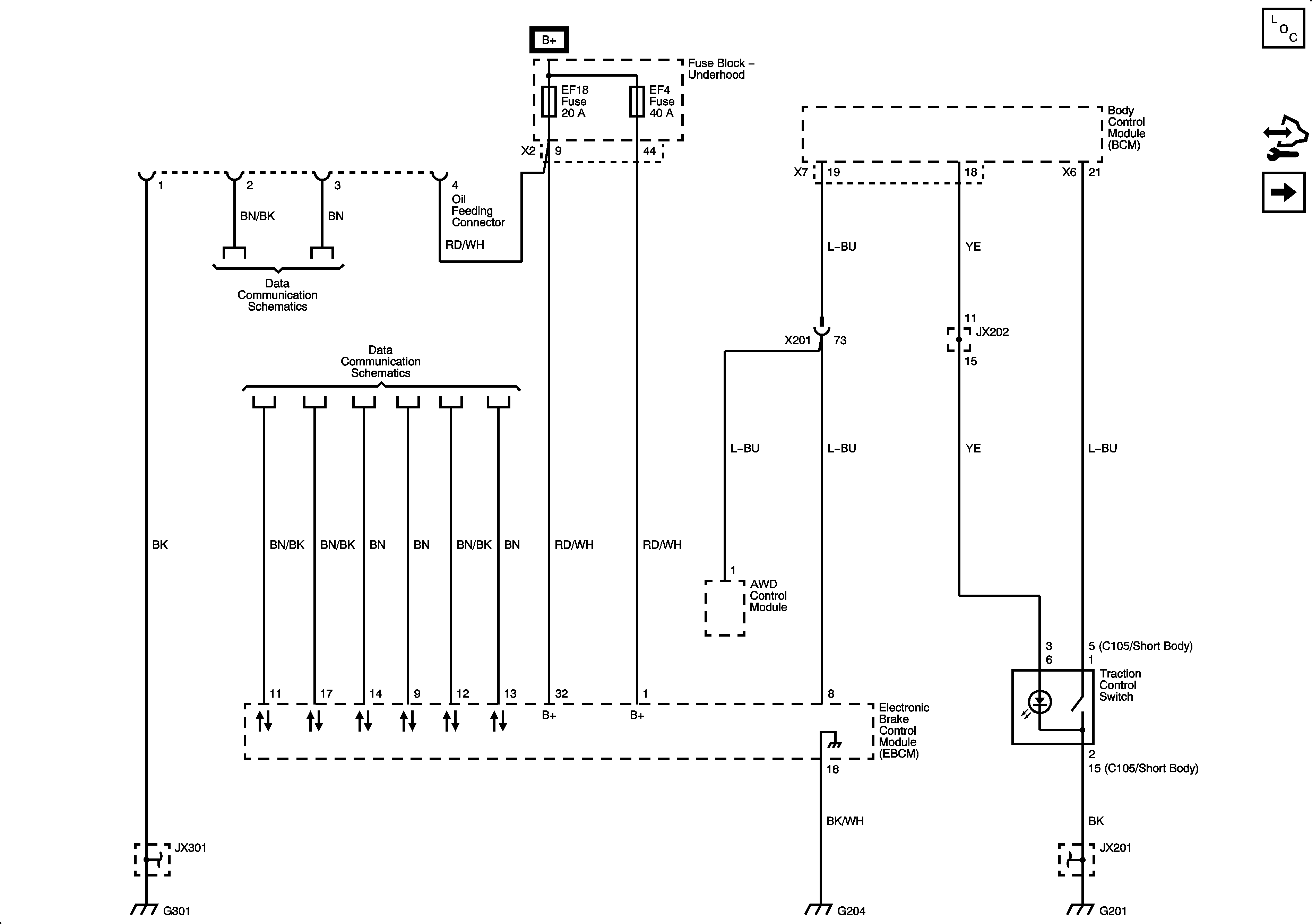
Figure
1:
Power, Ground, ESC, and Oil Feed Connector
Master Electrical Component List
Control Module References
Hill Descent, SSPS, Steering Angle and Yaw Sensor
Data Link Connector (DLC)
Data Link Connector (DLC)
G301 (1 of 3)
G201 (2 of 2)
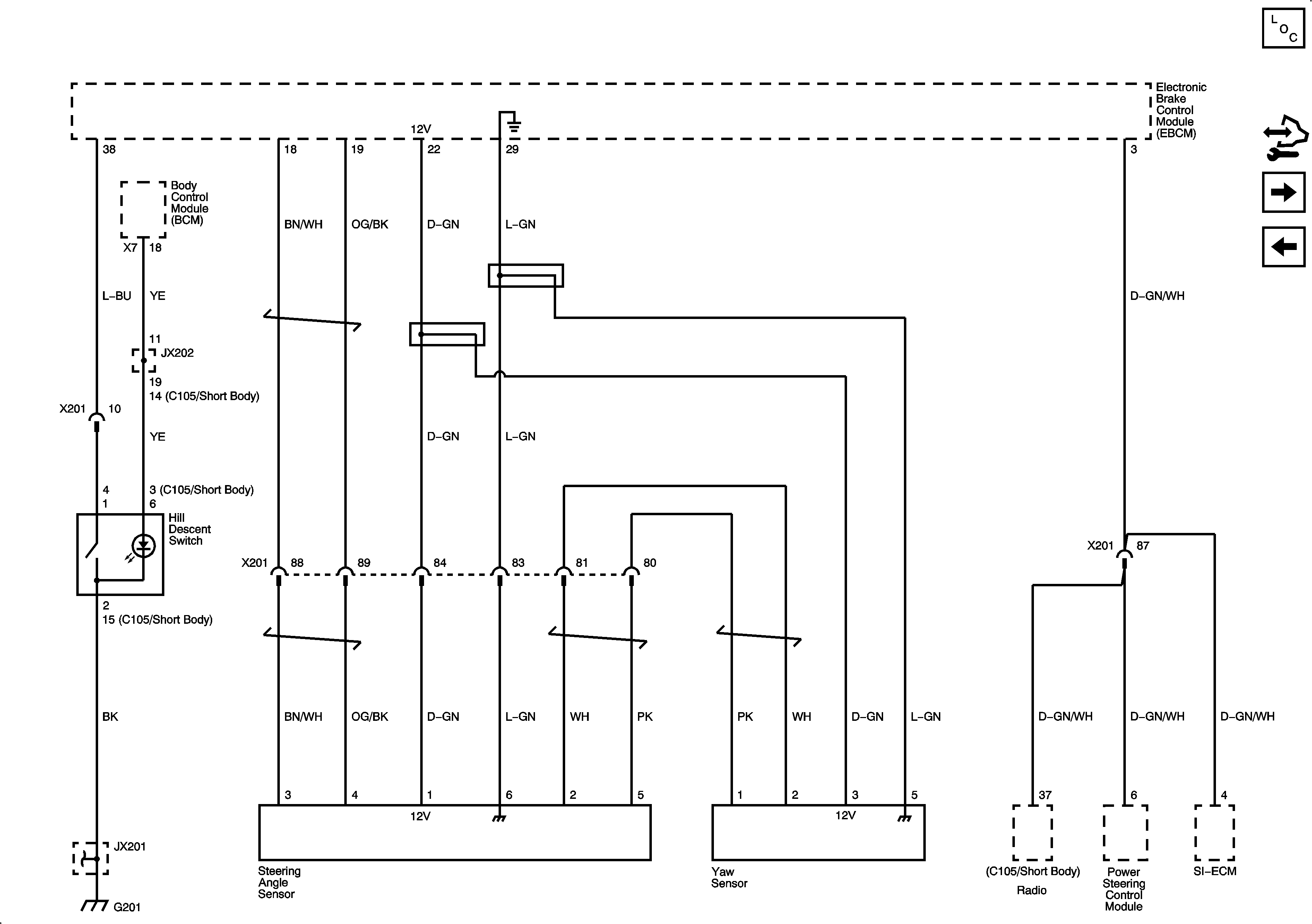
Figure
2:
Hill Descent, SSPS, Steering Angle and Yaw Sensor
Master Electrical Component List
Control Module References
Wheel Speed Sensors
Power, Ground, ESC and Oil Feed Connector
G201 (2 of 2)
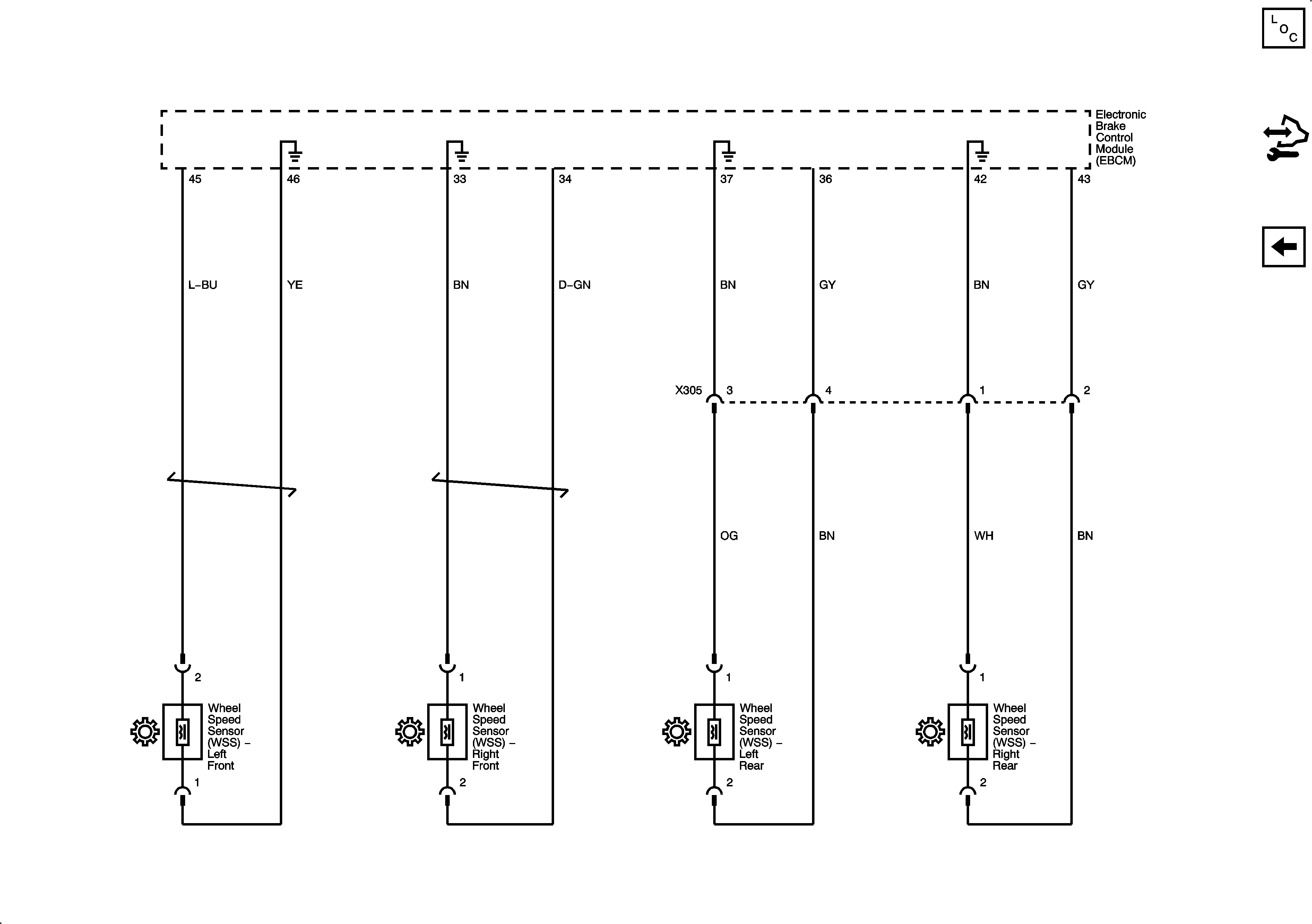
Figure
3:
Wheel Speed Sensors
Master Electrical Component List
Control Module References
Hill Descent, SSPS, Steering Angle and Yaw Sensor