GM Service Manual Online
For 1990-2009 cars only

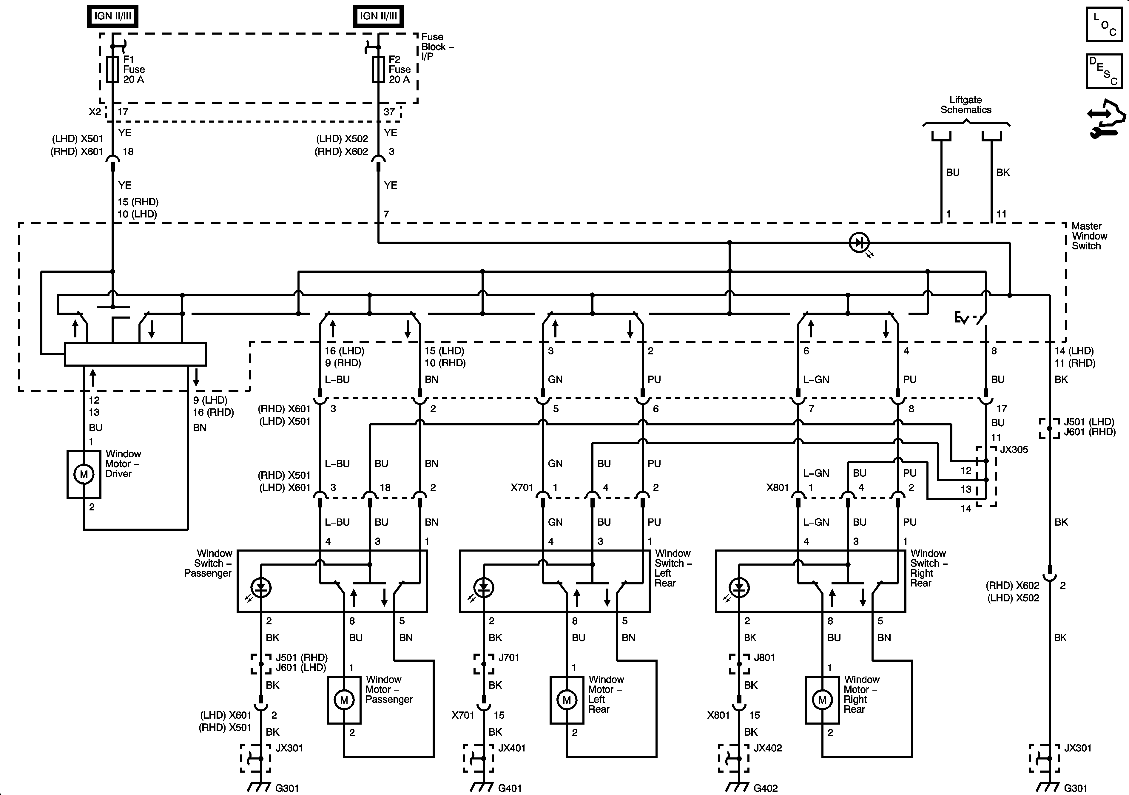
Moveable Window Schematics C100/Long Body


Object Number: 1956516  Size: FS
Master Electrical Component List
Power Windows Description and Operation
Control Module References
EF3, F1, 2, 10, 15, 18, 33, 37, 39 Fuses, Run, ACC/RAP Relays
EF3, F1, 2, 10, 15, 18, 33, 37, 39 Fuses, Run, ACC/RAP Relays
Liftgate Schematics
G301 (1 of 3)
G401 (2 of 2)
G402
G301 (1 of 3)

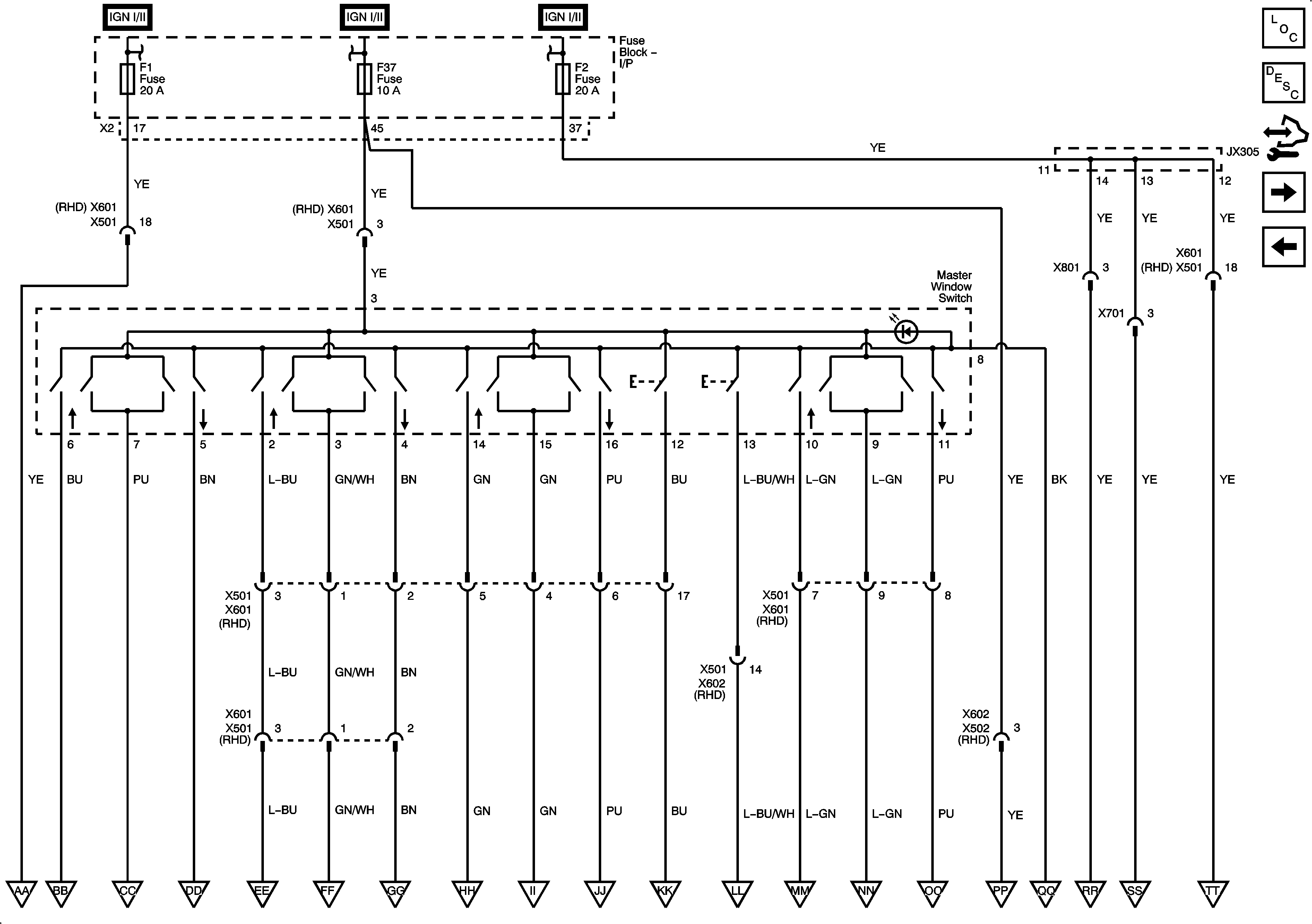
Moveable Window Schematics C105/Short Body

Figure 1:

Express Up/Down - Driver Only


Object Number: 1956517  Size: FS
Master Electrical Component List
Power Windows Description and Operation
Control Module References
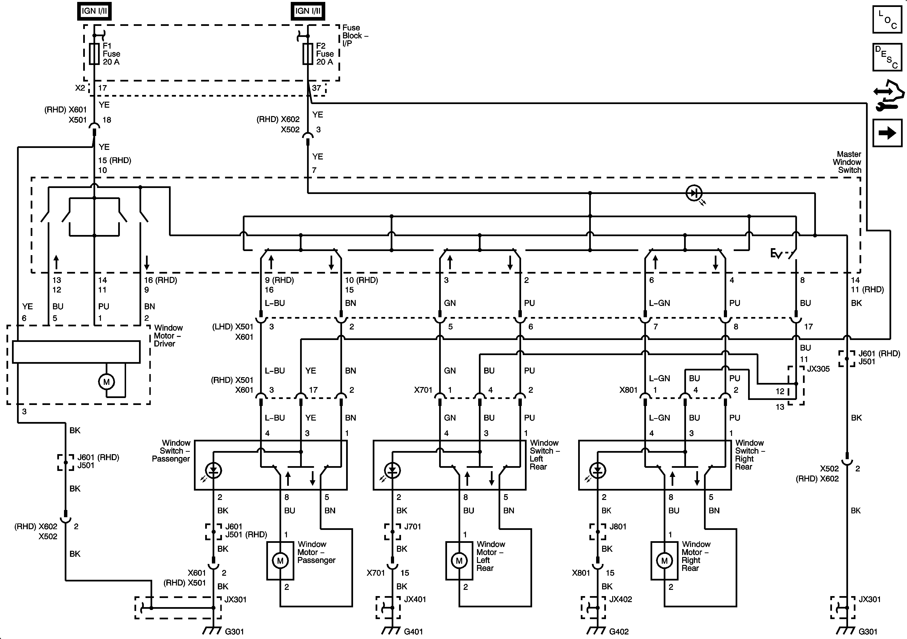
Express Up/Down - All Windows (1 of 2)
EF3, F1, 2, 10, 15, 18, 33, 37, 39 Fuses, Run, ACC/RAP Relays
G301 (1 of 3)
G401 (2 of 2)
G402
G301 (1 of 3)
Figure 2:

Express Up/Down - All Windows (1 of 2)


Object Number: 1996696  Size: FS
Master Electrical Component List
Power Windows Description and Operation
Control Module References
Express Up/Down All Windows (2 of 2)
Moveable Window Schematics
EF3, F1, 2, 10, 15, 18, 33, 37, 39 Fuses, Run, ACC/RAP Relays
EF3, F1, 2, 10, 15, 18, 33, 37, 39 Fuses, Run, ACC/RAP Relays
EF3, F1, 2, 10, 15, 18, 33, 37, 39 Fuses, Run, ACC/RAP Relays
Figure 3:

Express Up/Down - All Windows (2 of 2)


Object Number: 1999864  Size: FS
Master Electrical Component List
Power Windows Description and Operation
Control Module References
Express Up/Down - All Windows (1 of 2)
G301 (1 of 3)
G401 (2 of 2)
G402
G301 (1 of 3)