GM Service Manual Online
For 1990-2009 cars only
Makes
🢒
Opel
🢒
2009
🢒
Antara
🢒
Body Systems
🢒
Vehicle Access
🢒 Door Lock/Indicator Schematics
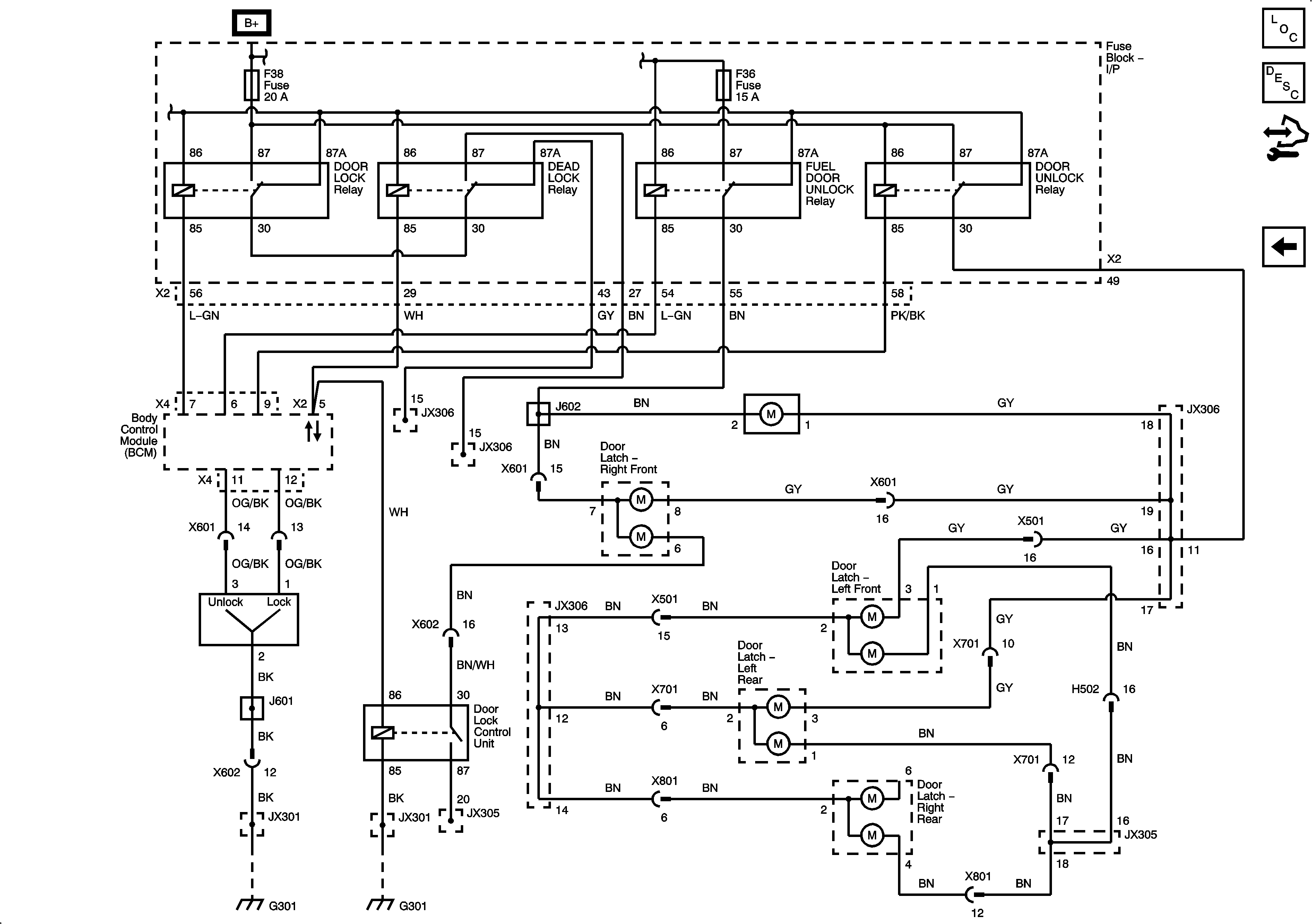
Figure
1:
Door Latches
Master Electrical Component List
Power Door Locks Description and Operation
Control Module References
Door Actuators
G401 (2 of 2)
G402
Figure
2:
Door Actuators
Master Electrical Component List
Power Door Locks Description and Operation
Control Module References
Central/Door Locking
Door Latches
F38 Fuse, Door Lock and Unlock Relays
G301 (1 of 3)
Figure
3:
Central/Dead Locking
Master Electrical Component List
Power Door Locks Description and Operation
Control Module References
Dead Locking - Holden
Door Actuators
F38 Fuse, Door Lock and Unlock Relays
G301 (1 of 3)
Figure
4:
Dead Locking -- Holden
Master Electrical Component List
Power Door Locks Description and Operation
Control Module References
Central/Door Locking
F38 Fuse, Door Lock and Unlock Relays
F38 Fuse, Door Lock and Unlock Relays
G301 (1 of 3)
G301 (1 of 3)