GM Service Manual Online
For 1990-2009 cars only
Figure 1:

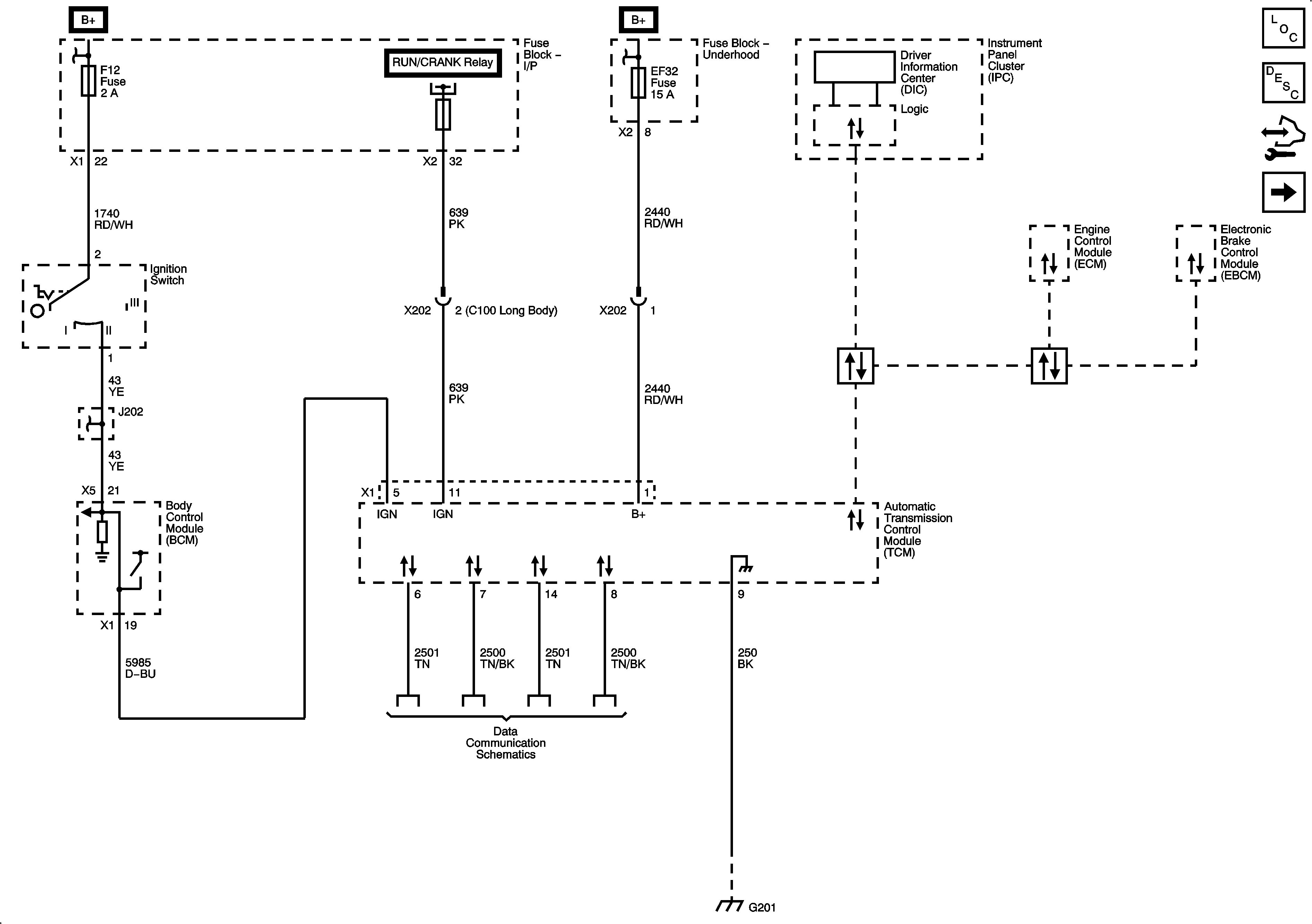
Module Power, Ground and Serial Data


Object Number: 2083716  Size: FS
Master Electrical Component List
Electronic Component Description
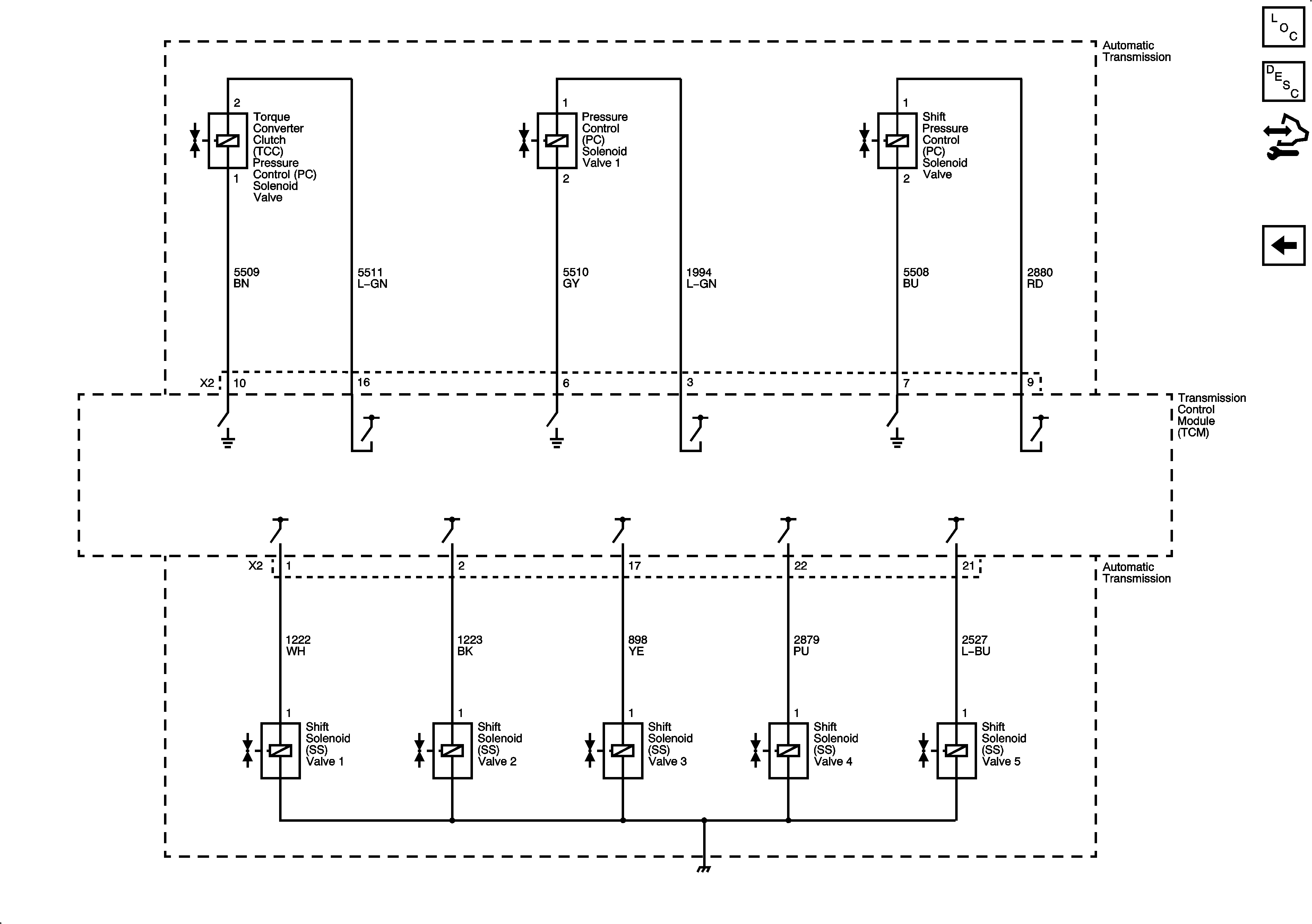
Shift, Pressure and TCC Solenoids
Figure 2:

Shift, Pressure and TCC Solenoids


Object Number: 2083717  Size: FS
Master Electrical Component List
Electronic Component Description
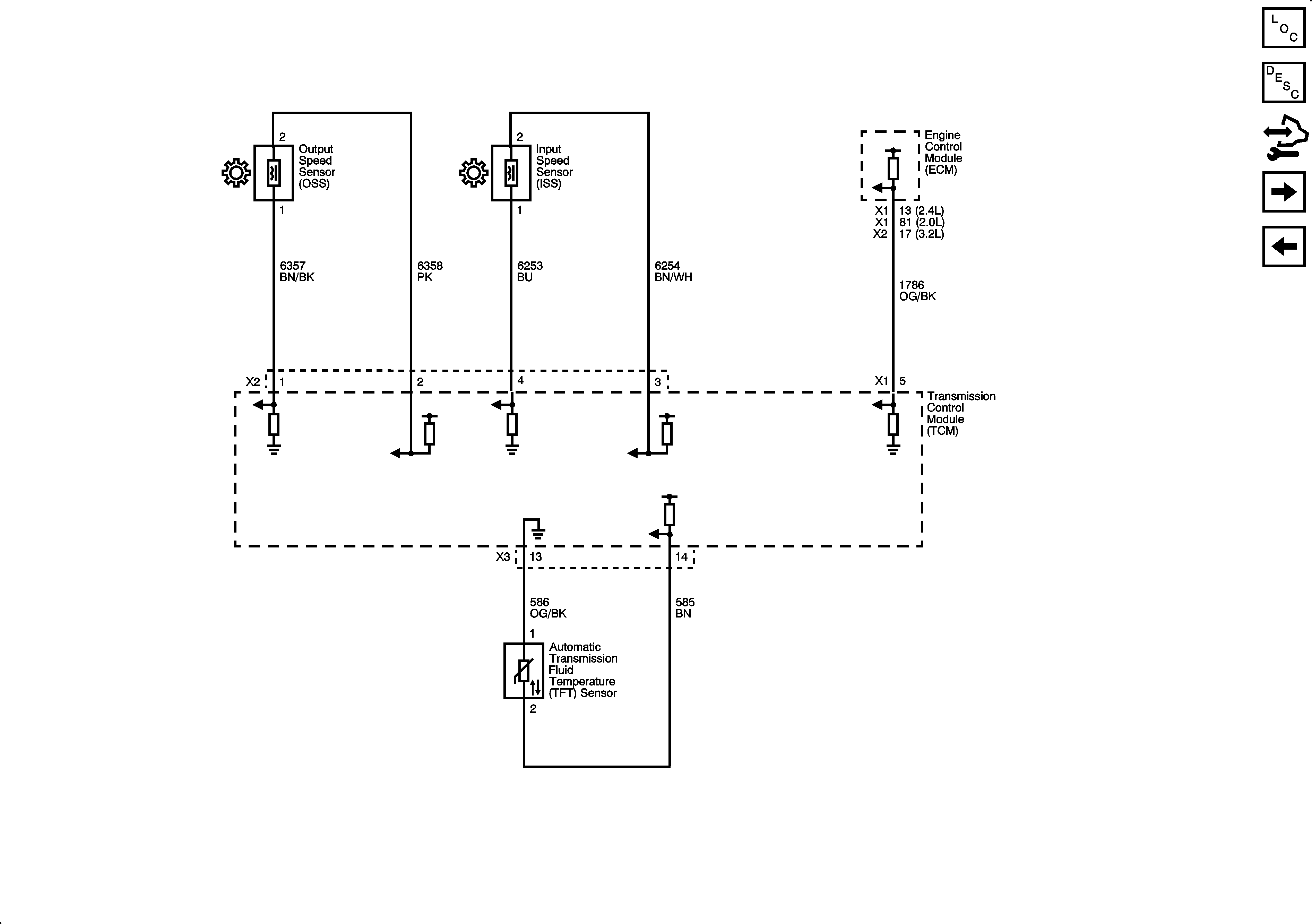
ISS, OSS and TFT Sensors
Power, Ground and Serial Data
Figure 3:

ISS, OSS and TFT Sensors


Object Number: 2083718  Size: FS
Master Electrical Component List
Electronic Component Description
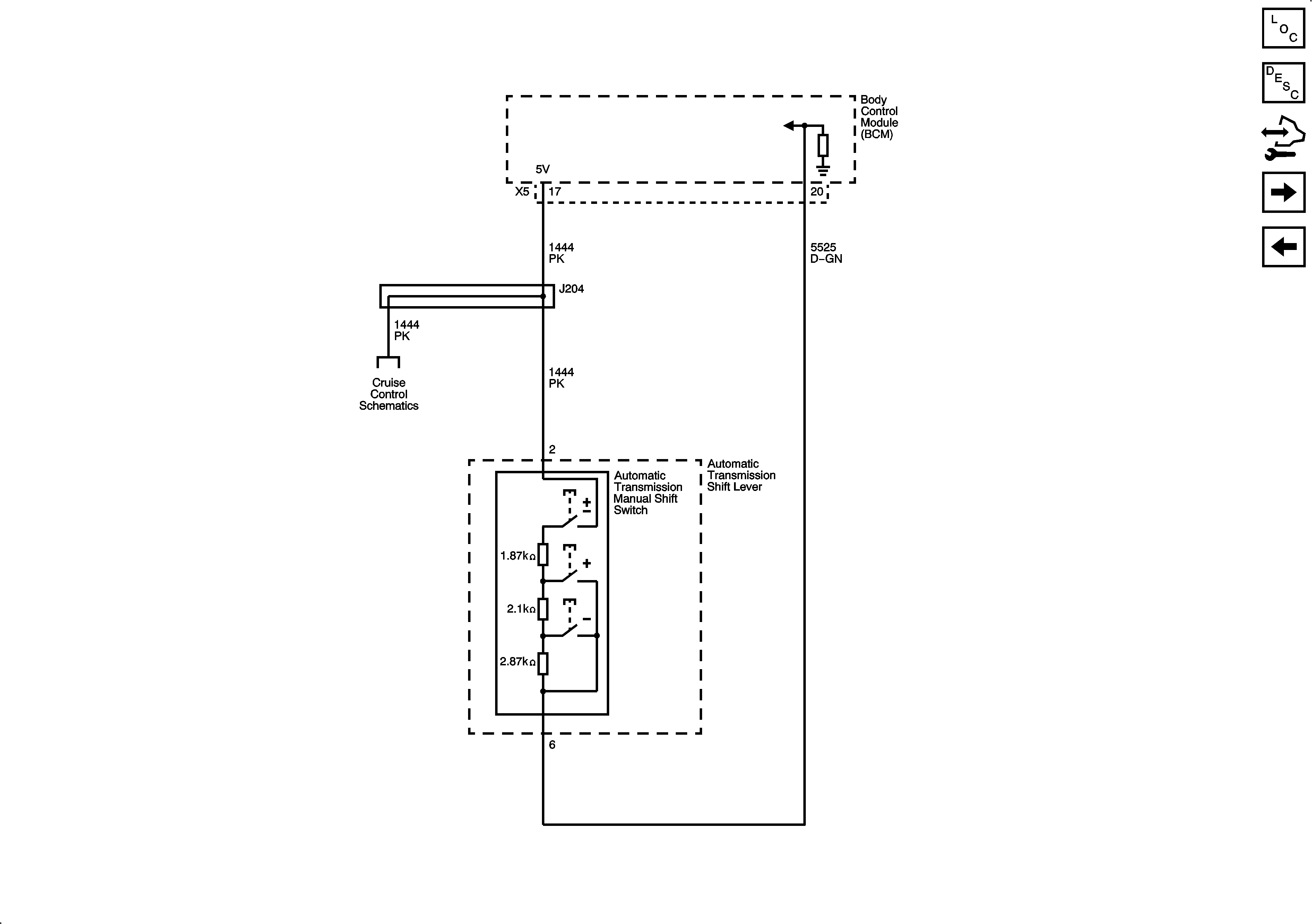
TapUp/TapDown
Shift, Pressure and TCC Solenoids
Figure 4:

TapUp/TapDown


Object Number: 2083719  Size: FS
Master Electrical Component List
Electronic Component Description
ISS, OSS and TFT Sensors