GM Service Manual Online
For 1990-2009 cars only
Makes
🢒
Opel
🢒
2009
🢒
Antara
🢒
Transmission
🢒
Manual Transmission - D33
🢒 Manual Transmission Schematics
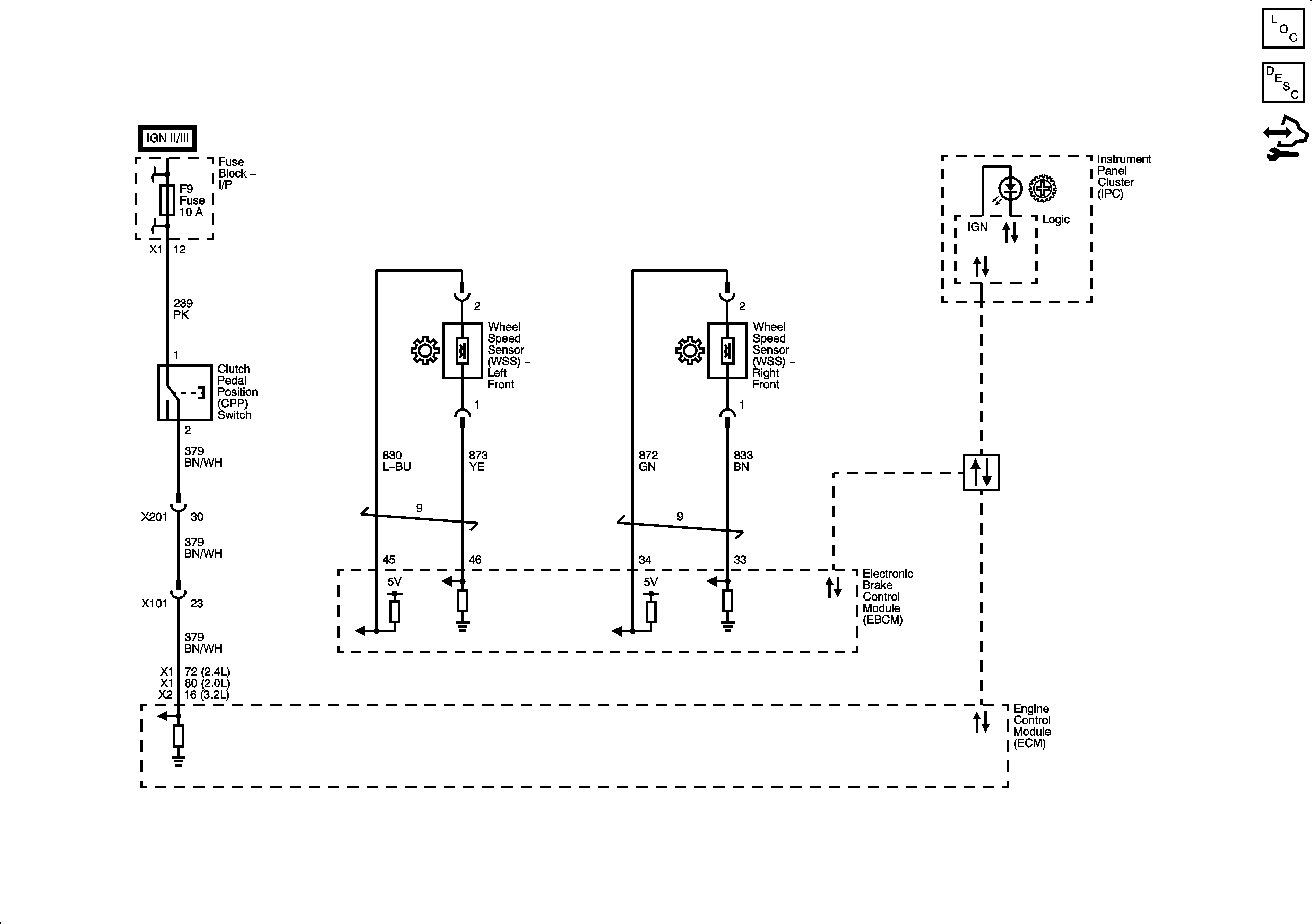
Manual Transmission SchematicsD-33
Master Electrical Component List
Transmission System Description and Operation
Control Module References