GM Service Manual Online
For 1990-2009 cars only

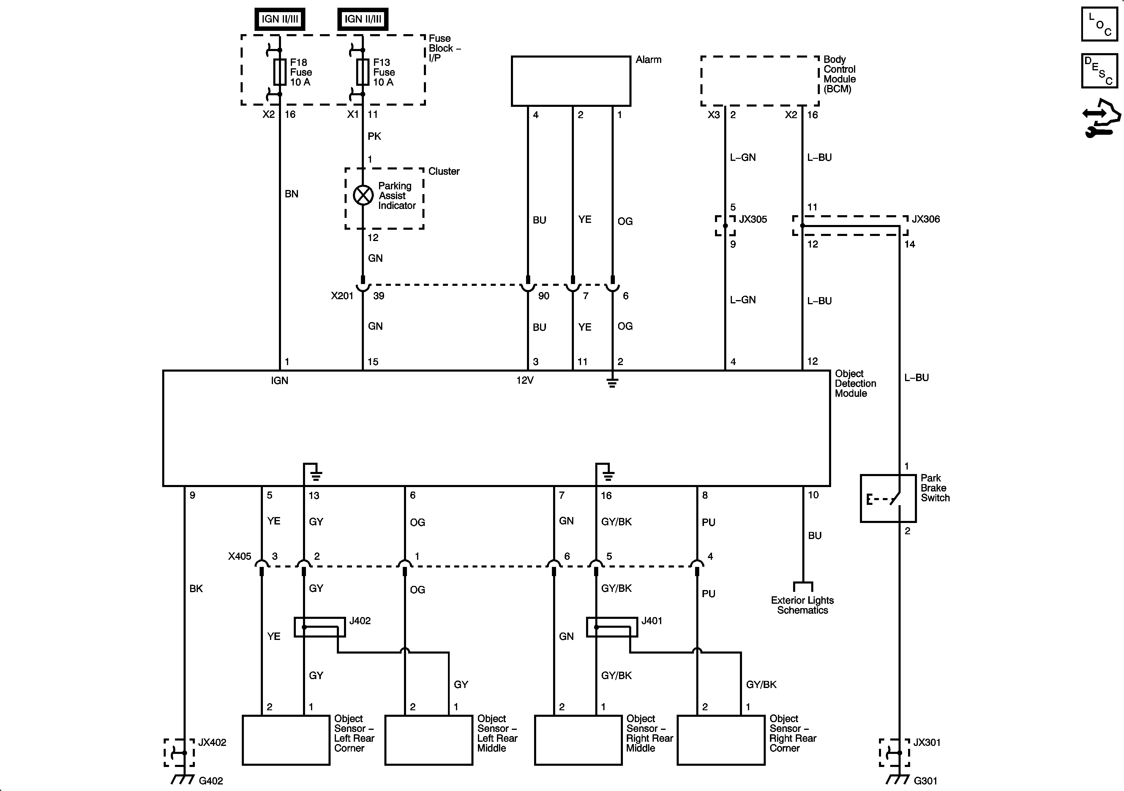
Object Detection Schematics C100/Long Body

Figure 1:
Object Number: 1956653  Size: FS
Master Electrical Component List
Object Detection Description and Operation
Control Module References
EF3, F1, 2, 10, 15, 18, 33, 37, 39 Fuses, Run, ACC/RAP Relays
EF3, F1, 2, 10, 15, 18, 33, 37, 39 Fuses, Run, ACC/RAP Relays
EF7, F6, 8, 9, 13, 17, 20, 25, 27, 29 Fuses, Run/Crank, Rear Fog Lamps, Outside Rearview Mirror, liftgate Glass Relays
EF7, F6, 8, 9, 13, 17, 20, 25, 27, 29 Fuses, Run/Crank, Rear Fog Lamps, Outside Rearview Mirror, liftgate Glass Relays
G402
G301 (1 of 3)
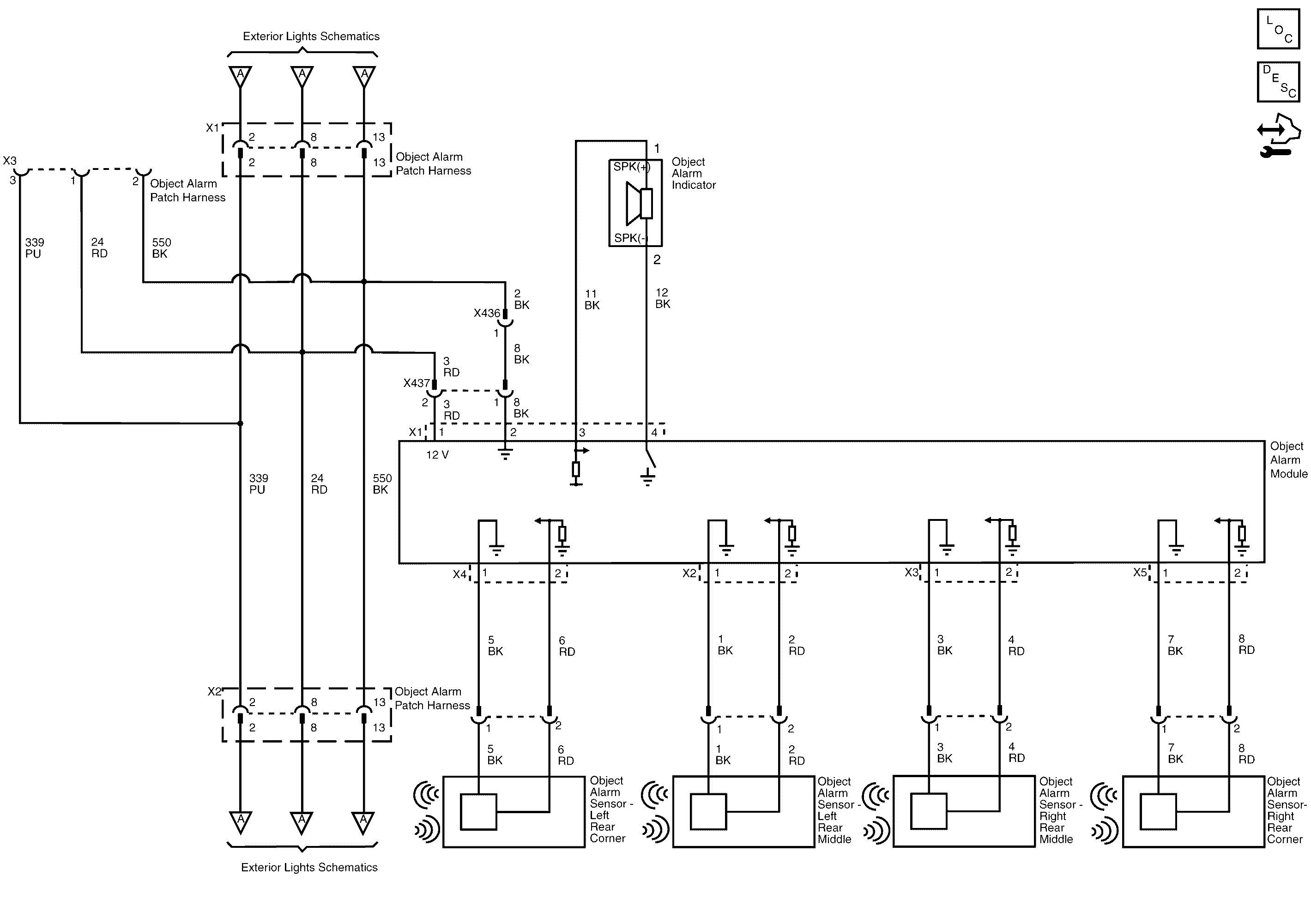
Figure 2:
Object Number: 2176665  Size: FS

Object Detection Schematics C105/Short Body

Figure 1:

(1 of 2)


Object Number: 1956656  Size: FS
Master Electrical Component List
Object Detection Description and Operation
Control Module References
C105/Short Body (2 of 2)
F3, 5, 28, 32, 34 Fuses
F3, 5, 28, 32, 34 Fuses
EF7, F6, 8, 9, 13, 17, 20, 25, 27, 29 Fuses, Run/Crank, Rear Fog Lamps, Outside Rearview Mirror, liftgate Glass Relays
EF7, F6, 8, 9, 13, 17, 20, 25, 27, 29 Fuses, Run/Crank, Rear Fog Lamps, Outside Rearview Mirror, liftgate Glass Relays
G402
G201 (1 of 2)
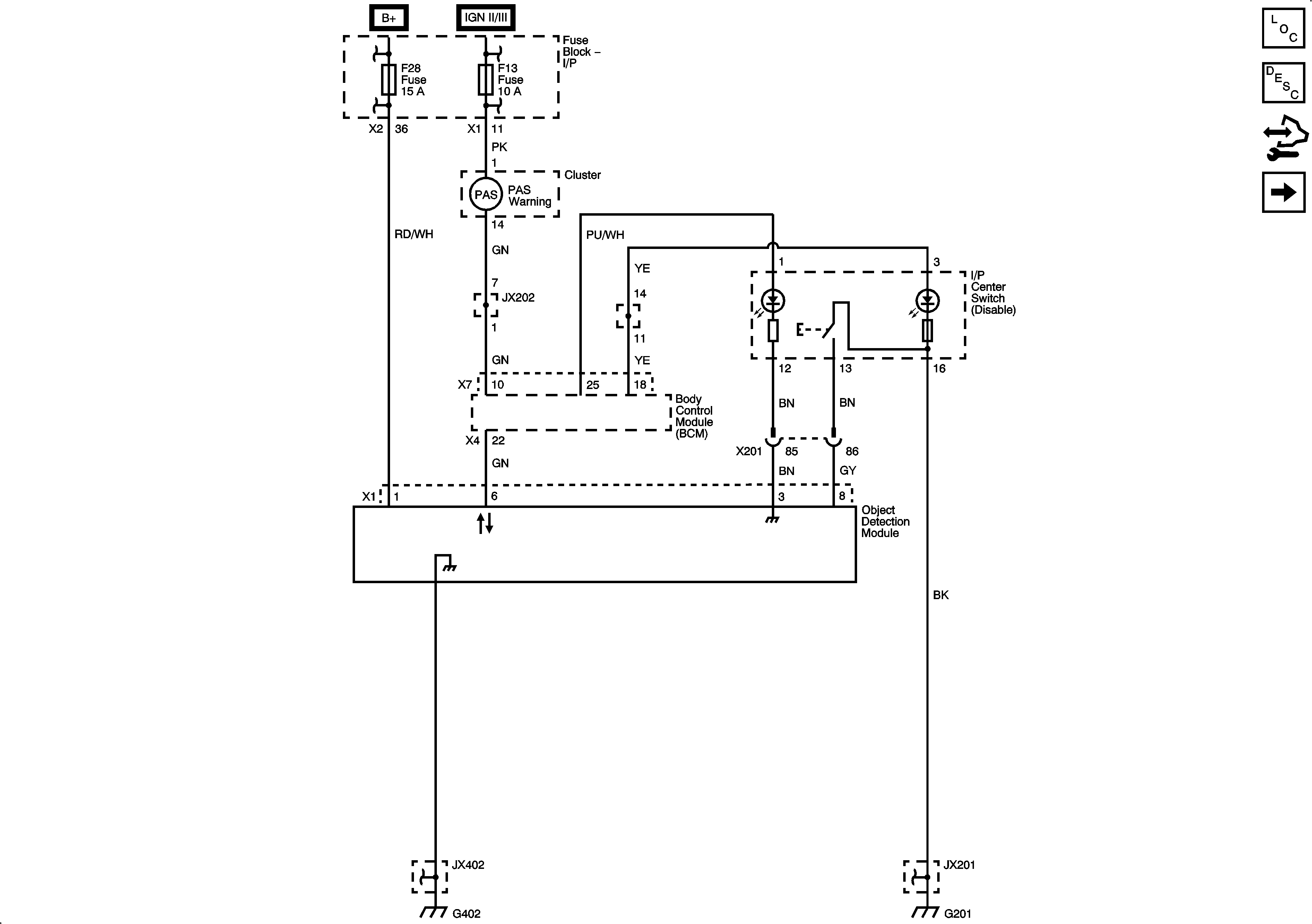
Figure 2:

(2 of 2)


Object Number: 1956659  Size: FS
Master Electrical Component List
Object Detection Description and Operation
Control Module References
C105/Short Body (1 of 2)

Object Detection Schematics Holden Genuine Accessory

Object Detection - Holden Genuine Accessory


Object Number: 2183768  Size: FS
Master Electrical Component List
Object Detection Description and Operation (Except Holden)
Control Module References