GM Service Manual Online
For 1990-2009 cars only
Makes
🢒
Opel
🢒
2007
🢒
GT
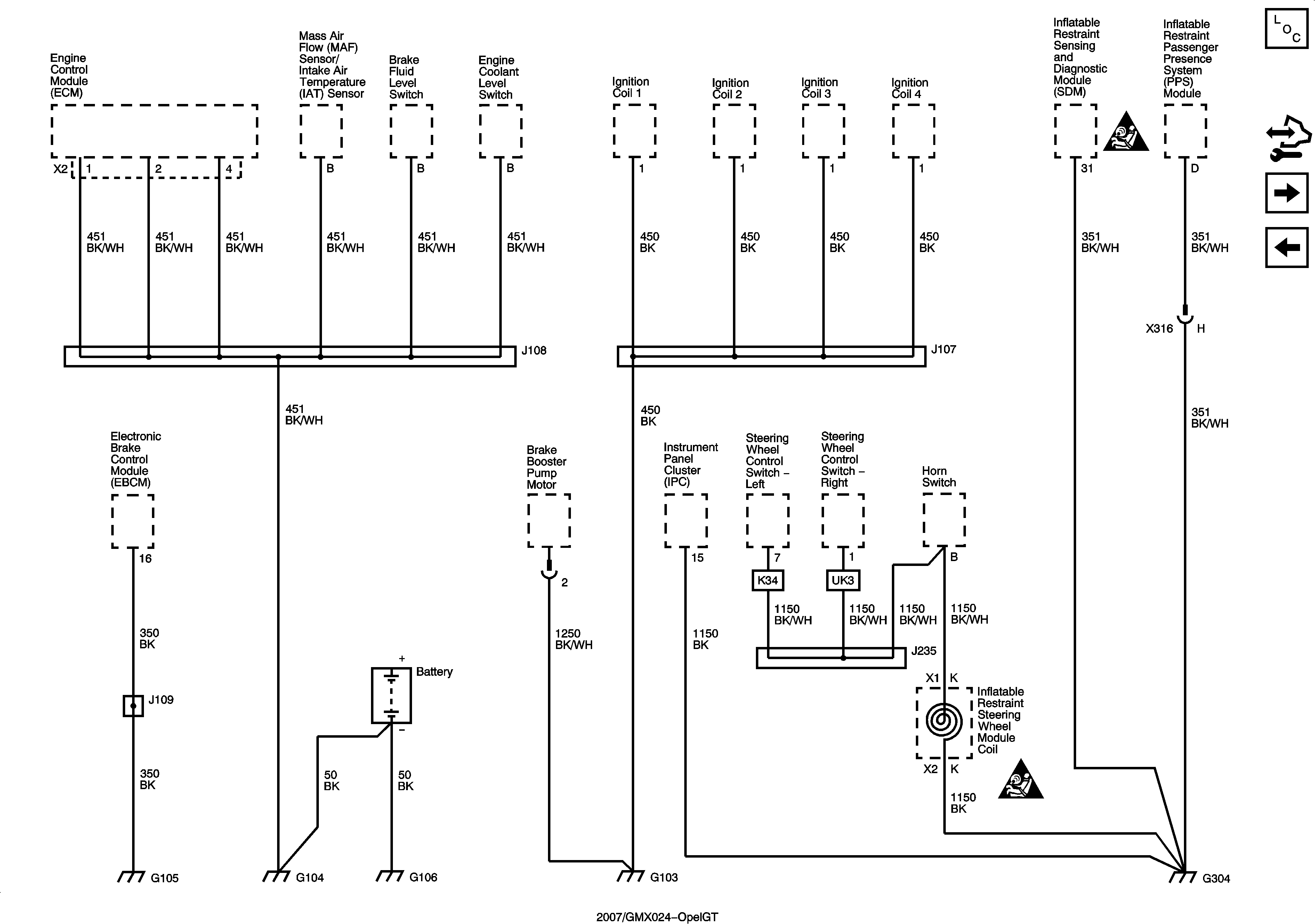
🢒 G103, G304, G105, G104, and G106
G103, G304, G105, G104, and G106
G103, G304, G105, G104, and G106
Master Electrical Component List
Control Module References
G300 - 1 of 2
G101 and G102
SIR Schematic Icons
SIR Schematic Icons