GM Service Manual Online
For 1990-2009 cars only
Figure 1:

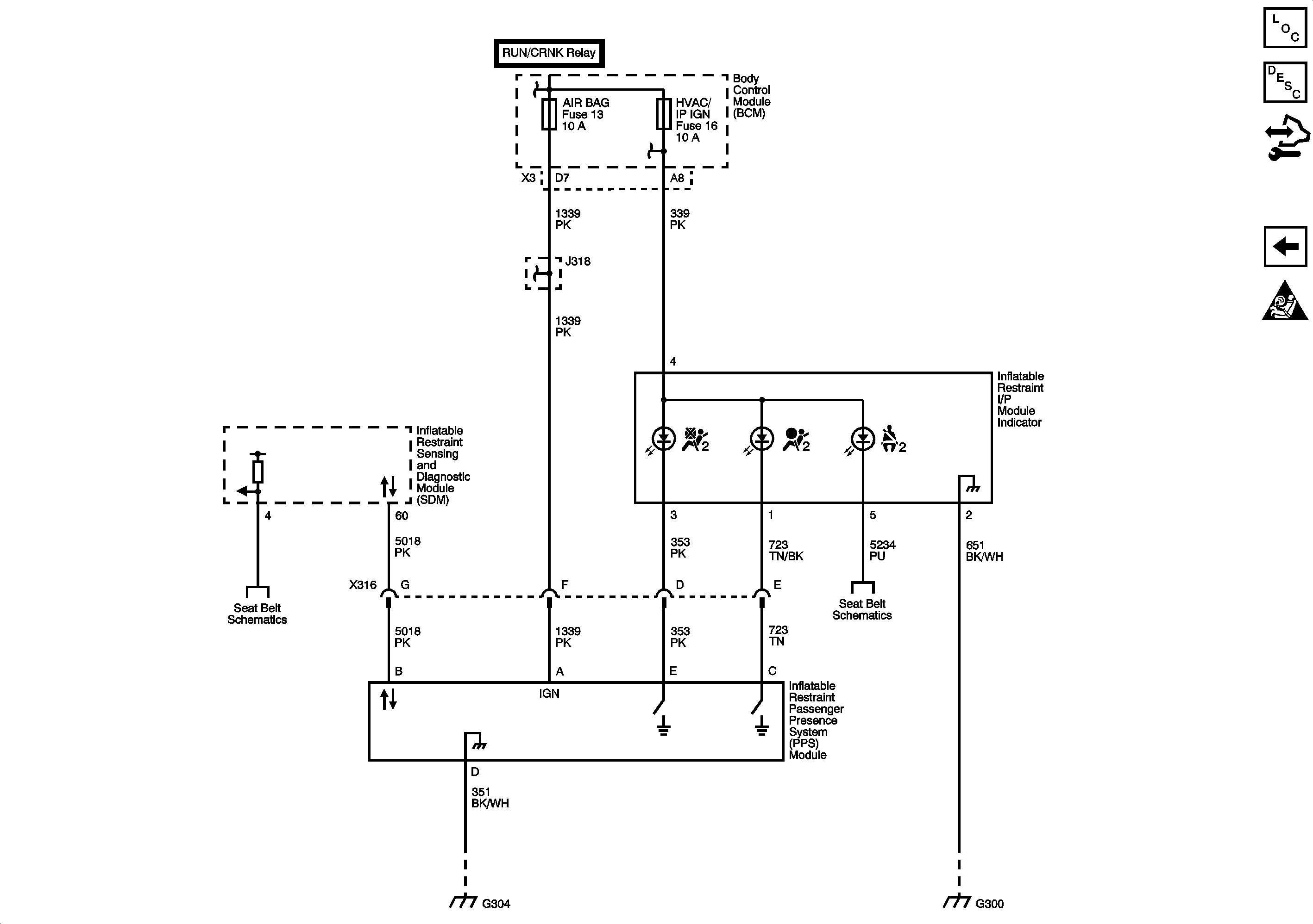
Power, Ground, Indicators, and Front End Sensors


Object Number: 1910281  Size: FS
Master Electrical Component List
SIR System Description and Operation
Control Module References
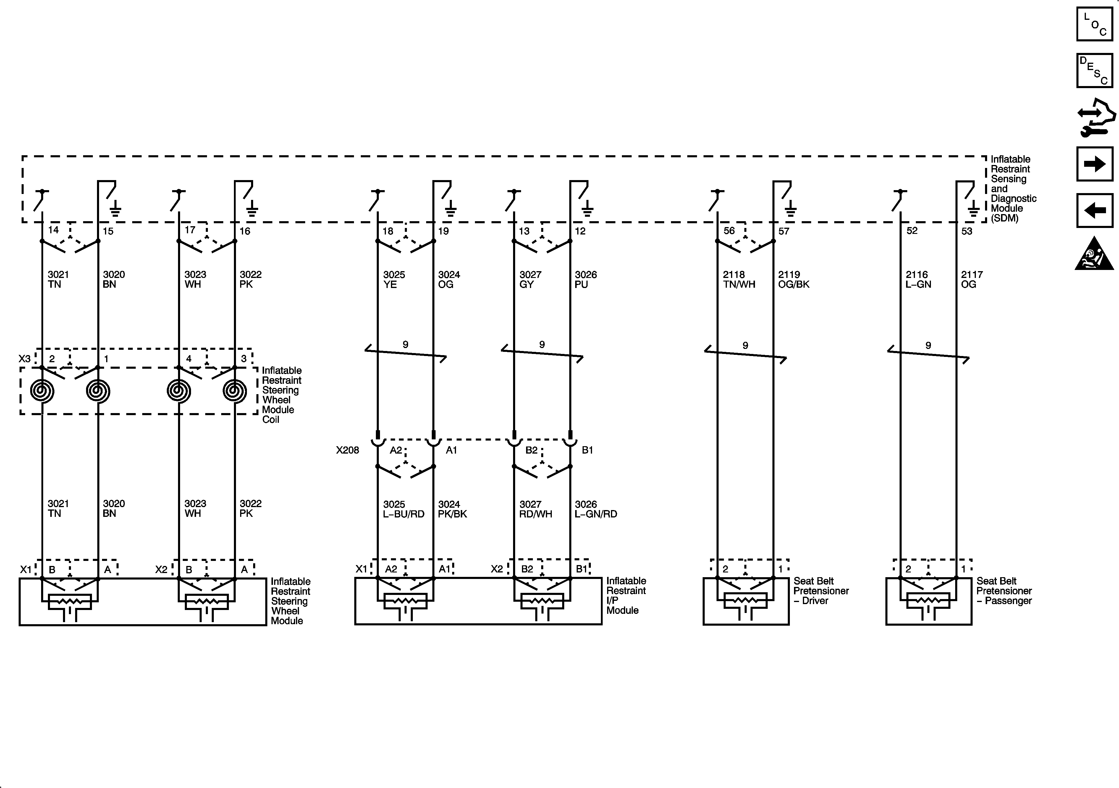
Modules and Pretensioners
Master Electrical Schematic Icons
ECM/TRANS, I/P/ IGN, OUTLET/LTR, AIRBAG, EPS/STR WHL CNTRL, HVAC/IP IGN, WPR, CAN VENT, BCK/UP LAMP, and ABS Fuses
Data Communication Schematics
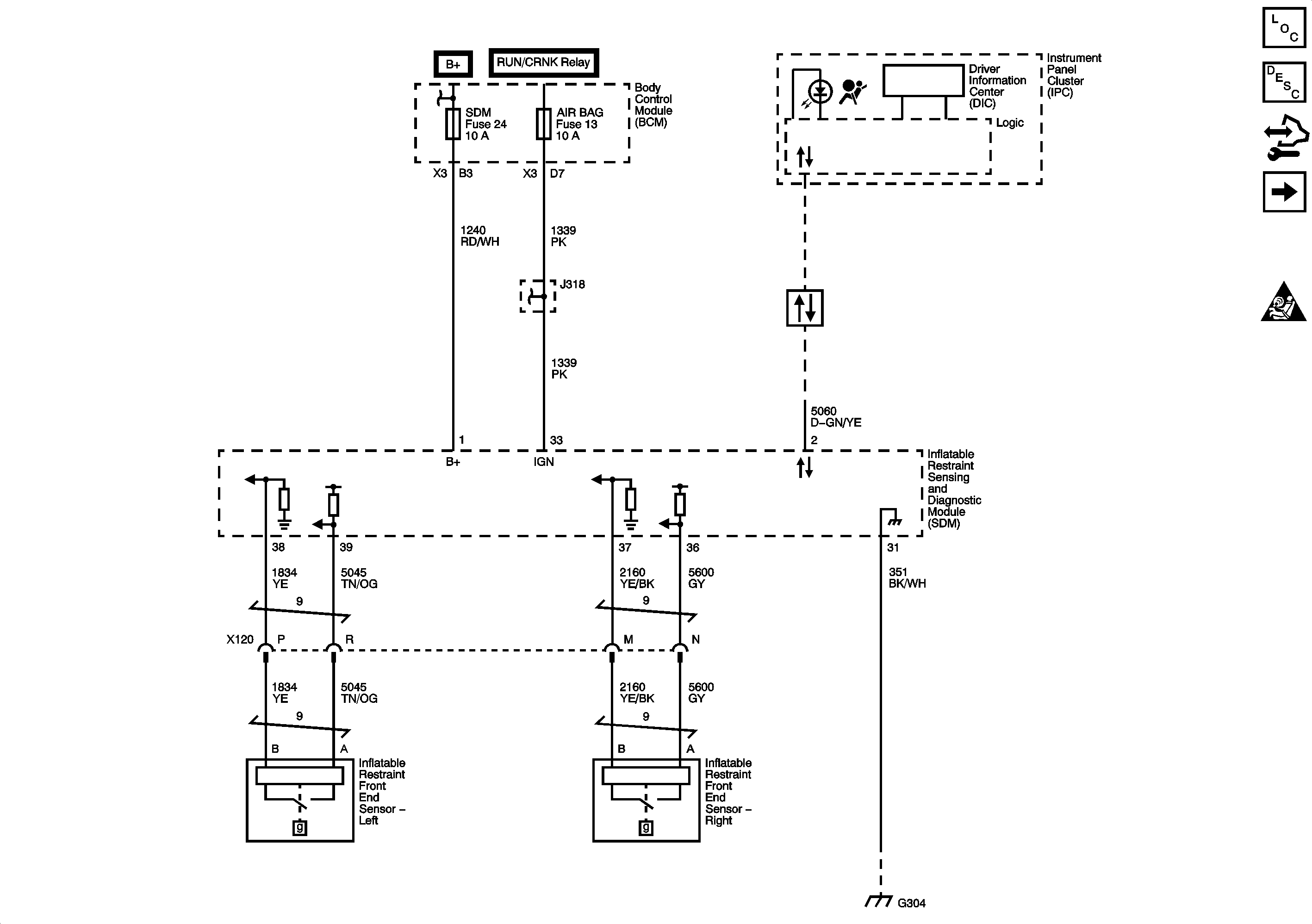
G103, G104, G105, G106, G304
BCM, DR LCK, ECM/TCM. INT LIGHT, PWR WNDW, RDO and SDM Fuses
ECM/TRANS, I/P/ IGN, OUTLET/LTR, AIRBAG, EPS/STR WHL CNTRL, HVAC/IP IGN, WPR, CAN VENT, BCK/UP LAMP, and ABS Fuses
Figure 2:

Modules and Pretensioners


Object Number: 1910285  Size: FS
Master Electrical Component List
SIR System Description and Operation
Control Module References
Passenger Presence System
Power, Ground, Indicators, and Front End Sensors
Master Electrical Schematic Icons
Figure 3:

Passenger Presence System (PPS)


Object Number: 1910290  Size: FS
Master Electrical Component List
SIR System Description and Operation
Control Module References
Modules and Pretensioners
Master Electrical Schematic Icons
ECM/TRANS, I/P/ IGN, OUTLET/LTR, AIRBAG, EPS/STR WHL CNTRL, HVAC/IP IGN, WPR, CAN VENT, BCK/UP LAMP, and ABS Fuses
Seat Belt Schematics
G103, G104, G105, G106, G304
Seat Belt Schematics
G300 - 1 of 2
ECM/TRANS, I/P/ IGN, OUTLET/LTR, AIRBAG, EPS/STR WHL CNTRL, HVAC/IP IGN, WPR, CAN VENT, BCK/UP LAMP, and ABS Fuses
ECM/TRANS, I/P/ IGN, OUTLET/LTR, AIRBAG, EPS/STR WHL CNTRL, HVAC/IP IGN, WPR, CAN VENT, BCK/UP LAMP, and ABS Fuses