GM Service Manual Online
For 1990-2009 cars only
Figure 1:

Radio - UW5


Object Number: 1910293  Size: FS
Master Electrical Component List
Radio/Audio System Description and Operation
Control Module References
Radio Power, Ground and Communication - UQ3
Interior Lights Schematics - Outputs
G301, G302, G303, G400, G402
ECM/TRANS, I/P/ IGN, OUTLET/LTR, AIRBAG, EPS/STR WHL CNTRL, HVAC/IP IGN, WPR, CAN VENT, BCK/UP LAMP, and ABS Fuses
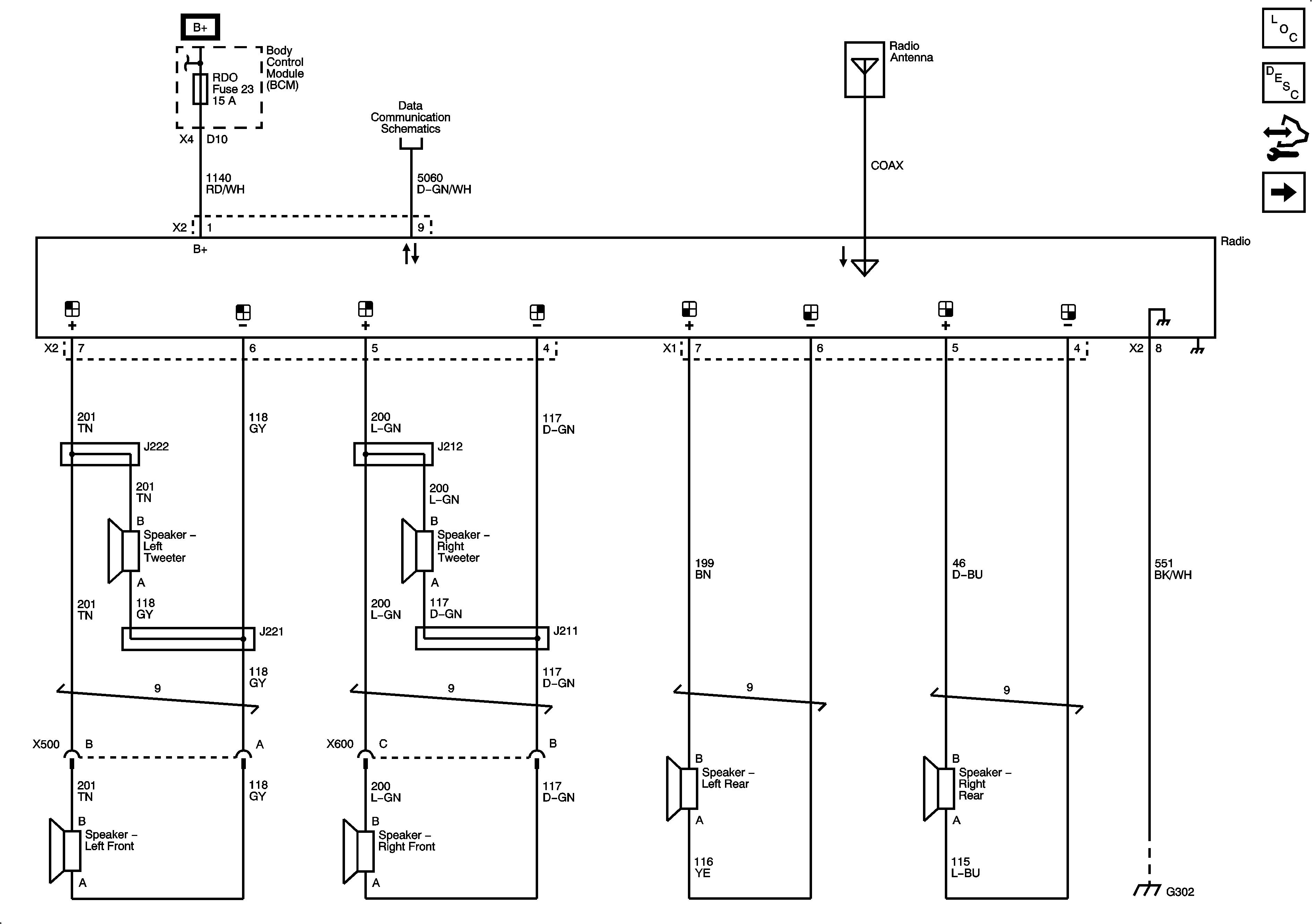
Figure 2:

Radio Power, Ground and Communication - UQ3


Object Number: 1910295  Size: FS
Master Electrical Component List
Radio/Audio System Description and Operation
Control Module References
Amplifier Power, Speakers - UQ3
Interior Lights Schematics - Outputs
G301, G302, G303, G400, G402
G301, G302, G303, G400, G402
BCM 2, BCM 3, AMP, CLSTR, HVAC/PK3+, and IGN SW/PK3+ Fuses
ECM/TRANS, I/P/ IGN, OUTLET/LTR, AIRBAG, EPS/STR WHL CNTRL, HVAC/IP IGN, WPR, CAN VENT, BCK/UP LAMP, and ABS Fuses
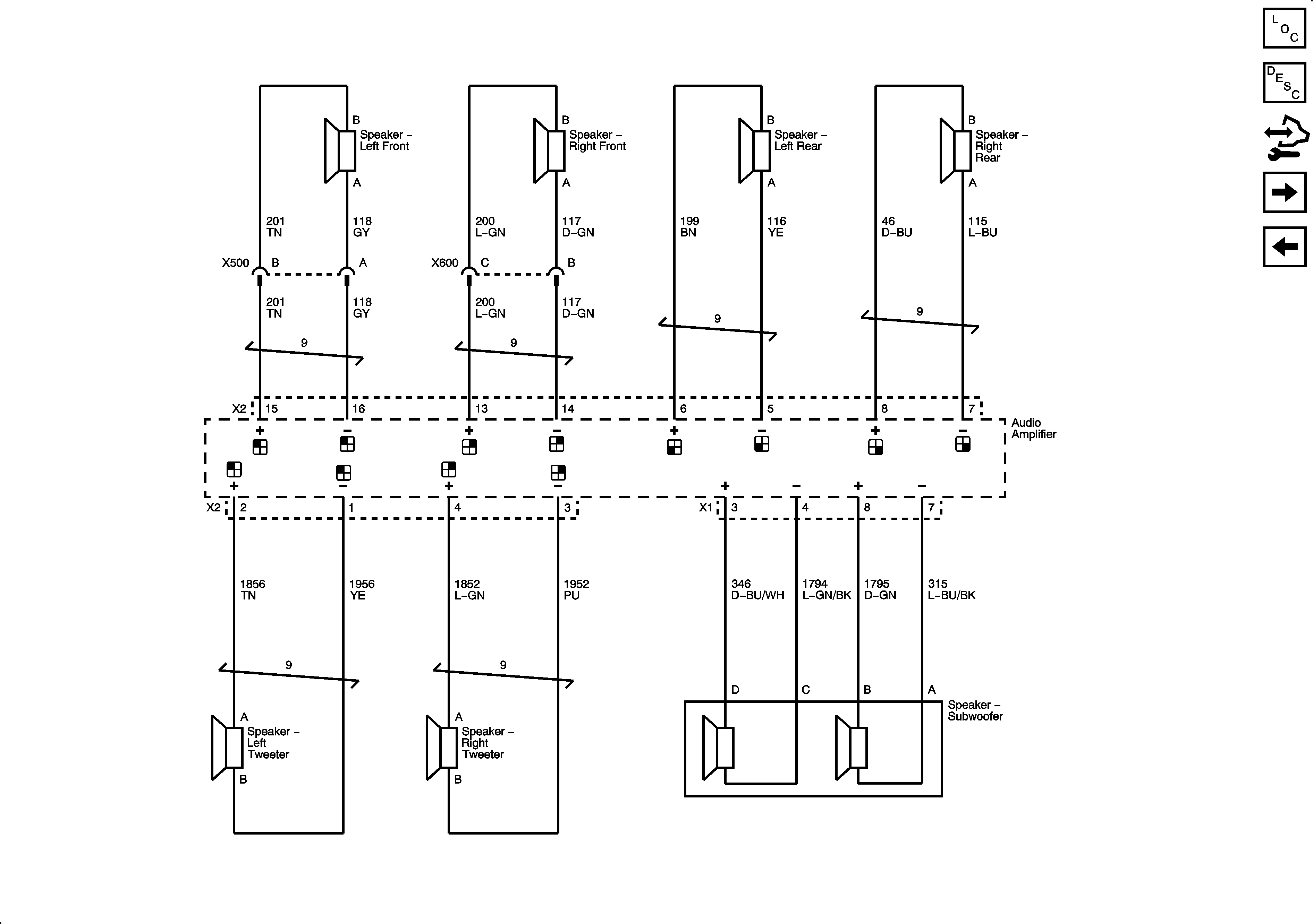
Figure 3:

Amplifier Power, Speakers - UQ3


Object Number: 1910297  Size: FS
Master Electrical Component List
Radio/Audio System Description and Operation
Control Module References
Redundant Radio Controls
Radio Power, Ground and Communication - UQ3
Figure 4:

Redundant Radio Controls


Object Number: 1910303  Size: FS
Master Electrical Component List
Radio/Audio System Description and Operation
Control Module References
Amplifier Power, Speakers - UQ3
Master Electrical Schematic Icons