GM Service Manual Online
For 1990-2009 cars only
Makes
🢒
Opel
🢒
2008
🢒
GT
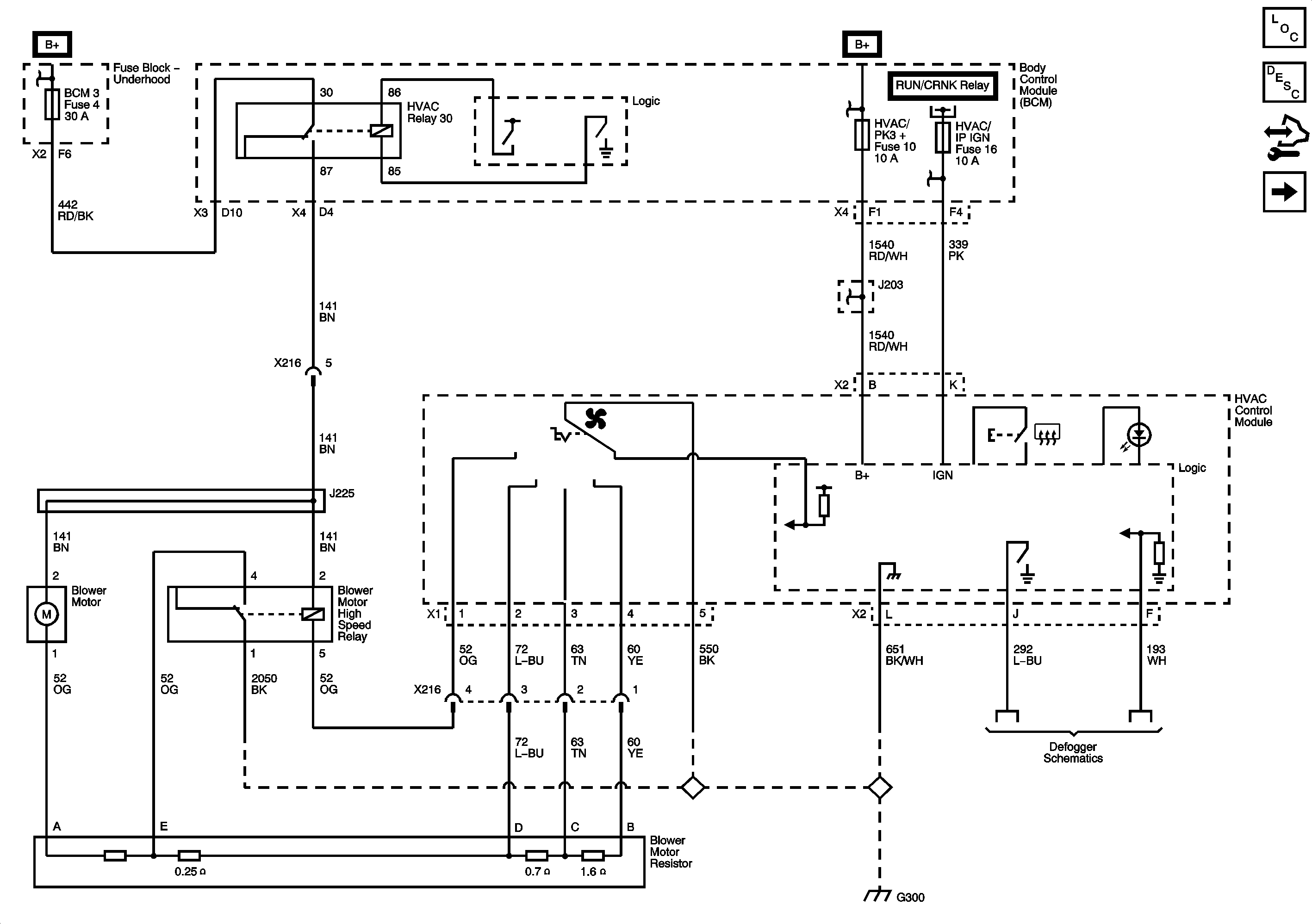
🢒 08 Opel GT HVAC Schematics - Power, Ground, and Blower Motor
08 Opel GT HVAC Schematics - Power, Ground, and Blower Motor
Ground, Power, and Blower Controls
Master Electrical Component List
Air Delivery Description and Operation
Control Module References
Mode and Air Temerature Controls
BCM 2, BCM 3, AMP, CLSTR, HVAC/PK3+, and IGN SW/PK3+ Fuses
ECM/TRANS, I/P/ IGN, OUTLET/LTR, AIRBAG, EPS/STR WHL CNTRL, HVAC/IP IGN, WPR, CAN VENT, BCK/UP LAMP, and ABS Fuses
BCM 2, BCM 3, AMP, CLSTR, HVAC/PK3+, and IGN SW/PK3+ Fuses
ECM/TRANS, I/P/ IGN, OUTLET/LTR, AIRBAG, EPS/STR WHL CNTRL, HVAC/IP IGN, WPR, CAN VENT, BCK/UP LAMP, and ABS Fuses
Defogger Schematics
G300 - 1 of 2