GM Service Manual Online
For 1990-2009 cars only
Makes
🢒
Opel
🢒
2008
🢒
GT
🢒 Starting and Charging Schematics
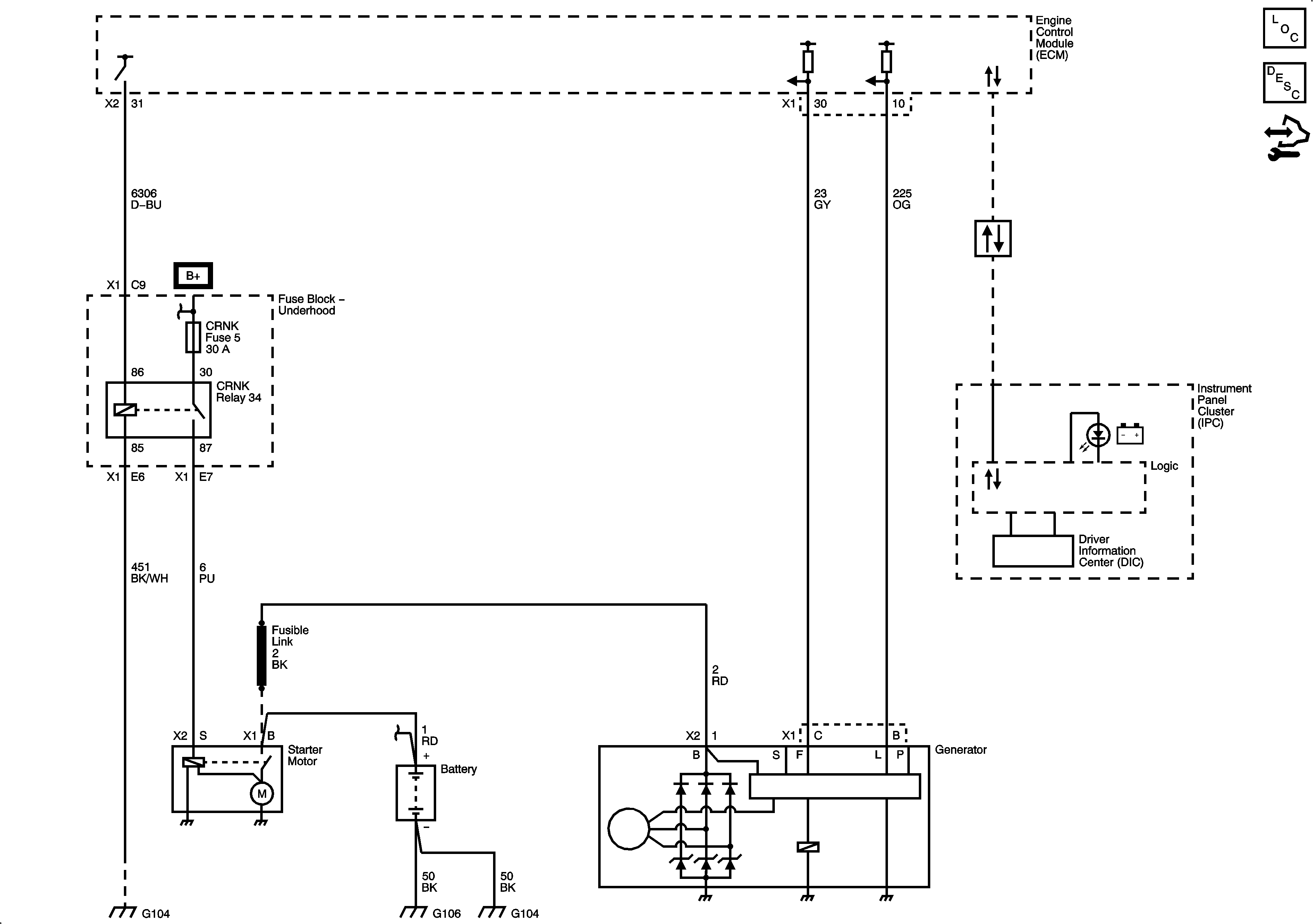
Starting and Charging Schematics
Master Electrical Component List
Charging System Description and Operation
Starting System Description and Operation
Control Module References
Data Communication Schematics
B+ Bar - 2 of 2
G103, G104, G105, G106, G304