GM Service Manual Online
For 1990-2009 cars only

Lights

Lights


Object Number: 1910239  Size: FS
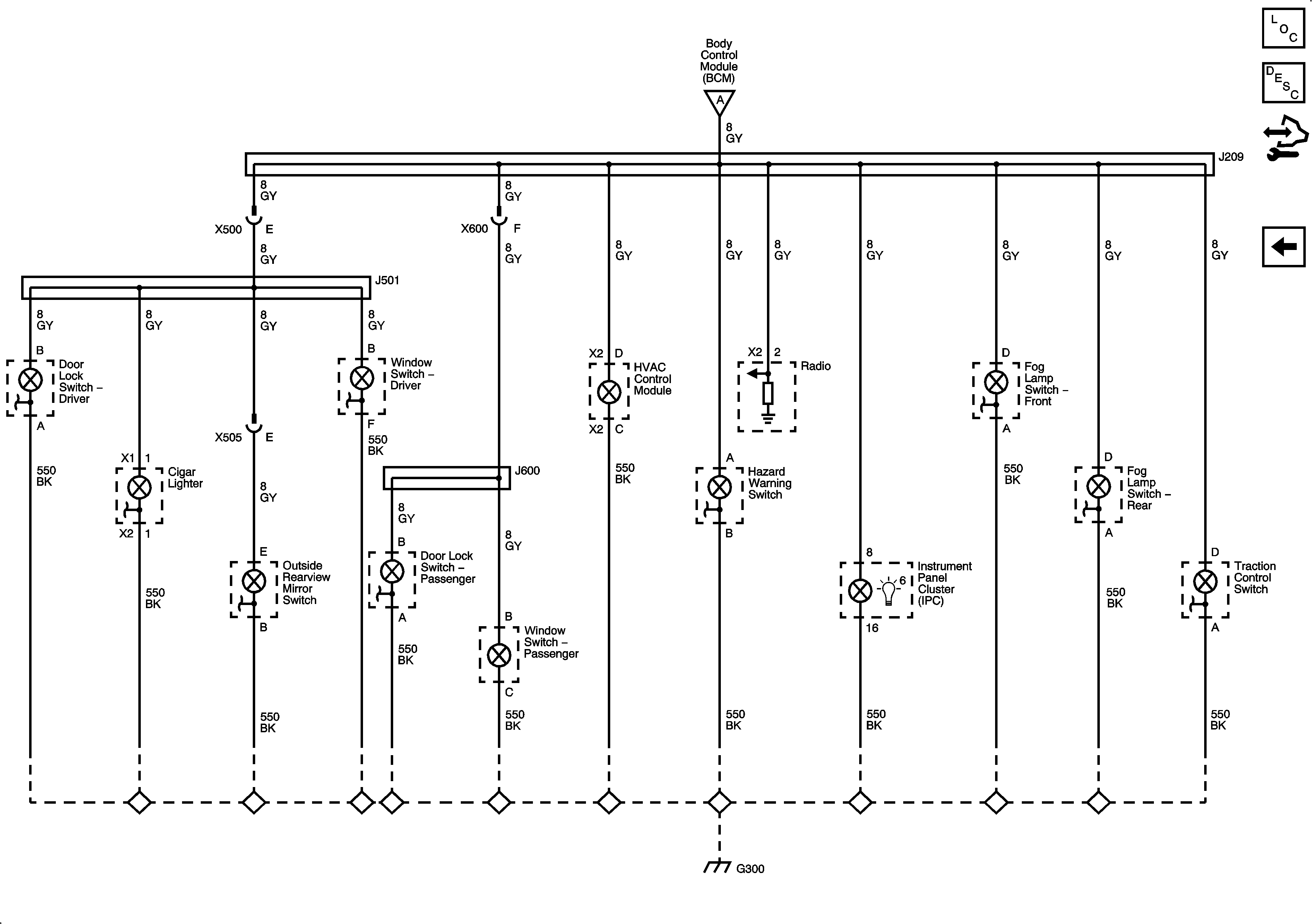
Master Electrical Component List
Interior Lighting Systems Description and Operation
Control Module References
Dimmer Switch
G300 - 2 of 2
Dimmer Switch